A
Workshop Syllabus Refer Workshop syllabus doc
•
• • •
• • • •
• • • •
• • • •
• • •
• • • • • •
• •
•
• •
•
• • •
• •
• •
• • • • • •
•
• • • • •
• • • •
• • • •
• • • • •
• • • • •
• • • •
Let’s touch the INFINITY!!! • Basics – Arduino language
• • •
• • • • •
void setup() { } void loop() { }
pinMode( ); • • • • void setup() • • void setup pinMode
digitalWrite( ); • • • • • void loop digitalWrite digitalWrite
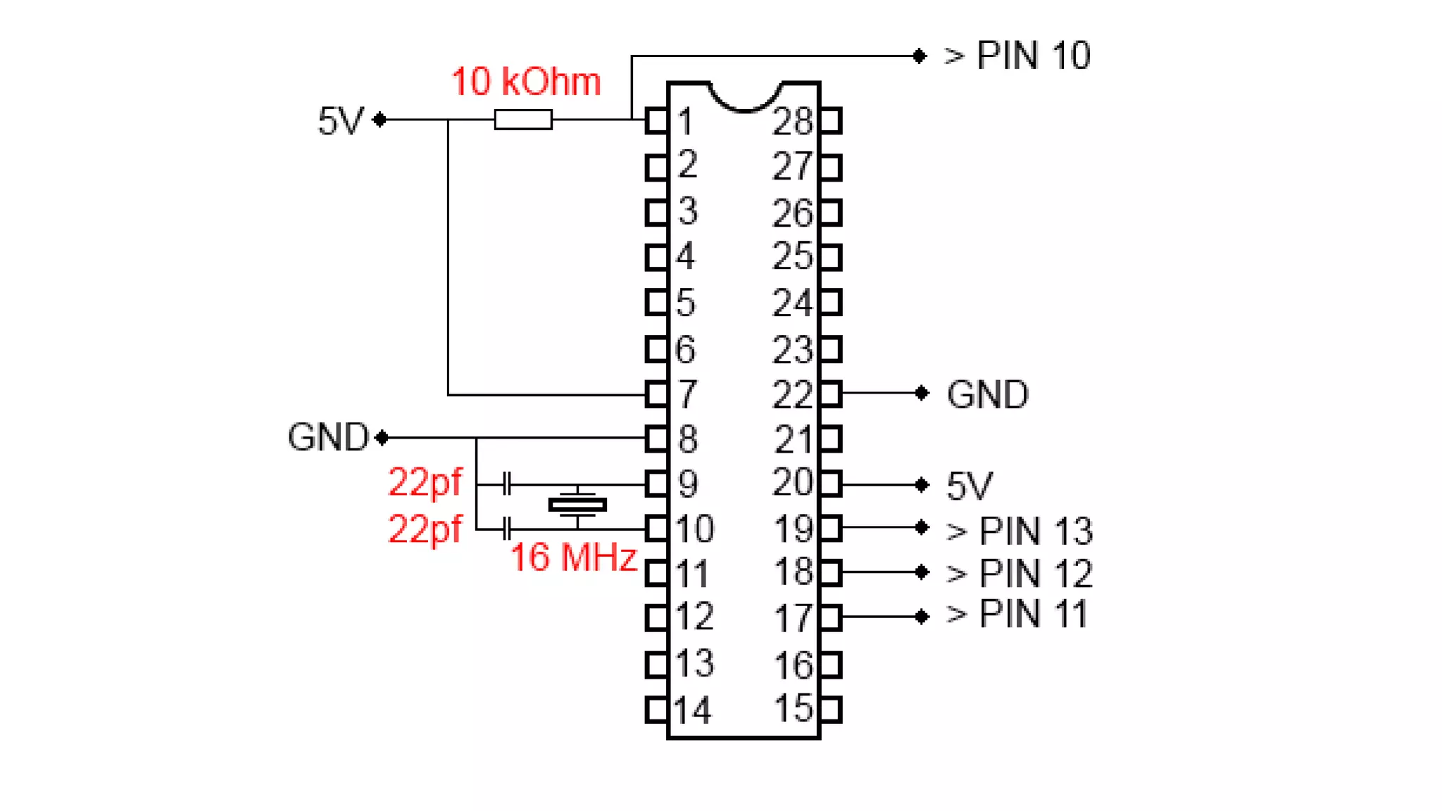
Program Code : // LED connected to Pin 13 (Common) int led = 13; // setup routine runs once when you press reset: void setup() { pinMode(led, OUTPUT); //initialize of digital pin for output. } void loop() { // loop routine (infinite loop) digitalWrite(led, HIGH); // turn on LED delay(1000); // wait for a 1000ms digitalWrite(led, LOW); // turn the off LED delay(1000); // wait for a second }
digitalRead( ); • • • • void loop digitalRead(switch);//read the input pin
analogRead( ); • • • • • ; Void setup() {} void loop =analogRead(A0);//read the input pin
• • • •
Pulse Width Modulation ? • •
• ↑ ↑ •
analogWrite( ); • • • • • void loop analogWrite
• •
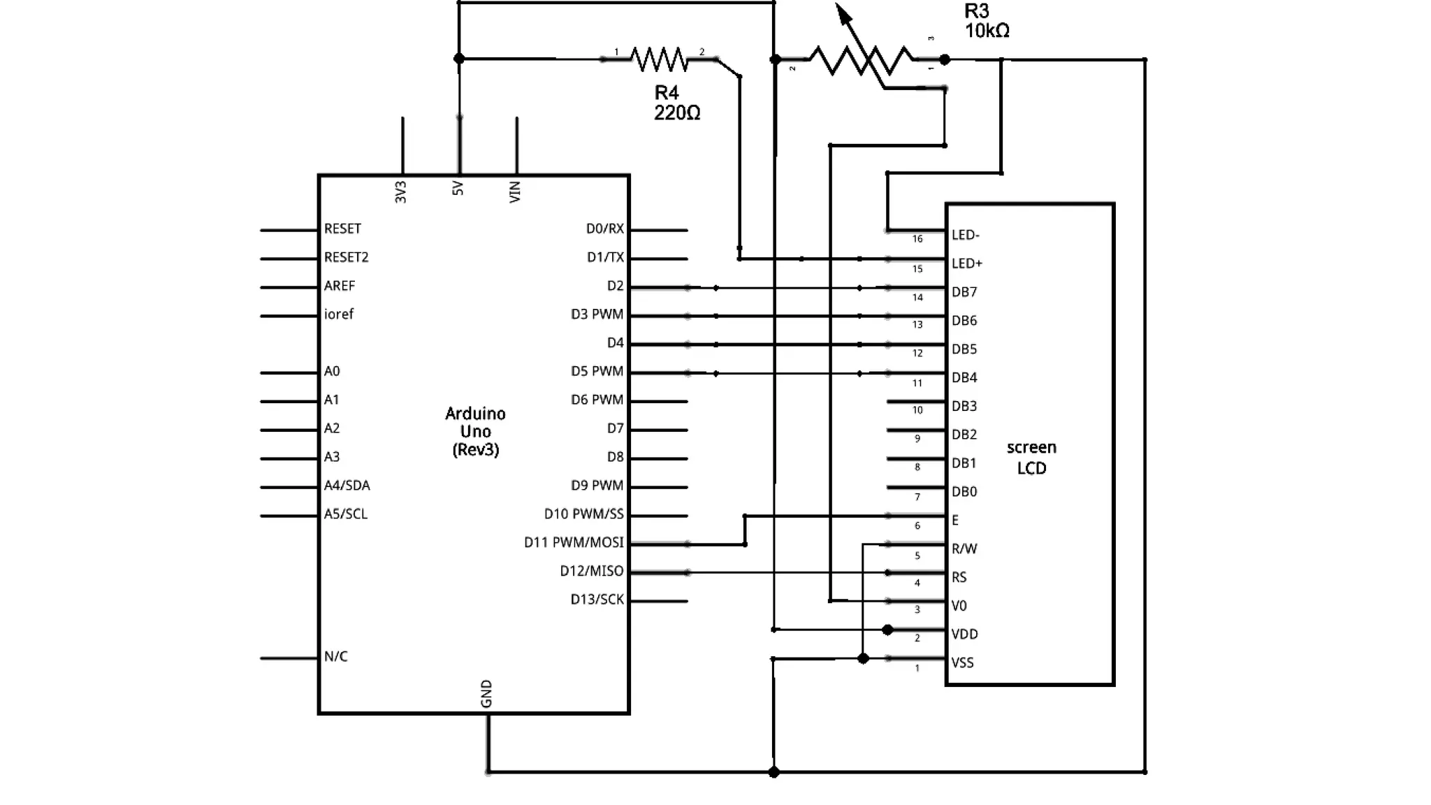
#include <LiquidCrystal.h> // initialize the library with the numbers of the interface pins LiquidCrystal lcd(12, 11, 5, 4, 3, 2); void setup() { // set up the LCD's number of columns and rows: lcd.begin(16, 2); // Print a message to the LCD. lcd.print("hello, world!"); } void loop() { // set the cursor to column 0, line 1 // (note: line 1 is the second row, since counting begins with 0): lcd.setCursor(0, 1); // print the number of seconds since reset: lcd.print(millis()/1000); }
•
• • •
// defines pins numbers const int trigPin = 9; const int echoPin = 10; // defines variables long duration; int distance; void setup() { pinMode(trigPin, OUTPUT); // Sets the trigPin as an Output pinMode(echoPin, INPUT); // Sets the echoPin as an Input Serial.begin(9600); // Starts the serial communication } void loop() { // Clears the trigPin digitalWrite(trigPin, LOW); delayMicroseconds(2); // Sets the trigPin on HIGH state for 10 micro seconds digitalWrite(trigPin, HIGH); delayMicroseconds(10); digitalWrite(trigPin, LOW); // Reads the echoPin, returns the sound wave travel time in microseconds duration = pulseIn(echoPin, HIGH); // Calculating the distance distance= duration*0.034/2; // Prints the distance on the Serial Monitor Serial.print("Distance: "); Serial.println(distance); }
void setup() { Serial.begin } void loop() {} Serial.begin
void setup(){ Serial.begin(9600); } {void loop() } Serial.print
Serial.write void setup(){ Serial.begin(9600); } void loop(){ Serial.write(45); int = Serial.write }
Serial.read Serial.available int incomingByte = 0; void setup() { Serial.begin(9600);} void loop() { if (Serial.available() > 0) {}
Serial.end
Robotics
•
• •
• • •
Act Sense Think Speech, Vision Acceleration, Temperature Position ,Distance Touch, Force Magnetic field ,Light Sound ,Position Sense Task planning Plan Classification Learn Process data Path planning Motion planning Output information Move, Speech to Text, Wheels, Legs,Arms,Tracks
• • • • •
• • •
• • •
• •
• • •
•
• • • •
• • •
• • • •
• •
• •
• • •
Thank You
• • • • • • • • • •

Arduino and Robotics