Signals and Systems: List of MATLAB Problems: 1 Create a row vector x = (2; 3; 5; 7; 11; 13; 17; 19; 23; 29) in MATLAB. Now use the colon operator to display only the even entries of the vector, that is, the output should be the vector (3; 7; 13; 19; 29). Now do the same thing but display the output in reverse order, that is, the output should be (29; 19; 13; 7; 3) 2 Plot three functions (sin, cos, sin2 ) with independent variables using three subplots. 3 Plot exponential decay function. Use commands title, grid, xlabel and ylabel. 4 Use Matlab’s linspace (a,b,n) command to generate n equally spaced numbers between a and b. for the given values of a, b, and n. Also zero out every odd indexed entry. Use Matlab’s stem command to plot the elements in the resulting vector versus their indices. 5 Plot following functions for t= -5 to 5 using inline command. (a) f(t)=e-t cos(2лt) (b) g(t)= e-3t 2sin(лt) 6 Plot unit step function u(t) with inline and axis modification. 7 Plot following pulse signals: (a) p(t) = u(t)-u(t-1) (b) q(t) = u(t-3)-u(t-5) 8 Plot following time shift and time scaled signals: g(t) = e-t cos(6t), g(t-1), g(t+1), g(2t+1) 9 Find the energy of following signals: (a) x(t) = e-t cos (2лt) u(t). (b) g(t) = e-t u(t)-u(t-1) 10 Write a MATLAB program to generate the following signals using sign(t) function. (a) Unit step signal u(t) (b) Unit Impulse signal impls(t) (a) a rectangular pulse of width of 2 (b) Unit ramp signal r(t) 11 Write a MATLAB program to generate the following signals using sign(t) function. (a) u(t-3) (b) u(2t+2) (c) impls(t-2.5) (d) r(t-3) 12 Write a MATLAB program to generate the following signals. (a) a 50 Hz sinusoidal signal sin(2pift) sampled at 600Hz. (b) A sinc function (c) A square wave 13 Find the roots of polynomial " ax2 + bx + c” for given values of a,b,c. 14 Consider the LTI Sys specified by differential equation:
(D2 + 4D + 3)y(t)= (3D + 5) x(t). Using initial conditions y(0)=3, Dy(0)=-7, determine zero input component of the response. 15 Determine the impulse response h(t) for for an LTI sys specified by differential equation: (A)(D2 +3D+2) y(t) = D x(t) (B) (D2 +2D+1) y(t) = D x(t) (C) D (D+2) y(t) = (D+4) x(t) 16 Solve the differential equation: (A)(D2 +3D+2) y(t) = x(t) using input x(t) = 5t + 3 and initial conditions y(0)=2 & Dy(0)=3. (B) (D2 +5D+6) y(t) = (D+1) x(t) using input x(t) = 6t2 and initial conditions y(0)=25/18 & Dy(0)=-2/3 17 Sketch the following discrete time signals: (A)xa[n] = (-0.5)n (B) xb[n] = (2)n (C) xc[n] = - (-2)n 18 Sketch the following Discrete Time Sinusoid (A) xa[n] = cos( (л/12) n + (л/4)) (B) xb[n] = cos( (л /12) n ) (C) xc[n] = sin( (л/12) n + (л/4)) 19 solve: y[n+2]-y[n+1]+0.24y[n] = x[n+2]-2x[n+1] with initial condition y[-1] = 2, y[-2] = 1 and a causal input x[n] = n (starting at n=0). 20 Write a scilab code to generate following signals. (A) x(t)=e-2t u(t) (B) x(t-1) ; x(t) delayed by 1 second (C) x(t+1) ; x(t) advanced by 1 second 21 Write a scilab code to generate following sampled signals. Take sampling frequency fs = 150Hz. (A) x1 = sin(2л 10 t) (B) x2 = sin(2л 20 t) (C) x3 = x1+ x2
STEMS - 2141005 MATLAB SOLVED PROBLEMS [1-10] RATHOR VIJENDRASINGH RAMSAHAY Enrollment no. 130170111092 EC 4th SEMESTER – 2015 SIGNALS AND SYSTEMS - 2141005
1. Create a row vector x = (2; 3; 5; 7; 11; 13; 17; 19; 23; 29) in MATLAB. Now use the colon operator to display only the even entries of the vector, that is, the output should be the vector (3; 7; 13; 19; 29). Now do the same thing but display the output in reverse order, that is, the output should be (29; 19; 13; 7; 3)
2. Plot three functions (sin, cos, sin2 ) with independent variables using three subplots.
3. Plot exponential decay function. Use commands title, grid, xlabel and ylabel.
4. Use Matlab’s linspace (a,b,n) command to generate n equally spaced numbers between a and b. for the given values of a, b, and n. Also zero out every odd indexed entry. Use Matlab’s stem command to plot the elements in the resulting vector versus their indices.
5. Plot following functions for t= -5 to 5 using inline command. (a) f(t)=e-t cos(2лt) (b) g(t)= e-3t 2sin(лt)
6. Plot unit step function u(t) with inline and axis modification.
7. Plot following pulse signals: (a) p(t) = u(t)-u(t-1) (b) q(t) = u(t-3)-u(t-5)
8. Plot following time shift and time scaled signals: g(t) = e-t cos(6t), g(t-1), g(t+1), g(2t+1)
9. Find the energy of following signals: (a) x(t) = e-t cos (2лt) u(t). (b) (b) g(t) = e-t u(t)-u(t-1)
10. Write a MATLAB program to generate the following signals using sign(t) function. (a) Unit step signal u(t) (b) Unit Impulse signal impls(t) (a) a rectangular pulse of width of 2 (b) Unit ramp signal r(t)
SIGNALS AND SYSTEMS – 2141005 MATLAB & SCILAB SOLVED PROBLEMS [11-21] RATHOR VIJENDRASINGH RAMSAHAY Enrollment no. 130170111092 EC 4th SEMESTER – 2015
11. Write a MATLAB program to generate the following signals using sign(t) function. (a) u(t-3) (b) u(2t+2) (c) impulse(t-2.5) (d) r(t-3)
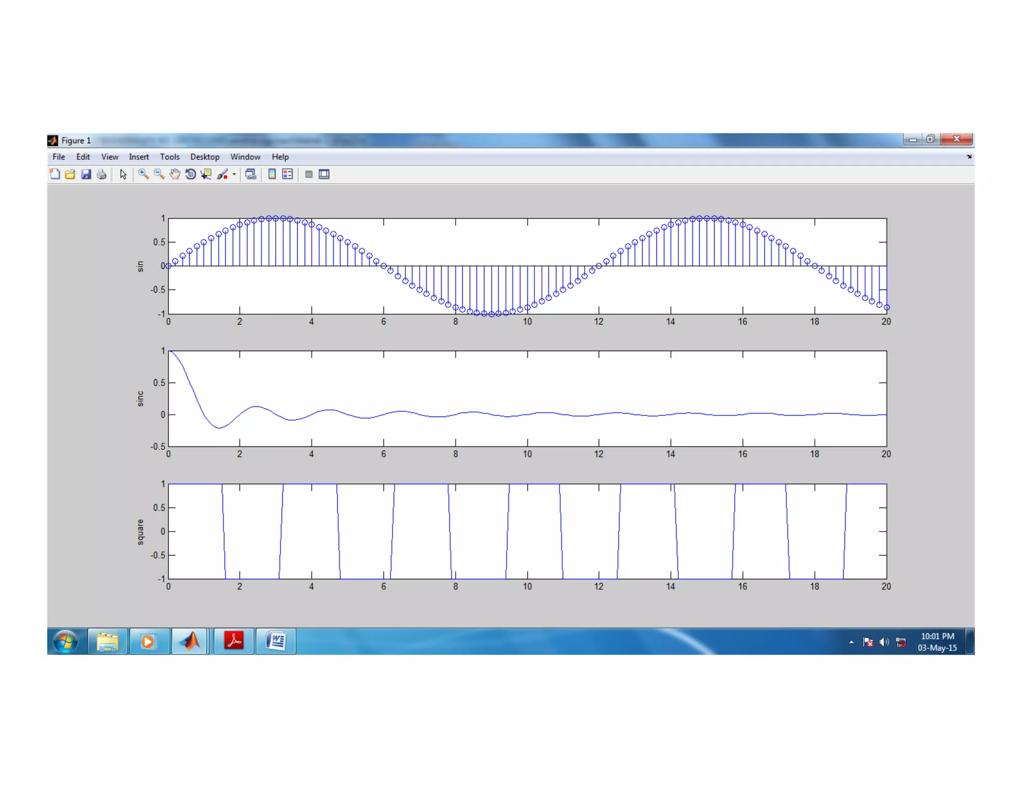
12. Write a MATLAB program to generate the following signals. (a) A 50 Hz sinusoidal signal sin(2 pi f t) sampled at 600Hz. (b) A sinc function (c) A square wave
13. Find the roots of polynomial " ax2 + bx + c” for given values of a,b,c.
14. Consider the LTI Sys specified by differential equation: (D2 + 4D + 3)y(t)= (3D + 5) x(t). Using initial conditions y(0)=3, Dy(0)=-7, determine zero input component of the response.
15. Determine the impulse response h(t) for for an LTI sys specified by differential equation: (A) (D2+3D+2) y(t) = D x(t) (B) (D2+2D+1) y(t) = D x(t) (C) D (D+2) y(t) = (D+4) x(t)
16. Solve the differential equation: (A) (D2+3D+2) y(t) = x(t) using input x(t) = 5t + 3 and initial conditions y(0)=2 & Dy(0)=3. (B) (D2+5D+6) y(t) = (D+1) x(t) using input x(t) = 6t2 and initial conditions y(0)=25/18 & Dy(0)=-2/3
17. Sketch the following discrete time signals: (A)xa[n] = (-0.5) n (B) xb[n] = (2) n (C) xc[n] = - (-2) n
18. Sketch the following Discrete Time Sinusoid (A) xa[n] = cos( (л/12) n + (л/4)) (B) xb[n] = cos( (л /12) n ) (C) xc[n] = sin( (л/12) n + (л/4))
19. solve: y[n+2]-y[n+1]+0.24y[n] = x[n+2]-2x[n+1] with initial condition y[-1] = 2, y[-2] = 1 and a causal input x[n] = n (starting at n=0).
20. Write a scilab code to generate following signals. (A) x(t)=e -2t u(t) (B) x(t-1) ; x(t) delayed by 1 second (C) x(t+1) ; x(t) advanced by 1 second
21. Write a scilab code to generate following sampled signals. Take sampling frequency fs= 150Hz. (A) x1 = sin(2л 10 t) (B) x2 = sin(2л 20 t) (C) x3 = x1+ x2
Ss matlab solved

Ss matlab solved

  • 1.
    Signals and Systems: Listof MATLAB Problems: 1 Create a row vector x = (2; 3; 5; 7; 11; 13; 17; 19; 23; 29) in MATLAB. Now use the colon operator to display only the even entries of the vector, that is, the output should be the vector (3; 7; 13; 19; 29). Now do the same thing but display the output in reverse order, that is, the output should be (29; 19; 13; 7; 3) 2 Plot three functions (sin, cos, sin2 ) with independent variables using three subplots. 3 Plot exponential decay function. Use commands title, grid, xlabel and ylabel. 4 Use Matlab’s linspace (a,b,n) command to generate n equally spaced numbers between a and b. for the given values of a, b, and n. Also zero out every odd indexed entry. Use Matlab’s stem command to plot the elements in the resulting vector versus their indices. 5 Plot following functions for t= -5 to 5 using inline command. (a) f(t)=e-t cos(2лt) (b) g(t)= e-3t 2sin(лt) 6 Plot unit step function u(t) with inline and axis modification. 7 Plot following pulse signals: (a) p(t) = u(t)-u(t-1) (b) q(t) = u(t-3)-u(t-5) 8 Plot following time shift and time scaled signals: g(t) = e-t cos(6t), g(t-1), g(t+1), g(2t+1) 9 Find the energy of following signals: (a) x(t) = e-t cos (2лt) u(t). (b) g(t) = e-t u(t)-u(t-1) 10 Write a MATLAB program to generate the following signals using sign(t) function. (a) Unit step signal u(t) (b) Unit Impulse signal impls(t) (a) a rectangular pulse of width of 2 (b) Unit ramp signal r(t) 11 Write a MATLAB program to generate the following signals using sign(t) function. (a) u(t-3) (b) u(2t+2) (c) impls(t-2.5) (d) r(t-3) 12 Write a MATLAB program to generate the following signals. (a) a 50 Hz sinusoidal signal sin(2pift) sampled at 600Hz. (b) A sinc function (c) A square wave 13 Find the roots of polynomial " ax2 + bx + c” for given values of a,b,c. 14 Consider the LTI Sys specified by differential equation:
  • 2.
    (D2 + 4D +3)y(t)= (3D + 5) x(t). Using initial conditions y(0)=3, Dy(0)=-7, determine zero input component of the response. 15 Determine the impulse response h(t) for for an LTI sys specified by differential equation: (A)(D2 +3D+2) y(t) = D x(t) (B) (D2 +2D+1) y(t) = D x(t) (C) D (D+2) y(t) = (D+4) x(t) 16 Solve the differential equation: (A)(D2 +3D+2) y(t) = x(t) using input x(t) = 5t + 3 and initial conditions y(0)=2 & Dy(0)=3. (B) (D2 +5D+6) y(t) = (D+1) x(t) using input x(t) = 6t2 and initial conditions y(0)=25/18 & Dy(0)=-2/3 17 Sketch the following discrete time signals: (A)xa[n] = (-0.5)n (B) xb[n] = (2)n (C) xc[n] = - (-2)n 18 Sketch the following Discrete Time Sinusoid (A) xa[n] = cos( (л/12) n + (л/4)) (B) xb[n] = cos( (л /12) n ) (C) xc[n] = sin( (л/12) n + (л/4)) 19 solve: y[n+2]-y[n+1]+0.24y[n] = x[n+2]-2x[n+1] with initial condition y[-1] = 2, y[-2] = 1 and a causal input x[n] = n (starting at n=0). 20 Write a scilab code to generate following signals. (A) x(t)=e-2t u(t) (B) x(t-1) ; x(t) delayed by 1 second (C) x(t+1) ; x(t) advanced by 1 second 21 Write a scilab code to generate following sampled signals. Take sampling frequency fs = 150Hz. (A) x1 = sin(2л 10 t) (B) x2 = sin(2л 20 t) (C) x3 = x1+ x2
  • 3.
    STEMS - 2141005 MATLABSOLVED PROBLEMS [1-10] RATHOR VIJENDRASINGH RAMSAHAY Enrollment no. 130170111092 EC 4th SEMESTER – 2015 SIGNALS AND SYSTEMS - 2141005
  • 4.
    1. Create arow vector x = (2; 3; 5; 7; 11; 13; 17; 19; 23; 29) in MATLAB. Now use the colon operator to display only the even entries of the vector, that is, the output should be the vector (3; 7; 13; 19; 29). Now do the same thing but display the output in reverse order, that is, the output should be (29; 19; 13; 7; 3)
  • 5.
    2. Plot threefunctions (sin, cos, sin2 ) with independent variables using three subplots.
  • 6.
    3. Plot exponentialdecay function. Use commands title, grid, xlabel and ylabel.
  • 7.
    4. Use Matlab’slinspace (a,b,n) command to generate n equally spaced numbers between a and b. for the given values of a, b, and n. Also zero out every odd indexed entry. Use Matlab’s stem command to plot the elements in the resulting vector versus their indices.
  • 8.
    5. Plot followingfunctions for t= -5 to 5 using inline command. (a) f(t)=e-t cos(2лt) (b) g(t)= e-3t 2sin(лt)
  • 10.
    6. Plot unitstep function u(t) with inline and axis modification.
  • 11.
    7. Plot followingpulse signals: (a) p(t) = u(t)-u(t-1) (b) q(t) = u(t-3)-u(t-5)
  • 12.
    8. Plot followingtime shift and time scaled signals: g(t) = e-t cos(6t), g(t-1), g(t+1), g(2t+1)
  • 13.
    9. Find theenergy of following signals: (a) x(t) = e-t cos (2лt) u(t). (b) (b) g(t) = e-t u(t)-u(t-1)
  • 14.
    10. Write aMATLAB program to generate the following signals using sign(t) function. (a) Unit step signal u(t) (b) Unit Impulse signal impls(t) (a) a rectangular pulse of width of 2 (b) Unit ramp signal r(t)
  • 15.
    SIGNALS AND SYSTEMS– 2141005 MATLAB & SCILAB SOLVED PROBLEMS [11-21] RATHOR VIJENDRASINGH RAMSAHAY Enrollment no. 130170111092 EC 4th SEMESTER – 2015
  • 16.
    11. Write aMATLAB program to generate the following signals using sign(t) function. (a) u(t-3) (b) u(2t+2) (c) impulse(t-2.5) (d) r(t-3)
  • 18.
    12. Write aMATLAB program to generate the following signals. (a) A 50 Hz sinusoidal signal sin(2 pi f t) sampled at 600Hz. (b) A sinc function (c) A square wave
  • 20.
    13. Find theroots of polynomial " ax2 + bx + c” for given values of a,b,c.
  • 21.
    14. Consider theLTI Sys specified by differential equation: (D2 + 4D + 3)y(t)= (3D + 5) x(t). Using initial conditions y(0)=3, Dy(0)=-7, determine zero input component of the response.
  • 22.
    15. Determine theimpulse response h(t) for for an LTI sys specified by differential equation: (A) (D2+3D+2) y(t) = D x(t) (B) (D2+2D+1) y(t) = D x(t) (C) D (D+2) y(t) = (D+4) x(t)
  • 23.
    16. Solve thedifferential equation: (A) (D2+3D+2) y(t) = x(t) using input x(t) = 5t + 3 and initial conditions y(0)=2 & Dy(0)=3. (B) (D2+5D+6) y(t) = (D+1) x(t) using input x(t) = 6t2 and initial conditions y(0)=25/18 & Dy(0)=-2/3
  • 24.
    17. Sketch thefollowing discrete time signals: (A)xa[n] = (-0.5) n (B) xb[n] = (2) n (C) xc[n] = - (-2) n
  • 26.
    18. Sketch thefollowing Discrete Time Sinusoid (A) xa[n] = cos( (л/12) n + (л/4)) (B) xb[n] = cos( (л /12) n ) (C) xc[n] = sin( (л/12) n + (л/4))
  • 28.
    19. solve: y[n+2]-y[n+1]+0.24y[n]= x[n+2]-2x[n+1] with initial condition y[-1] = 2, y[-2] = 1 and a causal input x[n] = n (starting at n=0).
  • 30.
    20. Write ascilab code to generate following signals. (A) x(t)=e -2t u(t) (B) x(t-1) ; x(t) delayed by 1 second (C) x(t+1) ; x(t) advanced by 1 second
  • 32.
    21. Write ascilab code to generate following sampled signals. Take sampling frequency fs= 150Hz. (A) x1 = sin(2л 10 t) (B) x2 = sin(2л 20 t) (C) x3 = x1+ x2