Encoder and DecoderEncoding, Decoding
EncoderENCODER- a digital circuit that produces a binary output code depending on which of its inputs are activated.
DecoderDECODER- a digital circuit that converts an input binary code into a single numeric output.
ENCODERS AND DECODERSONLY ONE INPUT ACTIVATED AT A TIMEBINARY CODE INPUTONLY ONE OUTPUT ACTIVATED AT A TIMEBINARY CODE OUTPUT
THE 8421 BCD CODEBCD stands for Binary-Coded Decimal.A BCD number is a four-bit binary group that represents one of the ten decimal digits 0 through 9.	Example:Decimal number 4926 4 9 2 68421 BCD coded number0100 10010010 0110
3ELECTRONIC ENCODER - DECIMAL TO BCDBCD outputDecimal input0 0 0 00 1 0 10 1 1 10 0 1 1DecimaltoBCDEncoder750Encoders are available in IC form.
This encoder translates from decimal input to BCD output.10 line to 4 line Encoder
10 line to 4 line Encoder
4 line to 10 line Decoder
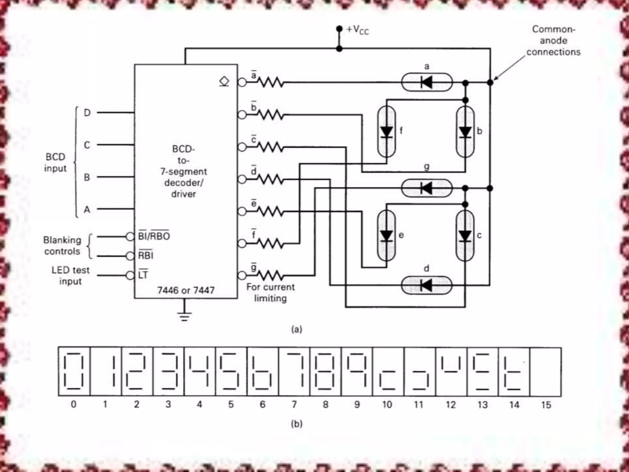
DECODERS: BCD TO 7-SEGMENT DECODER/DRIVERDecimal outputLEDBCD input0 0 0 00 0 0 10 0 1 00 0 1 10 1 0 0BCD-to-7-SegmentDecoder/DriverElectronic decoders are available in IC form.
 This decoder translates from BCD to decimal.
 Decimals are shown on an 7-segment LED display.
 This IC also drives the 7-segment LED display.TEST Q #1- What is the decimal output from the decoder that	appears on the 7-segment display? Q #2- What is the decimal output from the decoder that	appears on the 7-segment display? Q #3- What is the decimal output from the decoder that	appears on the 7-segment display? Q #4- What is the decimal output from the decoder that	appears on the 7-segment display? Q #5- What is the decimal output from the decoder that	appears on the 7-segment display?Answer: 3Answer: 0Answer: 9Answer: 7Answer: 6BCD inputDecimal output1 0 0 10 0 1 10 0 0 00 1 1 10 1 1 0BCD-to-7-SegmentDecoder/Driver?
TEST
TEST
TESTANSWER THE FOLLOWING QUESTIONS WITH ONE OR MORE OF THESE WORDS: MUX, DEMUX, ENCODER, DECODER.A. Has more inputs than outputs.ENCODER, MUXB. Uses select inputs.MUX, DEMUXC. Can be used in parallel-to-serial conversion.MUXD. Produces a binary code at its output.ENCODER

Encoder and decoder

  • 1.
  • 2.
    EncoderENCODER- a digitalcircuit that produces a binary output code depending on which of its inputs are activated.
  • 3.
    DecoderDECODER- a digitalcircuit that converts an input binary code into a single numeric output.
  • 4.
    ENCODERS AND DECODERSONLYONE INPUT ACTIVATED AT A TIMEBINARY CODE INPUTONLY ONE OUTPUT ACTIVATED AT A TIMEBINARY CODE OUTPUT
  • 5.
    THE 8421 BCDCODEBCD stands for Binary-Coded Decimal.A BCD number is a four-bit binary group that represents one of the ten decimal digits 0 through 9. Example:Decimal number 4926 4 9 2 68421 BCD coded number0100 10010010 0110
  • 6.
    3ELECTRONIC ENCODER -DECIMAL TO BCDBCD outputDecimal input0 0 0 00 1 0 10 1 1 10 0 1 1DecimaltoBCDEncoder750Encoders are available in IC form.
  • 7.
    This encoder translatesfrom decimal input to BCD output.10 line to 4 line Encoder
  • 9.
    10 line to4 line Encoder
  • 11.
    4 line to10 line Decoder
  • 12.
    DECODERS: BCDTO 7-SEGMENT DECODER/DRIVERDecimal outputLEDBCD input0 0 0 00 0 0 10 0 1 00 0 1 10 1 0 0BCD-to-7-SegmentDecoder/DriverElectronic decoders are available in IC form.
  • 13.
    This decodertranslates from BCD to decimal.
  • 14.
    Decimals areshown on an 7-segment LED display.
  • 15.
    This ICalso drives the 7-segment LED display.TEST Q #1- What is the decimal output from the decoder that appears on the 7-segment display? Q #2- What is the decimal output from the decoder that appears on the 7-segment display? Q #3- What is the decimal output from the decoder that appears on the 7-segment display? Q #4- What is the decimal output from the decoder that appears on the 7-segment display? Q #5- What is the decimal output from the decoder that appears on the 7-segment display?Answer: 3Answer: 0Answer: 9Answer: 7Answer: 6BCD inputDecimal output1 0 0 10 0 1 10 0 0 00 1 1 10 1 1 0BCD-to-7-SegmentDecoder/Driver?
  • 18.
  • 19.
  • 20.
    TESTANSWER THE FOLLOWINGQUESTIONS WITH ONE OR MORE OF THESE WORDS: MUX, DEMUX, ENCODER, DECODER.A. Has more inputs than outputs.ENCODER, MUXB. Uses select inputs.MUX, DEMUXC. Can be used in parallel-to-serial conversion.MUXD. Produces a binary code at its output.ENCODER
  • 21.
    E. Only oneof its outputs is activated at one time.DEMUX, DECODERF. Used to route input signals to one of several outputs.MUXG. Used to generate arbitrary logic functions. MUX, DEMUXH. 3 line-to-8 line or binary to octal.DECODERMUX.I. Data Selectors are also
  • 22.
    The End ….. Thank you ….