Obstacle Avoiding Robot center3048000 PROJECT REPORT OBSTACLE AVOIDING ROBOTSUBMITTED BY: NAME ROLL NO. SANDEEP BHOSALE 03 KALPESH CHHAJED 06 ABHIJEET KALBHOR 13 ABHIJEET KAPSE 15 GUIDED BYProf. Mr. Pravin Matte
Department of Electronics and Telecommunication
G.H.R.C.E.M., Wagholi, Pune
University of Pune
Academic Year 2008-2009
G. H. Raisoni
College of Engineering & Management
Certificate
 This is to certify that
 SANDEEP BHOSALE KALPESH CHHAJED ABHIJEET KALBHOR ABHIJEET KAPSE Studying in year T.E. branch E&TC have satisfactorily completed the project work of OBSTACLE AVOIDING ROBOT topic in fulfillment of mini project in Electronic System Design & Mini Project during the academic year 2008-09.
 Project Guide H. O. D.
Prof. Mr. Pravin Matte Prof. Mr. Vijay Joshi
 Principal
 Dr. Mr. Dilip Shah
ACKNOWLEDGEMENTWe feel profound pleasure in bringing out this projects report for which we have to go from pillar to post to make it a reality. This project work reflects contributions of many people with whom we had long discussions and without which it would not have been possible. We must first of all, express our heartiest gratitude to respected Prof. Pravin Matte (Dept. of E&TC) for providing us all guidance to complete project. It would be unfair if we do not mention the invaluable contribution and timely co-operation extended to us by staff member of our department. And especially we can never forget the most worthy advices given by Col. Vijay Joshi (H.O.D., Dept of E&TC), that would help us the entire lifetime. Last but not the least we express our sincere thanks to the institute G.H.R.C.E.M., Wagholi, Pune for providing such a platform for implementing the ideas in our mind. INDEX Page No.1. PREFACE A) INTRODUCTION………………………………………………………..6 B) SCOPE OF PROJECT…………………………………………………..82. DESIGN OF THE PROJECT A) PRELIMINARY DESIGN i) BLOCK DIAGRAM………………………………………..10 ii) CIRCUIT DIAGRAM ……………………………………..12 iii) COMPONENT LIST………………………………………14B) PROBLEMS ENCOUNTERED…………………………………………..15 C) FINAL DESIGNi) PCB LAYOUT……………………………………………….17ii) CIRCUIT DESCRIPTION………………………………….19iii) ALGORITHM.………………………………………………20iv) TESTING…………………………………………………….21D) SOFTWARES USED……………………………………………………....23i) DipTrace (ii) µVision Keil (iii) FlashMagic3. SCOPE OF THE PROJECT 1.APPLICATIONS……………………………………………..272. FURTHER IMPROVEMENTS & FUTURE SCOPE……..29 4. BILL OF MATERIAL..................................................305. REFERENCES ..…………………………………….....32 INTRODUCTIONINTRODUCTION :Robotics is part of Todays communication. In today’s world ROBOTICS is fast growing and interesting field. It is simplest way for latest technology modification. Now a days communication is part of advancement of technology, so we decided to work on ROBOTICS field, and design something which will make human life simpler in day today aspect. Thus we are supporting this cause. This project is basic stage of any automatic robot. This ROBOT has sufficient intelligence to cover the maximum area of provided space. It has a infrared sensor which are used to sense the obstacles coming in between the path of ROBOT. It will move in a particular direction and avoid the obstacle which is coming in its path. We have used two D.C motors to give motion to the ROBOT. The construction of the ROBOT circuit is easy and small .The electronics parts used in the ROBOT circuits are easily available and cheap too.Scope of the project :The project uses µc P89V51RD2 as the controlling element. It uses IR (Infra Red) sensors and two IR transmitting circuitry. When the obstacle comes in path of robot IR beam is reflected from the obstacle then sensor gives zero voltage to µc. This zero voltage is detected then µc decides to avoid the obstacle by taking left or right turn. If the sensor gives +5v to µc that means there is no obstacle present in it path so it goes straight until any obstacle is detected.
The two IR transmitter circuits are fitted on front and left side of robot. The two IR sensors are placed near to transmitters’ IR LEDs. The connections can be given from main circuit to sensors using simple twisted pair cables.
Two motors namely right motor and left motor are connected to driver IC (L293D). L293D is interface with µc. Micro-controller sends logic 0 & logic 1 as per the programming to driver IC which moves motors forward or reverse direction. DESIGN OF pROJECTBLOCK DIAGRAM :DESCRIPTION:Basically circuit consist of following blocks:Sensors
Microcontroller 89V51RD2
Driver
MotorsLet us take the overview of each block one by one.IR Transmitter & Receiver
The IR Transmitter block mainly used to generate IR signal. It uses timer IC555 in astable multivibrator mode to generate square wave which have continuous pulses of 50% duty cycle of frequency 38 KHz. This transmitter is so arranged that the IR rays are focused on the sensor.
IR sensor (TSOP 1738) which gives normally 5v at output of it. After receiving infrared light at output of sensor we get 0v.
 Microcontroller
This is the most important block of the system. Microcontroller is the decision making logical device which has its own memory, I/O ports, CPU and Clock circuit embedded on a single chip.
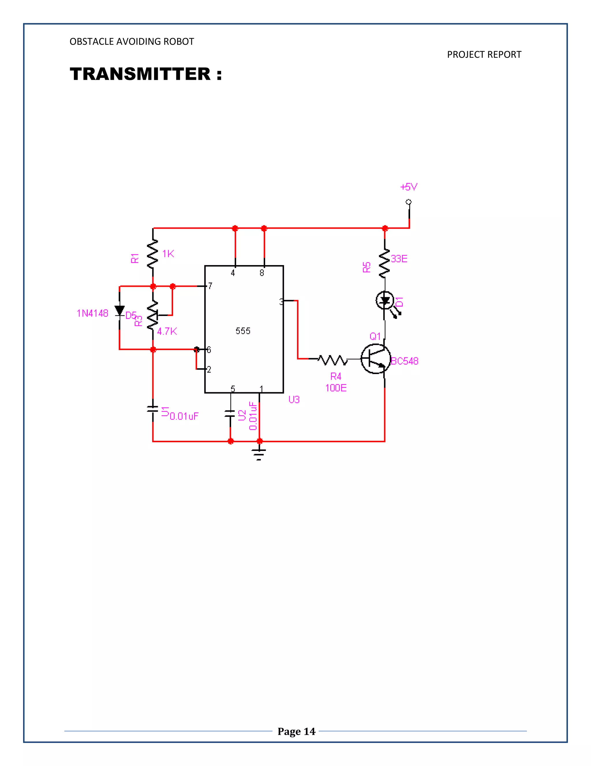
DriverL293D is used as driver IC. Motors are connected to this IC. According to program in µc it drives the left and right motor.CIRCUIT DIAGRAM (Reference) : TRANSMITTER :2. COMPONENTS USED:VALUE QUANTITY10K21k,33E,330E,100E28.2k,10K PULL UP11) RESISTORS :2)CAPACITOR: VALUE QUANTITY0.1,10,4.7122 P 2VALUE QUANTITY11.0592 MHz13) OSCILLATORS:VALUE QUANTITY89V51RD21L293D,7805 14)ICs:5) MISCELLANEOUS:COMPONENTQUANTITY6V ,200 RPM DC MOTOR 2ZENER DIODE, 5.6V3RESET SWITCH16V DC BATTERY2CONNECTING WIRES-PROBLEMS FACED : Although the concept & design of the project seemed perfect, there were some problems faced while actual implementation:Generation of exact 38Khz Frequency from IC 555 at Transmitter circuit.Solution : Use variable resistor pot in astable multivibrator. Connect IC 555’s output pin to C.R.O. & measure frequency pulses generated by IC 555.By varying the resistor pot we can adjust the frequency of output. Availability of Burner:Solution:as burner kit is not easily available, so we have design & implement hardware for burn the IC FINAL DESIGNFINAL DESIGN:1. PCB LAYOUT: TRANSMMITER :2. CIRCUIT DESCRIPTION: ELECTRICAL DESIGN:- Components are properly mount on respective position. This include wiring and layout. The connection are given such that two IC’s i.e. 89V51RD2 & L293D are interface. To L293D we connect two motors namely left motor & right motor. We implement transmitter circuit separately & gives power supply independentely. For power supply we use chargeable DC battery which having rating of 6V & 1.3A.Output pin of sensor(TSOP 1738) is connected to micro-controllers pin. MECHANICAL DESIGN:-It include front panel which is given with ball caster wheel which is fixed. Back panel is provided with circular wheel with DC motor of 12v and 100 rpm with suitable clip pin for fixing the tyre. All the assembly is fixed on base. All assembly mounted on single base. ALGORITHM-:Start
Initialize the input port & output port. Set the bit of port pin 1.0 Read data from port 1.
Check the bit on pin P1.0.
If bit is present move motors in forward direction. Else go to step 6. If bit is not present on pin P1.0, then stop right motor & move left motor in forward direction until we get bit on pin p1.0.
Again go to step 3.
Stop.TESTING:-A) HARDWAREB) SOFTWAREA) Hardware:-1. Continuity test:- First of all we checked the PCB that all the tracks are as per the design of PCB and showing continuity with the help of multimeter and PCB layout.2. Short circuit test:- Then we checked the PCB for any unwanted short circuits with the help of multimeter and PCB layout.3. Soldering:- In the next step, we soldered the required components.and then checked that there are no any unwanted shorts occurred due to soldering without putting IC's and keeping power supply off. 4. Power supply test:- In the next step, we put power supply on and checked whether required voltage is appearing at the required voltage is appearing at the required points i.e.+Vcc and GND at the respective points.we took care of not connecting IC's in the circuit while performing this test. 5. Microcontroller test:- For testing the microcontroller, we wrote the square wave generation program for generating square wave on each port pin.Then we fed the program in microcontroller and checked the output with the help of CRO by connecting the microcontroller in the circuit. We took care of not connecting any other IC in the circuit. SOFTWARES USEDSOFTWARES USED : 1. DipTrace ROLE IN THE DESIGN: DipTrace 1.50 proved to be a very handy & easy-to-use tool for the PCB layout process. Many of its features were utilized leading to an accurate & efficient design. It has Design Error Check & Electrical Rule Check tools which proved to be helpful in the design. It is loaded with a huge component list that is categorized in various libraries for giving simplicity. Placement of components is also very easy & they can be rotated in 360⁰ to customize the design.
WORKING WITH DipTrace : 2. µVision Keil ROLE IN THE DESIGN: µVision Keil provides IDE for 8051 programming & is very easy to use. When starting a new project, simply select the microcontroller you use from the Device Database and the µVision IDE sets all Compiler, Assembler, Linker, and Memory options. It’s device database is large which supports many ICs of the 8051 family. A HEX file can be created with the help of Keil which is required for burning onto chip. It has a powerful debugging tool which detects most of the errors in the program.WORKING WITH µVision Keil :
 3. FlashMagicROLE IN THE DESIGN:Flash Magic is a PC tool for programming flash based microcontrollers from NXP using a serial or Ethernet protocol while in the target hardware.  It has some excellent features like changeable baud rate, erase all flash before programming, setting security bits etc. The HEX file created with the help of keil was selected through it for programming the microcontroller. WORKING WITH FlashMagic : APPLICATIONSAPPLICATIONS : This logic has been specially designed for vaccum cleaner. By using heavy rating motors ,strong mechanical structure and using highly sensitive obstacle sensors, it efficiently work as vaccum cleaner.
Just by making small changes in software this system can be used for avoiding concealed paths. This robot can effectively sense the obstacles and find out correct path.
With proper programming we can use it as a weight lifter.

Obstacle Avoiding Robot Report Robot23

  • 1.
    Obstacle Avoiding Robotcenter3048000 PROJECT REPORT OBSTACLE AVOIDING ROBOTSUBMITTED BY: NAME ROLL NO. SANDEEP BHOSALE 03 KALPESH CHHAJED 06 ABHIJEET KALBHOR 13 ABHIJEET KAPSE 15 GUIDED BYProf. Mr. Pravin Matte
  • 2.
    Department of Electronicsand Telecommunication
  • 3.
  • 4.
  • 5.
  • 6.
  • 7.
  • 8.
  • 9.
  • 10.
    This is to certify that
  • 11.
    SANDEEP BHOSALE KALPESH CHHAJED ABHIJEET KALBHOR ABHIJEET KAPSE Studying in year T.E. branch E&TC have satisfactorily completed the project work of OBSTACLE AVOIDING ROBOT topic in fulfillment of mini project in Electronic System Design & Mini Project during the academic year 2008-09.
  • 12.
    Project Guide H. O. D.
  • 13.
    Prof. Mr. PravinMatte Prof. Mr. Vijay Joshi
  • 14.
    Principal
  • 15.
    Dr. Mr. Dilip Shah
  • 16.
    ACKNOWLEDGEMENTWe feel profoundpleasure in bringing out this projects report for which we have to go from pillar to post to make it a reality. This project work reflects contributions of many people with whom we had long discussions and without which it would not have been possible. We must first of all, express our heartiest gratitude to respected Prof. Pravin Matte (Dept. of E&TC) for providing us all guidance to complete project. It would be unfair if we do not mention the invaluable contribution and timely co-operation extended to us by staff member of our department. And especially we can never forget the most worthy advices given by Col. Vijay Joshi (H.O.D., Dept of E&TC), that would help us the entire lifetime. Last but not the least we express our sincere thanks to the institute G.H.R.C.E.M., Wagholi, Pune for providing such a platform for implementing the ideas in our mind. INDEX Page No.1. PREFACE A) INTRODUCTION………………………………………………………..6 B) SCOPE OF PROJECT…………………………………………………..82. DESIGN OF THE PROJECT A) PRELIMINARY DESIGN i) BLOCK DIAGRAM………………………………………..10 ii) CIRCUIT DIAGRAM ……………………………………..12 iii) COMPONENT LIST………………………………………14B) PROBLEMS ENCOUNTERED…………………………………………..15 C) FINAL DESIGNi) PCB LAYOUT……………………………………………….17ii) CIRCUIT DESCRIPTION………………………………….19iii) ALGORITHM.………………………………………………20iv) TESTING…………………………………………………….21D) SOFTWARES USED……………………………………………………....23i) DipTrace (ii) µVision Keil (iii) FlashMagic3. SCOPE OF THE PROJECT 1.APPLICATIONS……………………………………………..272. FURTHER IMPROVEMENTS & FUTURE SCOPE……..29 4. BILL OF MATERIAL..................................................305. REFERENCES ..…………………………………….....32 INTRODUCTIONINTRODUCTION :Robotics is part of Todays communication. In today’s world ROBOTICS is fast growing and interesting field. It is simplest way for latest technology modification. Now a days communication is part of advancement of technology, so we decided to work on ROBOTICS field, and design something which will make human life simpler in day today aspect. Thus we are supporting this cause. This project is basic stage of any automatic robot. This ROBOT has sufficient intelligence to cover the maximum area of provided space. It has a infrared sensor which are used to sense the obstacles coming in between the path of ROBOT. It will move in a particular direction and avoid the obstacle which is coming in its path. We have used two D.C motors to give motion to the ROBOT. The construction of the ROBOT circuit is easy and small .The electronics parts used in the ROBOT circuits are easily available and cheap too.Scope of the project :The project uses µc P89V51RD2 as the controlling element. It uses IR (Infra Red) sensors and two IR transmitting circuitry. When the obstacle comes in path of robot IR beam is reflected from the obstacle then sensor gives zero voltage to µc. This zero voltage is detected then µc decides to avoid the obstacle by taking left or right turn. If the sensor gives +5v to µc that means there is no obstacle present in it path so it goes straight until any obstacle is detected.
  • 17.
    The two IRtransmitter circuits are fitted on front and left side of robot. The two IR sensors are placed near to transmitters’ IR LEDs. The connections can be given from main circuit to sensors using simple twisted pair cables.
  • 18.
    Two motors namelyright motor and left motor are connected to driver IC (L293D). L293D is interface with µc. Micro-controller sends logic 0 & logic 1 as per the programming to driver IC which moves motors forward or reverse direction. DESIGN OF pROJECTBLOCK DIAGRAM :DESCRIPTION:Basically circuit consist of following blocks:Sensors
  • 19.
  • 20.
  • 21.
    MotorsLet us takethe overview of each block one by one.IR Transmitter & Receiver
  • 22.
    The IR Transmitterblock mainly used to generate IR signal. It uses timer IC555 in astable multivibrator mode to generate square wave which have continuous pulses of 50% duty cycle of frequency 38 KHz. This transmitter is so arranged that the IR rays are focused on the sensor.
  • 23.
    IR sensor (TSOP1738) which gives normally 5v at output of it. After receiving infrared light at output of sensor we get 0v.
  • 24.
  • 25.
    This is themost important block of the system. Microcontroller is the decision making logical device which has its own memory, I/O ports, CPU and Clock circuit embedded on a single chip.
  • 26.
    DriverL293D is usedas driver IC. Motors are connected to this IC. According to program in µc it drives the left and right motor.CIRCUIT DIAGRAM (Reference) : TRANSMITTER :2. COMPONENTS USED:VALUE QUANTITY10K21k,33E,330E,100E28.2k,10K PULL UP11) RESISTORS :2)CAPACITOR: VALUE QUANTITY0.1,10,4.7122 P 2VALUE QUANTITY11.0592 MHz13) OSCILLATORS:VALUE QUANTITY89V51RD21L293D,7805 14)ICs:5) MISCELLANEOUS:COMPONENTQUANTITY6V ,200 RPM DC MOTOR 2ZENER DIODE, 5.6V3RESET SWITCH16V DC BATTERY2CONNECTING WIRES-PROBLEMS FACED : Although the concept & design of the project seemed perfect, there were some problems faced while actual implementation:Generation of exact 38Khz Frequency from IC 555 at Transmitter circuit.Solution : Use variable resistor pot in astable multivibrator. Connect IC 555’s output pin to C.R.O. & measure frequency pulses generated by IC 555.By varying the resistor pot we can adjust the frequency of output. Availability of Burner:Solution:as burner kit is not easily available, so we have design & implement hardware for burn the IC FINAL DESIGNFINAL DESIGN:1. PCB LAYOUT: TRANSMMITER :2. CIRCUIT DESCRIPTION: ELECTRICAL DESIGN:- Components are properly mount on respective position. This include wiring and layout. The connection are given such that two IC’s i.e. 89V51RD2 & L293D are interface. To L293D we connect two motors namely left motor & right motor. We implement transmitter circuit separately & gives power supply independentely. For power supply we use chargeable DC battery which having rating of 6V & 1.3A.Output pin of sensor(TSOP 1738) is connected to micro-controllers pin. MECHANICAL DESIGN:-It include front panel which is given with ball caster wheel which is fixed. Back panel is provided with circular wheel with DC motor of 12v and 100 rpm with suitable clip pin for fixing the tyre. All the assembly is fixed on base. All assembly mounted on single base. ALGORITHM-:Start
  • 27.
    Initialize the inputport & output port. Set the bit of port pin 1.0 Read data from port 1.
  • 28.
    Check the bit on pin P1.0.
  • 29.
    If bitis present move motors in forward direction. Else go to step 6. If bit is not present on pin P1.0, then stop right motor & move left motor in forward direction until we get bit on pin p1.0.
  • 30.
  • 31.
    Stop.TESTING:-A) HARDWAREB) SOFTWAREA) Hardware:-1. Continuity test:- First of all we checked the PCB that all the tracks are as per the design of PCB and showing continuity with the help of multimeter and PCB layout.2. Short circuit test:- Then we checked the PCB for any unwanted short circuits with the help of multimeter and PCB layout.3. Soldering:- In the next step, we soldered the required components.and then checked that there are no any unwanted shorts occurred due to soldering without putting IC's and keeping power supply off. 4. Power supply test:- In the next step, we put power supply on and checked whether required voltage is appearing at the required voltage is appearing at the required points i.e.+Vcc and GND at the respective points.we took care of not connecting IC's in the circuit while performing this test. 5. Microcontroller test:- For testing the microcontroller, we wrote the square wave generation program for generating square wave on each port pin.Then we fed the program in microcontroller and checked the output with the help of CRO by connecting the microcontroller in the circuit. We took care of not connecting any other IC in the circuit. SOFTWARES USEDSOFTWARES USED : 1. DipTrace ROLE IN THE DESIGN: DipTrace 1.50 proved to be a very handy & easy-to-use tool for the PCB layout process. Many of its features were utilized leading to an accurate & efficient design. It has Design Error Check & Electrical Rule Check tools which proved to be helpful in the design. It is loaded with a huge component list that is categorized in various libraries for giving simplicity. Placement of components is also very easy & they can be rotated in 360⁰ to customize the design.
  • 32.
    WORKING WITH DipTrace: 2. µVision Keil ROLE IN THE DESIGN: µVision Keil provides IDE for 8051 programming & is very easy to use. When starting a new project, simply select the microcontroller you use from the Device Database and the µVision IDE sets all Compiler, Assembler, Linker, and Memory options. It’s device database is large which supports many ICs of the 8051 family. A HEX file can be created with the help of Keil which is required for burning onto chip. It has a powerful debugging tool which detects most of the errors in the program.WORKING WITH µVision Keil :
  • 33.
    3.FlashMagicROLE IN THE DESIGN:Flash Magic is a PC tool for programming flash based microcontrollers from NXP using a serial or Ethernet protocol while in the target hardware.  It has some excellent features like changeable baud rate, erase all flash before programming, setting security bits etc. The HEX file created with the help of keil was selected through it for programming the microcontroller. WORKING WITH FlashMagic : APPLICATIONSAPPLICATIONS : This logic has been specially designed for vaccum cleaner. By using heavy rating motors ,strong mechanical structure and using highly sensitive obstacle sensors, it efficiently work as vaccum cleaner.
  • 34.
    Just by makingsmall changes in software this system can be used for avoiding concealed paths. This robot can effectively sense the obstacles and find out correct path.
  • 35.
    With proper programmingwe can use it as a weight lifter.
  • 36.
    In Mines.FURTHER IMROVEMENTS &FUTURE SCOPEFURTHER IMPROVEMENTS & FUTURE SCOPE :1. Adding a Camera: If the current project is interfaced with a camera (e.g. a Webcam) robot can be driven beyond line-of-sight & range becomes practically unlimited as networks have a very large range.2. Use as a fire fighting robot : By adding temperature sensor, water tank and making some changes in programming we can use this robot as fire fighting robot. BILL OF MATERIAL:-SR. NO. COMPONENTS QUANTITY AMOUNT1.Microcontroller [89V51RD2]185/-2.L293D170/-3.7805212/-4.TSOP17382155.TIL38210/-6.Q804155/-7.Motor2300/-8.PCB3200/-9.Battery1250/-10.Chassey1 75/- 11.Crystal Oscillator (11.059MHz)15/-12.Capacitor (4.7/63)2 4/-13.Capacitor(0.01,0.1,10)615/-14.Connector412/-15.Resistor box135/-16Transistor55/-17Tyres280/-18DMM1100/-1914 Pin Base14/-2040 Pin Base14/-21Screws2036/-22Ball caster130/-23Reset switch12/24Transformer(9V/1A)140/-Total1444/-REFERENCES REFERENCES: The 8051 Micro controller and Embedded systems. (pearson Education)By-M.A.MazidiWikipedia - The free encyclopedia
  • 37.
  • 38.
    http://www.instructabal.com/ 6.HYPERLINK \" http://www.alldatasheet.com/\" http://www.alldatasheet.com/ 7. http://www.datasheet4u.com/ 8.http://www.datasheetcatalog.com/Conclusion:- Thus, we believe that our project will be beneficial for various purposes & hence our efforts will be fruitful.