0% found this document useful (0 votes)
217 views18 pages

Temperature Controller Using Microcontroller - or - Arduino Presentation

The document outlines a project for an automatic temperature controller using a microcontroller and Arduino, detailing components such as a temperature sensor, microcontroller, ADC, display, and motor driver. It explains the working principle, applications, advantages, limitations, and future scopes of the system, emphasizing its potential for automation in various sectors. The conclusion highlights the effectiveness of the design in controlling room temperature with plans for future enhancements to increase functionality.

Uploaded by

Ayan Bhunia
Copyright
© © All Rights Reserved
We take content rights seriously. If you suspect this is your content, claim it here.
Available Formats
Download as PPTX, PDF, TXT or read online on Scribd
0% found this document useful (0 votes)
217 views18 pages

Temperature Controller Using Microcontroller - or - Arduino Presentation

The document outlines a project for an automatic temperature controller using a microcontroller and Arduino, detailing components such as a temperature sensor, microcontroller, ADC, display, and motor driver. It explains the working principle, applications, advantages, limitations, and future scopes of the system, emphasizing its potential for automation in various sectors. The conclusion highlights the effectiveness of the design in controlling room temperature with plans for future enhancements to increase functionality.

Uploaded by

Ayan Bhunia
Copyright
© © All Rights Reserved
We take content rights seriously. If you suspect this is your content, claim it here.
Available Formats
Download as PPTX, PDF, TXT or read online on Scribd
You are on page 1/ 18

TEMPERATURE CONTROLLER

USING
MICROCONTROLLER / ARDUINO
PROJECT PART 1 EC-782

PRESENTED BY :
I. ABHIJEET BORAL (01) UNDER THE GUIDANCE OF :
II. ARADHANA KUMARI (16) PROF. AMIT KUMAR NANDI
III. ARNAB BANERJEE (19)
IV. AYAN BHUNIA (26) DEPT. OF E.C.E.
V. AYANDU BHOWMIK (27) 11/28/2017 1
CONTENTS
 Introduction
 Components
 Temperature Sensor
 8051 Microcontroller
 Analog-to-Digital Converter
 Seven Segment Display
 Motor Driver
 Circuit Diagram
 Working Principle
 Applications
 Advantages and Disadvantages
 Future Scopes
 Conclusion
11/28/2017 2
 References
INTRODUCTION
 Automatic temperature sensor to control the temperature of any room.

 A microcontroller chip has been used to implement the idea of automatic


temperature control.

 Can be used in sectors of storage and automation.

11/28/2017 3
COMPONENTS

11/28/2017 4
TEMPERATURE SENSOR
 Temperature Sensor used here is LM35, which is a semiconductor based
sensor.
 The LM35’s low output impedance, linear output, and precise inherent
calibration make interfacing to readout or control circuitry especially easy.
 Advantage of LM35 is that it is linear i.e. 10mv/°C, which means for every
degree rise in temperature the output of LM35 will rise by 10mv.
 Rated for full -55°C to a 150°C range and operates from 4 to 30 volts.

11/28/2017 5
8051 MICROCONTROLLER
 The 8-bit microcontroller AT89C51 microcontroller of the 8051 family is used
here.
 It consists of 128 bytes of RAM, 16-bits of addresses, 16 bit timer/ counter-2,
6 interrupts, ROM- 4k bytes.
 Main function of the microcontroller is to analyze the temperature which is
sensed by the temperature sensor. Based on the temperature, the
microcontroller should change the speed of fan.

11/28/2017 6
ANALOG-TO-DIGITAL
CONVERTER
 The ADC0808 converter is used here, which has 8 analog inputs and 8 digital
outputs.
 It is a monolithic CMOS device, offers high speed, high accuracy, minimal
temperature dependence, excellent long-term accuracy and repeatability
and consumes minimal power.
 0V to 5V input range with single 5V power supply

11/28/2017 7
SEVEN SEGMENT DISPLAY
 A 7-segment display is a one kind of electronic display used for displaying
the decimal numerals.
 Here it is used in the Common Cathode (CC) display mode. All of the
cathodes of the segment LEDs are connected together.
 Its main function is to display the current temperature to the user.

11/28/2017 8
MOTOR DRIVER
 A motor driver IC is an integrated circuit chip which is usually used to control
motors.
 The L293D motor driver, belonging to the L293 family, is used here.
 These ICs are designed to control 2 DC motors simultaneously.
 L293D has 16 pins comprised of the following:
 Ground Pins – 4
 Input Pins – 4
 Output Pins – 4
 Enable pins - 2
 Voltage Pins – 2
11/28/2017 9
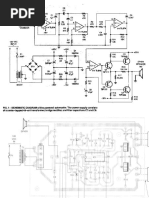
CIRCUIT DIAGRAM

11/28/2017 10
WORKING PRINCIPLE
 The fan speed can be monitored by the variation of temperature. Basic concept of this
project is to getting the temperature, displaying the temperature and temperature
change is reflected as vary in fan’s speed.
 Temperature sensor LM35 is interfaced with the 8051 microcontroller’s analog pin
because, temperature sensor changes temperature into voltage.
 Microcontroller controls the DC fan using the IC L293D motor control. This IC L293D is
a dual H-bridge motor driver used to control the speed and direction of DC motor.
 The proposed system is also provided with auto or manual switch which gives the
option to user to control the speed of fan.
 when the power supply is given to the entire circuit then the microcontroller reads the
surrounding temperature of fan. The analog value of the temperature is given by the
sensor and applied to the ADC pin of microcontroller.
 If the temperature is superior to the threshold value, then microcontroller sends a
signal to the controller to turn ON the motor. Thus fan starts rotating.

11/28/2017 11
APPLICATIONS
 Temperature Controlled DC Fan can be used to control the temperature of
devices, rooms, electronic components etc. by monitoring the temperature.
 The circuit can be used in CPU to reduce the heat.
 There can also be applications in the field of home automation, wherein a
room can be remotely controlled and its temperature monitored.
 The chemical industries, food storage houses and the medicine storage
facilities can also put this technology to use to maintain the temperature of
the rooms where critical products are stored.

11/28/2017 12
ADVANTAGES
 This technology will enable any person to maintain the temperature of a
particular place automatically without any manual changes.
 It is very cost efficient and easy to implement as the components are easily
available in any electronics store.
 Upon total completion of the project, we will also be able to control the
temperature remotely from our cell phones using an application.
 It can help to further reduce human involvement in autonomous sectors.

11/28/2017 13
LIMITATIONS
 The temperature range of the temperature sensor currently being used is
quite low, and hence the technology cannot be used in an industrial
environment.
 The setup currently in use is quite fragile in context to current and voltage
ratings.
 Currently, the required temperature has to be preset and there is no option
for the user to change it later on.
 There is no option of controlling the temperature remotely.

11/28/2017 14
FUTURE SCOPES
 Implementation of other peripherals as well such as a smoke detector and
alarm kit with connection to the sprinkler system and industrial grade
temperature sensor so as to increase the temperature sensing range.
 Implementation of a Bluetooth or a Wi-Fi module and development of an
android application to control the whole system, so as to make the project
more user-friendly and controllable.
 Replacement of the AT89C51 microcontroller with the Arduino Uno
microcontroller board which will increase the efficiency of the project and
also enable us to implement the bluetooth/wi-fi module.
 Implementation of a heater to

11/28/2017 15
CONCLUSION
 This presentation gives an overview of the design and construction of the
fan speed control system to control the room temperature.
 The temperature sensor was carefully chosen to gauge the room
temperature.
 the system which was designed in this work will perform very well, for any
temperature change and can be classified as automatic control.
 Working conditions of the setup is at room temperature as the temperature
range is low.
 Furthermore, changes in the future will make this project absolutely
autonomous, with the requirement of any manual interference.

11/28/2017 16
REFERENCES
 Vaibhav Bhatia and Pawan Whig, “A Secured Dual Tone Multi-frequency
Based Smart Elevator Control System," International Journal of Research in
Engineering and Advanced Technology, Volume 1, Issue 4, Aug-Sept,2013.
 IEEE Vehicle Power and Propulsion, Sept. 3-5 Harbin, China, 2008, pp. 1-6. I.
 S. Kwakyea and A. Baeumner ”An embedded system for portable
electrochemical detection", Sens. Actuat. B, vol. 123, no. 1, 2007, pp.336 -
343.
 Xiaodong Xia, Based on Single Chip Micro-computerRemote Wireless Control
System Design. Coal Mine Machinery, vol. 32 (8), 2011, pp. 202-204.
 Panagopoulos, C. Pavlatos and G. Papakonstantinou, "An Embedded
Microprocessor for Intelligent Control," Journal of Intelligent and Robotic
Systems. Springer Netherlands, vol. 42, 2005, pp. 179-211.
11/28/2017 17
THANK YOU
11/28/2017 18

You might also like