0% found this document useful (0 votes)
51 views4 pages

Design of CAN Bus Control Motor Based On STM32

The document discusses the design of a motor control system based on CAN bus technology, highlighting its advantages in terms of low cost and wide applicability in automation fields. It emphasizes the integration of advanced technologies for effective motor control and the challenges faced in current systems. The paper also outlines the potential applications of the proposed system in various industrial sectors.

Uploaded by

anaydk30
Copyright
© © All Rights Reserved
We take content rights seriously. If you suspect this is your content, claim it here.
Available Formats
Download as PDF, TXT or read online on Scribd
0% found this document useful (0 votes)
51 views4 pages

Design of CAN Bus Control Motor Based On STM32

The document discusses the design of a motor control system based on CAN bus technology, highlighting its advantages in terms of low cost and wide applicability in automation fields. It emphasizes the integration of advanced technologies for effective motor control and the challenges faced in current systems. The paper also outlines the potential applications of the proposed system in various industrial sectors.

Uploaded by

anaydk30
Copyright
© © All Rights Reserved
We take content rights seriously. If you suspect this is your content, claim it here.
Available Formats
Download as PDF, TXT or read online on Scribd
You are on page 1/ 4

2020 International Conference on Artificial Intelligence and Computer Engineering (ICAICE)

2020 International Conference on Artificial Intelligence and Computer Engineering (ICAICE) | 978-1-7281-9146-1/20/$31.00 ©2020 IEEE | DOI: 10.1109/ICAICE51518.2020.00013

'HVLJQRI&$1EXVFRQWUROPRWRUEDVHGRQ670

:$1*<LQJ ;8-LDRMLDR
-LOLQ,QVWLWXWHRI&KHPLFDO7HFKQRORJ\ -LOLQ,QVWLWXWHRI&KHPLFDO7HFKQRORJ\
&ROOHJHRILQIRUPDWLRQDQGFRQWUROHQJLQHHULQJ &ROOHJHRILQIRUPDWLRQDQGFRQWUROHQJLQHHULQJ
-,/LQ&KLQD -,/LQ&KLQD
 
/,84L *28<DR
-LOLQ,QVWLWXWHRI&KHPLFDO7HFKQRORJ\ -LOLQ,QVWLWXWHRI&KHPLFDO7HFKQRORJ\
&ROOHJHRILQIRUPDWLRQDQGFRQWUROHQJLQHHULQJ &ROOHJHRILQIRUPDWLRQDQGFRQWUROHQJLQHHULQJ
-,/LQ&KLQD -,/LQ&KLQD
 
/,%DRKXD =+$1*<H
-LOLQ,QVWLWXWHRI&KHPLFDO7HFKQRORJ\ -LOLQ,QVWLWXWHRI&KHPLFDO7HFKQRORJ\
&ROOHJHRILQIRUPDWLRQDQGFRQWUROHQJLQHHULQJ &ROOHJHRILQIRUPDWLRQDQGFRQWUROHQJLQHHULQJ
-,/LQ&KLQD -,/LQ&KLQD
 
$EVWUDFW²7KH WUDGLWLRQDO PHWKRG RI PRWRU FRQWURO KDV WKH 8VLQJ &$1 EXV WR FRQWURO WKH PRWRU FDQ EDVLFDOO\ VROYH WKH
GLVDGYDQWDJHV RI FRPSOH[ VWUXFWXUH ORZ FRQWURO SUHFLVLRQ DQG DERYHSUREOHPV>@
GLIILFXOWRSHUDWLRQ$WSUHVHQWFRQWUROOHUDUHDQHWZRUN &$1 EXV
LV ZLGHO\ XVHG LQ WKH DXWRPRWLYH ILHOG HVSHFLDOO\ LQ WKH PRWRU 6LQJOHFKLSPLFURFRPSXWHUKDVPDQ\SRZHUIXOIXQFWLRQVDQG
FRQWURO &$1 EXV KDV WKH DGYDQWDJHV RI ORZ FRVW DQG ZLGH LVDEUDQFKRIFRPSXWHUGHYHORSPHQW,WKDVPDQ\XVHVDQGKDV
DSSOLFDWLRQILHOGV,QYLHZRIWKLVDPHWKRGRI670&$1EXV EHHQ DSSOLHG LQ PDQ\ VFHQHV :LWK WKH UDSLG GHYHORSPHQW RI
FRQWUROPRWRULVSURSRVHG7KLVSDSHUPDLQO\LQFOXGHV0&8FORFN PRWRU VLQJOHFKLS PLFURFRPSXWHU DQG FRPSXWHU LQGXVWU\
FLUFXLW UHVHW FLUFXLW SRZHU PRGXOH FLUFXLW PRWRU FRQWUROOHU SHRSOH KDYH PRUH LQGHSWK XQGHUVWDQGLQJ RI HOHFWURQLF
PRGXOH FLUFXLW &$1 EXV LQWHUIDFH FLUFXLW 7KLV PHWKRG KDV WKH WHFKQRORJ\ LQWHOOLJHQFH DQG RWKHU FRQFHSWV 6LQJOH FKLS
DGYDQWDJHV RI VLPSOH FRQWURO VLPSOH RSHUDWLRQ DQG ZLGH PLFURFRPSXWHUFRQWUROWKURXJKEXVFRQWUROPRWRULVDOVRPRUH
DSSOLFDWLRQ  DQGPRUHDWWHQWLRQ>@7KHFRPELQDWLRQRI0&8DQGVHULDOSRUW
EXVDQGEXVDOVRKDVDZLGHUDQJHRIDSSOLFDWLRQV7KH
Keywords- motor; CAN bus; STM32 LQWHJUDWLRQ RI &$1 EXV DQG KLJKVSHHG VLQJOH FKLS
PLFURFRPSXWHU WHFKQRORJ\ ZLOO EH RQH RI WKH GHYHORSPHQW
, ,1752'8&7,21
WUHQGVRIGLVWULEXWHGFRQWUROV\VWHP
:LWKWKHUDSLGGHYHORSPHQWRILQIRUPDWLRQWHFKQRORJ\DQG
QHWZRUNWHFKQRORJ\&$1EXVLVPRUHDQGPRUHZLGHO\XVHGLQ ,, *(1(5$/6758&785( 
WKH ILHOG RI PRWRU GHVLJQ DQG DXWRPDWLRQ &RQWUROOHU DUHD 7KH RYHUDOO VWUXFWXUH RI &$1 EXV FRQWURO PRWRU EDVHG RQ
QHWZRUN &$1  LV D NLQG RI VHULDO FRPPXQLFDWLRQ QHWZRUN 670 LV VKRZQ LQ )LJXUH  7KH PRWRU FRQWURO LV PDLQO\
ZKLFK FDQ HIIHFWLYHO\ VXSSRUW UHDOWLPH FRQWURO GHYHORSHG E\ FRPSRVHG RI 0&8 670)  FORFN FLUFXLW UHVHW FLUFXLW
%RVFK &RPSDQ\ RI *HUPDQ\ ,W KDV WKH RXWVWDQGLQJ SRZHUPRGXOHFLUFXLWPRWRUFRQWUROOHUPRGXOHFLUFXLW&$1EXV
FKDUDFWHULVWLFVRIUHOLDELOLW\UHDOWLPHDQGKLJKFRVWSHUIRUPDQFH LQWHUIDFHFLUFXLW-7$*6:'GHEXJJLQJLQWHUIDFHFLUFXLWHWF 
DQG KDV EHFRPH WKH VWDQGDUG FRPPXQLFDWLRQ SURWRFRO >@
0RWRUV DUH XVHG LQ PDQ\ SDUWV RI DXWRPRELOHV DQG LQGXVWULDO 7KH0&8RIWKLVGHVLJQXVHVWKHHQKDQFHGVWPI]HW
URERWV VXFK DV GRRU PRWRUV ZLSHU PRWRUV UHDUYLHZ PLUURU 0&8 ZLWK  SLQV 7KH PLQLPXP V\VWHP RI VWPI]HW
PRWRUV DQG VN\OLJKW PRWRUV 0RUH DQG PRUH UHVHDUFKHUV RI 0&8LVFRPSRVHGRIFORFNFLUFXLWDQGUHVHWFLUFXLW7KHSRZHU
DXWRPRWLYHFRQWUROWHFKQRORJ\ZLOOEHFRPHDQLPSRUWDQWWUHQG PRGXOH SURYLGHV SRZHU IRU 0&8 DQG PRWRU GULYH FLUFXLW WR
LQ DXWRPRWLYH WHFKQRORJ\ UHVHDUFK 7UDGLWLRQDO PRWRU FRQWURO HQVXUHQRUPDORSHUDWLRQ7KHFRPPXQLFDWLRQPRGHRI&$1EXV
KDV VRPH SUREOHPV VXFK DV SRRU RSHUDELOLW\ FRPSOH[ ILHOG EHWZHHQ 0&8 DQG PRWRU LV XVHG WR FRQWURO WKH RSHUDWLRQ RI
ZLULQJ ORZ UHOLDELOLW\ SRRU QHWZRUN FRPPXQLFDWLRQ DELOLW\ PRWRU

978-1-7281-9146-1/20/$31.00 ©2020 IEEE 37


DOI 10.1109/ICAICE51518.2020.00013
Authorized licensed use limited to: R V College of Engineering. Downloaded on March 07,2025 at 17:28:26 UTC from IEEE Xplore. Restrictions apply.
WŽǁĞƌĐŝƌĐƵŝƚ

ĂŶďƵƐ
^dDϯϮ&ϭϬϯdϲ
:d'ͬ^tĐŝƌĐƵŝƚ DŽƚŽƌĐŽŶƚƌŽůůĞƌ DŽƚŽƌ
Dh

ůŽĐŬ ZĞƐĞƚ
ĐŝƌĐƵŝƚ ĐŝƌĐƵŝƚ

)LJXUH *HQHUDOVWUXFWXUH

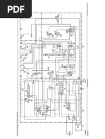
,,, &,5&8,7'(6,*1  6WPI]HWPLFURFRQWUROOHULVVHOHFWHGDVWKHFRUHFKLS


RIPRWRUFRQWUROZKLFKLVDQHQKDQFHGFKLSZLWKVWDEOHFRQWURO
A. Minimum system circuit 7KHPLQLPXPV\VWHPFLUFXLWLVVKRZQLQ)LJXUH
8
 
3$:.8386$57B&76$'&B,17,0B&+7,0B&+B(757,0B(75 1&

3$86$57B576$'&B,17,0B&+7,0B&+
 
3$86$57B7;$'&B,17,0B&+7,0B&+ 3(7,0B(75)60&B1%/
 
3$86$57B5;$'&B,17,0B&+7,0B&+ 3()60&B1%/
 
3$63,B166'$&B28786$57B&.$'&B,1 3(75$&(&.)60&B$
 
3$63,B6&.'$&B287$'&B,1 3(75$&(')60&B$
 
3$63,B0,627,0B%.,1$'&B,17,0B&+ 3(75$&(')60&B$
 
3$63,B026,7,0B&+1$'&B,17,0B&+ 3(75$&(')60&B$
 
3$86$57B&.7,0B&+0&2 3(75$&(')60&B$
 
3$86$57B7;7,0B&+ 3()60&B'
 
3$86$57B5;7,0B&+ 3()60&B'
&$1B5; 3$  
3$86$57B&76&$1B5;7,0B&+86%'0 3()60&B'
&$1B7; 3$  
3$86$57B576&$1B7;7,0B(7586%'3 3()60&B'
-706  
3$-706B6:',2 3()60&B'
-7&.  
3$-7&.B6:&/. 3()60&B'
-7',  
3$-7',63,B166,6B:6 3()60&B'

3()60&B'
 
3%$'&B,17,0B&+7,0B&+1 3()60&B'

3%$'&B,17,0B&+7,0B&+1
 
3%%227 3))60&B$
-7'2  
3%-7'275$&(6:263,B6&.,6B&. 3))60&B$
-7567  
3%-1756763,B0,62 3))60&B$
 
3%,&B60%$,63,B026,,6B6' 3))60&B$
 
3%,&B6&/7,0B&+ 3))60&B$
 
3%,&B6'$)60&B1$'97,0B&+ 3))60&B$
 
3%7,0B&+6',2B' 3)$'&B,1)60&B1,25'
 
3%7,0B&+6',2B' 3)$'&B,1)60&B15(*
 
3%,&B6&/86$57B7; 3)$'&B,1)60&B1,2:5
 
3%,&B6'$86$57B5; 3)$'&B,1)60&B&'
 
3%63,B166,6B:6,&B60%$,86$57B&.7,0%.,1 3)$'&B,1)60&B,175
  < 0+]
3%63,B6&.,6B&.86$57B&767,0B&+1 3))60&B1,26
  26&B,1   26&B287
3%63,B0,6286$57B5767,0B&+1 3))60&B$
 
3%63,B026,,6B6'7,0B&+1 3))60&B$
 5
3))60&B$
  & 0 &
3&$'&B,1 3))60&B$

3&$'&B,1
   
3&$'&B,1 3*)60&B$
 
3&$'&B,1 3*)60&B$
 
3&$'&B,1 3*)60&B$
  *1'
3&$'&B,1 3*)60&B$
 
3&,6B0&.7,0B&+6',2B' 3*)60&B$
 
3&,6B0&.7,0B&+6',2B' 3*)60&B$
  9
3&7,0B&+6',2B' 3*)60&B,17
 
3&7,0B&+6',2B' 3*)60&B,17
 
3&8$57B7;6',2B' 3*
  5
3&8$57B5;6',2B' 3*)60&B1()60&B1&(
  . 5(6(7
3&8$57B7;6',2B&. 3*)60&B1&(B)60&B1(
  5(6(7
3&7$03(557& 3*)60&B1&(B
 
3&26&B,1 3*)60&B1(
 
3&26&B287 3*)60&B$
 & 
3*)60&B$
 
3')60&B' 3*
 *1'
3')60&B'
 
3'7,0B(758$57B5;6',2B&0' 9%$7

3')60&B&/.
  26&B,1
3')60&B12( 26&B,1

3')60&B1:(
  26&B287
3')60&B1:$,7 26&B287

3')60&B1()60&B1&(
  5(6(7
3')60&B' 1567

3')60&B'
  9''$
3')60&B' 9UHI

3')60&B$
 
3')60&B$ 9UHI *1'
 9''$ 9
3')60&B$ 5
 
3')60&B' 9''$
 & & 5
3')60&B'

966$
  
%227
966
966
966
966
966
966
966
966
966
966
966

9''
9''
9''
9''
9''
9''
9''
9''
9''
9''
9''

670)=(7
9
*1'

























*1'

9

& & & & & & & & & & &

          

*1'

)LJXUH 0LQLPXPV\VWHPFLUFXLW

B. Power circuit SRZHUVXSSO\YROWDJHRIWKHVLQJOHFKLSPLFURFRPSXWHULV9


DQGWKHYROWDJHRIWKHPRWRULV97KHUHIRUHWKHSRZHUVXSSO\
7KH SRZHU VXSSO\ FLUFXLW LV WKH NH\ RI WKH ZKROH GHVLJQ FLUFXLWVRI9DQG9DUHGHVLJQHGWRHQVXUHWKHFRQWURORI
ZKLFKSURYLGHVWKHZRUNLQJYROWDJHIRUWKHZKROHFLUFXLW7KH WKHPRWRU7KHSRZHUVXSSO\FLUFXLWLVVKRZQLQ)LJXUH

38

Authorized licensed use limited to: R V College of Engineering. Downloaded on March 07,2025 at 17:28:26 UTC from IEEE Xplore. Restrictions apply.

)LJXUH 3RZHUFLUFXLW

C. CAN bus interface circuit WKLV GHVLJQ 7-$ LV VHOHFWHG DV WKH OHYHO FRQYHUVLRQ FKLS
DQG D  RKP UHVLVWRU LV XVHG DV WKH WHUPLQDO PDWFKLQJ
6700&8FDQQRWGLUHFWO\UHFHLYHWKHOHYHOWUDQVPLWWHG UHVLVWDQFH WR UHGXFH HFKR UHIOHFWLRQ >@ &$1 EXV LQWHUIDFH
E\&$1EXVVRLWQHHGVDQH[WHUQDOOHYHOFRQYHUVLRQFKLS,Q FLUFXLWLVVKRZQLQ)LJXUH


)LJXUH &$1EXVLQWHUIDFHFLUFXLW

D. Motor controller module circuit FLUFXLW>@7KHPRWRUDQGWKHPRWRUFRQWUROOHUDUHFRQQHFWHGE\


WKHLQWHUQDOLQWHJUDWHGFLUFXLWDQGWKHVLQJOHFKLSPLFURFRPSXWHU
7KHPRWRUFRQWUROOHUPRGXOHLVPDLQO\FRPSRVHGRI&$1+ FDQ FRQWURO WKH RSHUDWLRQ RI WKH PRWRU E\ VHQGLQJ FRQWURO
&$1/ 9&& DQG *1' &$1+ DQG &$1/ DUH UHVSHFWLYHO\ LQVWUXFWLRQV 7KH PRWRU FRQWUROOHU PRGXOH FLUFXLW LV VKRZQ LQ
FRQQHFWHG ZLWK &$1+ DQG &$1/ IURP &$1 EXV LQWHUIDFH )LJXUH


)LJXUH 0RWRUFRQWUROOHUPRGXOHFLUFXLW

E. JTAG / SWD debugging interface circuit GRZQORDGHUDQGGRZQORDGHGWRWKHVLQJOHFKLSPLFURFRPSXWHU


-7567 5(6(7 -7', -7'2 -706 DQG -7&. LQ 3 DUH
-7$*  6:' GHEXJJLQJ LQWHUIDFH FLUFXLW LV WKH EULGJH FRQQHFWHG ZLWK FRUUHVSRQGLQJ SLQV RI 0&8 -7$*  6:'
EHWZHHQ VRIWZDUH DQG KDUGZDUH 7KH FRPSLOHG SURJUDP LV GHEXJJLQJLQWHUIDFHFLUFXLWLVVKRZQLQ)LJXUH
FRQQHFWHG WR WKH VLPSOH KRUQ EDVH RI S WKURXJK WKH

39

Authorized licensed use limited to: R V College of Engineering. Downloaded on March 07,2025 at 17:28:26 UTC from IEEE Xplore. Restrictions apply.

)LJXUH -7$*6:'GHEXJJLQJLQWHUIDFHFLUFXLW

,9 3+<6,&$/3,&785( 5()(5(1&(6


7KHPRWRUZLWKEXVFRQWUROLVFRQQHFWHGZLWKWKH&$1EXV >@ /L&KHQ-LDR-L\H1LX<XPHQJ5HVHDUFKDQGGHVLJQRIYHKLFOHFDQEXV
FRQWUROOHU>-@&RPSXWHUDQGGLJLWDOHQJLQHHULQJ  
RIVLQJOHFKLSPLFURFRPSXWHU7KHVLQJOHFKLSPLFURFRPSXWHU
>@ =HQJ:X<DQJ:HLZHL\XDQ;LRQJELQJ'HVLJQRIVHUYRPRWRUFRQWURO
VHQGVFRQWUROLQVWUXFWLRQVWRWKHPRWRUDQGWKHPRWRUZLOODFW V\VWHP EDVHG RQ &$1 EXV >-@ &RPSXWHU WHFKQRORJ\ DQG DXWRPDWLRQ
DFFRUGLQJO\ $IWHU WKH 86% WR FDQ PRGXOH LV FRQQHFWHG ZLWK   
&$1EXVFLUFXLWRSHQ=KRX/LJRQJFDQWHVWVRIWZDUHWRPRQLWRU >@ =KDR-XDQSLQJ:DQJ+XL]KHQ=KRX;L<DR;LQKDL'HVLJQRI'&PRWRU
WKHVHQGLQJDQGUHFHLYLQJVWDWXVRIPHVVDJHVDQGPRQLWRUWKH VSHHGFRQWUROV\VWHP>-@(OHFWURQLFWHVW  
VWDWXVRIWKHEXVLQUHDOWLPH$FFRUGLQJWRWKHIHHGEDFNYDOXHRI >@ *XR<L 0HQJ /LQJNDQJ =KRQJ<XKXL 'RQJ +DQ -LQ +XL 'HVLJQ RI
WKH VRIWZDUH WKH VSHHG RI WKH PRWRU FDQ EH NQRZQ DQG WKH LQWHOOLJHQWYHKLFOHFRQWUROV\VWHPEDVHGRQ&$1EXV>-@&RPSXWHUDQG
DFWLRQRIWKHPRWRUFDQEHFRQWUROOHGLQUHDOWLPH=KRX/LJRQJ LQIRUPDWLRQWHFKQRORJ\   
FDQWHVW VRIWZDUH GLVSOD\V WKH WUDQVPLVVLRQ GLUHFWLRQ WLPH >@ 'X)HL'HVLJQ DQG DSSOLFDWLRQRI DXWRPRELOHFDQ EXVQHWZRUN FRQWURO
V\VWHP>'@6KLMLD]KXDQJ5DLOZD\8QLYHUVLW\
LGHQWLILFDWLRQ DQG IUDPH IRUPDW RI WKH PHVVDJH 7KH SK\VLFDO
ILJXUHLVVKRZQLQ)LJXUH  



)LJXUH 3K\VLFDOSLFWXUH

9 &21&/86,21
670 &$1 EXV FRQWURO PRWRU V\VWHP PDLQO\ LQFOXGHV
SRZHUPRGXOHFLUFXLWPRWRUFRQWUROOHUPRGXOHFLUFXLW&$1EXV
LQWHUIDFH FLUFXLW -7$*  6:' GHEXJJLQJ LQWHUIDFH FLUFXLW
8VLQJ &$1 EXV WR FRQWURO WKH PRWRU JUHDWO\ LPSURYHV WKH
DFFXUDF\RIPRWRURSHUDWLRQDQGWKHVLPSOLFLW\RIRSHUDWLRQDQG
LPSURYHVWKHVWDELOLW\DQGUDSLGLW\RIWKHZKROHFRQWUROSURFHVV
$&.12:/('*0(17
7KLV ZRUN ZDV VXSSRUWHG E\ 6FLHQWLILF UHVHDUFK SURMHFW RI
-LOLQ ,QVWLWXWH RI &KHPLFDO 7HFKQRORJ\   DQG -LOLQ
6FLHQFH DQG WHFKQRORJ\ GHYHORSPHQW SODQ SURMHFW
 

40

Authorized licensed use limited to: R V College of Engineering. Downloaded on March 07,2025 at 17:28:26 UTC from IEEE Xplore. Restrictions apply.

You might also like