67% found this document useful (3 votes)
523 views5 pages

MATLAB-Based Color Sensing Robot

This document describes a color sensing robot controlled by MATLAB. Images taken by a camera are processed in MATLAB to detect the position of a red object. Based on the object's position, different data is sent via RF module to control the robot's movement. The robot system uses a PIC microcontroller, motor driver, RF transmitter/receiver, and encoder/decoder ICs. It was designed, implemented and tested successfully to control a robot's response to different object movements. Some improvements could include obstacle avoidance capabilities. This type of system could be useful for industrial automation, object sorting, and military applications.

Uploaded by

waqas
Copyright
© © All Rights Reserved
We take content rights seriously. If you suspect this is your content, claim it here.
Available Formats
Download as PDF, TXT or read online on Scribd
67% found this document useful (3 votes)
523 views5 pages

MATLAB-Based Color Sensing Robot

This document describes a color sensing robot controlled by MATLAB. Images taken by a camera are processed in MATLAB to detect the position of a red object. Based on the object's position, different data is sent via RF module to control the robot's movement. The robot system uses a PIC microcontroller, motor driver, RF transmitter/receiver, and encoder/decoder ICs. It was designed, implemented and tested successfully to control a robot's response to different object movements. Some improvements could include obstacle avoidance capabilities. This type of system could be useful for industrial automation, object sorting, and military applications.

Uploaded by

waqas
Copyright
© © All Rights Reserved
We take content rights seriously. If you suspect this is your content, claim it here.
Available Formats
Download as PDF, TXT or read online on Scribd
You are on page 1/ 5

International Journal of Modern Trends in Engineering

and Research
www.ijmter.com
e-ISSN No.:2349-9745, Date: 28-30 April, 2016

MATLAB CONTROLLING COLOUR SENSING ROBOT


Dhiraj S.Dhondage1,Kiran N.Nikam2, Tejashri P. Suryawanshi3,Dr. V. A. Wankhede4
1
E&TC, SNJB’S KBJ college of Engineering, Chandwad,dhirajdhondage333@gmail.com
2
E&TC,SNJB’S KBJ college of Engineering, Chandwad, nikam.kiran94@gmail.com
3
E&TC,SNJB’S KBJ college of Engineering, Chandwad, tejashri.s94@gmail.com
4
E&TC,SNJB’S KBJ college of Engineering, Chandwad,wankhedeva@gmail.com
Dr. Abhay E .Wagh Director ,MSBTE ,Mumbai

Abstract- Design an electronic system for direction control of robot through motion sensing object
.This direction control would be kernelled by GUI / sequential program of matlab. The application of
the colour detection technique using MATLAB algorithms, to control the state of the output pins of
an PIC 18F4520 microcontroller and also to control the movements of an „ROBOT‟
Presented here is a MATLAB-based project where images taken by the camera are processed for
colours and the position of a red-coloured object is extracted out of the image. Based on the position
of the red coloured object in the image, different data are sent via „RF‟ module. The serial data are
received by the robot and corresponding movement is done.
Keywords- PIC microcontroller 18f4520, Max RS 232, Motor Driver IC L293D, DC Motor,
Encoding IC (HT12E), RF transmitter and receiver Module, Matlab software

I. INTRODUCTION
Design an electronic system for direction control of robot through motion sensing object .This
direction control would be kernelled by GUI / sequential program of matlab. The application of the
colour detection technique using MATLAB algorithms, to control the state of the output pins of an
sPIC 18F4520 microcontroller and also to control the movements of an „ROBOT‟
A camera is one of the most powerful and accurate sensors if you know how to process the images
taken by it for the information you want. You can process subsequent images and extract a variety of
information using image-processing techniques. MATLAB is a very powerful tool and plays an
important role in image processing. Image processing is converting an image into digital form and
performing some mathematical operations on it, in order to get an enhanced image or to extract some
useful information out of it.
Presented here is a MATLAB-based project where images taken by the camera are processed for
colours and the position of a red-coloured object is extracted out of the image. Based on the position
of the red coloured object in the image, different data are sent via „RF‟ module. The serial data are
received by the robot and corresponding movement is done. You can change the code for any colour
that you find suitable. This project is just an example and you can use this for various industrial
applications such as controlling heavy load-lifting machines with some object of a specific colour in
your hand
present in image processing tool box, to detect the centroid of a particular coloured image, and
the change of the centroid co-ordinates will be detected, which will be applied to generate
different commands. These commands would be fed to an PIC microcontroller to change the
states of its output pins, and, to control the movement of an ROBOT in a particular direction.
The main algorithm that is implemented is very simple and robust.

@IJMTER-2016, All rights Reserved


International Journal of Modern Trends in Engineering and Research (IJMTER)
Volume 3, Issue 4, [April 2016] Special Issue of ICRTET’2016
A camera takes continuous snapshots and a particular coloured region (predefined by user) of
the images are bounded by a box. Then an algorithm is written that will sense the movement of
the coloured box and generate different commands, each command corresponds to movements
in a particular direction of an ROBOT (that is fed wirelessly to the robot) or state change of
certain output pins of an PIC microcontroller.

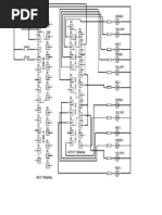
II. BLOCK DIAGRAM

Figure.1: Block Diagram Of Transmitter Side

Figure.2:Block Diagram Of Receiver Section

@IJMTER-2016, All rights Reserved 782


International Journal of Modern Trends in Engineering and Research (IJMTER)
Volume 3, Issue 4, [April 2016] Special Issue of ICRTET’2016
2.1. PIC microcontroller (18f4520):-
 New Core Features
• Alternate Run Modes: By clocking the controller from the Timer1 source or the internal oscillator
block, power consumption during code execution can be reduced by as much as 90%.
• Multiple Idle Modes: The controller can also run with its CPU core disabled but the peripherals
still active. In these states, power consumption can be reduced even further, to as little as 4% of
normal operation requirements.
• Self-programmability: These devices can write to their own program memory spaces under
internal software control. By using a boot loader routine located in the protected Boot Block at the
top of program memory, it becomes possible to create an application that can update itself in the
field.
10-bit A/D Converter: This module incorporates programmable acquisition time, allowing for a
channel to be selected and a conversion to be initiated without waiting for a sampling period and
thus, reduce code overhead.
2.2.Motor driver IC:
The L293 and L293D are quadruple high-current half-H drivers. The L293 is
designed to provide bidirectional drive currents of up to 1 A at voltages from 4.5 V to 36 V.
The L293D is designed to provide bidirectional drive currents of up to 600-mA at voltages
from 4.5 V to 36 V

 Features of L293D :-
 600-mA Output Current Capability Per Driver
 Wide Supply Voltage Range 4.5 V to 36 V
 Separate Input-Logic Supply
 High-Noise-Immunity Inputs

2.3 RF transmitter and receiver module:-


An RF module (radio frequency module) is a (usually) small electronic device used to transmit
and/or receive radio signals between two devices. In an embedded system it is often desirable to
communicate with another device wirelessly. This wireless communication may be accomplished
through optical communication or through radio frequency (RF) communication. For many
applications the medium of choice is RF since it does not require line of sight. RF communications
incorporate a transmitter and/or receiver.
RF modules are widely used in electronic design owing to the difficulty of designing radio circuitry.
Good electronic radio design is notoriously complex because of the sensitivity of radio circuits and
the accuracy of components and layouts required to achieve operation on a specific frequency. In
addition, reliable RF communication circuit requires careful monitoring of the manufacturing process
to ensure that the RF performance is not adversely affected. Finally, radio circuits are usually subject
to limits on radiated emissions, and require Conformance testing and certification by a
standardization organization such as ETSI or the U.S. Federal Communications Commission (FCC).
2.4 Encoder And Decoder ic (HT12e&d):-
The 212 encoders are a series of CMOS LSIs for remote control system applications. They are
capable of encoding information which consists of N address bits and 12_N data bits. Each address/
data input can be set to one of the two logic states. The programmed addresses/data are transmitted
together with the header bits via an RF or an infrared transmission medium upon receipt of a trigger
signal. The capability to select a TE trigger on the HT12E or a DATA trigger on the HT12A further

@IJMTER-2016, All rights Reserved 783


International Journal of Modern Trends in Engineering and Research (IJMTER)
Volume 3, Issue 4, [April 2016] Special Issue of ICRTET’2016
enhances the application flexibility of the 212 series of encoders. The HT12A additionally provides a
38kHz carrier for infrared systems.
III. UTILITIES
1.In industrial automation
2.For object sorting
3.In military application

IV. CONCLUSION
The project is designed, implemented and tested successfully. The response of system to different
object movements was satisfactory. Still some advancement can be included to for system to
improve performance. Obstacle avoidance mechanisms can be included. This can be done by sensing
the back ground images and processing it properly. Different active sensors such as infrared sensors
and supersonic sensors are employed to measure the range in real time between the obstacles and
robot. A mobile robot with various types on sensors via ubiquitous networks can be introduced. A
mobile robot composed on TCP/IP network, wireless camera and several sensors in an environment
can be constructed ,and show obstacle avoidance and object tracking methods necessary with
providing diverse services desired by the people.

REFERENCES
[1]International Journal of Innovative Research in Computer and Communication Engineering 2007 Certified
Organization B. Tech. Student, Department of Electronics and Communication Engineering Mar Athanasius College of
Engineering, Kothamangalam, Kerala, India.
[2]International Journal of Emerging Technology and Advanced Engineering ISO 9001:2008 Certified Journal Sree
Buddha College of Engineering for Women, Kerala,India 3Asst.Prof, Department of Electronics and Communication,
SBCEW, Kerala, India
[3]Department of Electrical and Electronics Engineering, West Bengal University of Technology, Kolkata, WB, India
,International Journal of Scientific and Research Publications, Volume 4, Issue 1, January 2014
[4]Jaison Varghese John, P.Balashankar and Muhammad T M Nadeer. “Pick and Place Colour Sensing Robot”. IJCA
Proceedings on International Conference on VLSI, Communications and Instrumentation ,(ICVCI) (1):6–9, 2011.)

@IJMTER-2016, All rights Reserved 784

You might also like