MODBUS®/TCP PROTOCOL GUIDE
For use with:
 groov EPIC Processors
 SNAP PAC R-Series Controllers
 SNAP PAC S-Series Controllers
 SNAP PAC EB Brains
 OPTOEMU Sensors
 SNAP Ethernet I/O Units
 SNAP Simple I/O Units
 SNAP Ultimate I/O Units
 E1 I/O Units
 E2 I/O Units
 G4EB2/G4D32EB2 Brains
 Form 1678-180717—July 2018
 43044 Business Park Drive • Temecula • CA 92590-3614
 Phone: 800-321-OPTO (6786) or 951-695-3000
 Fax: 800-832-OPTO (6786) or 951-695-2712
 www.opto22.com
 Product Support Services
 800-TEK-OPTO (835-6786) or 951-695-3080
 Fax: 951-695-3017
 Email: support@opto22.com
 Web: support.opto22.com
 Modbus/TCP Protocol Guide
 Form 1678-180717—July 2018
 Copyright © 2007–2018 Opto 22.
 All rights reserved.
 Printed in the United States of America.
 The information in this manual has been checked carefully and is believed to be accurate; however, Opto 22 assumes no
 responsibility for possible inaccuracies or omissions. Specifications are subject to change without notice.
 Opto 22 warrants all of its products to be free from defects in material or workmanship for 30 months from the
 manufacturing date code. This warranty is limited to the original cost of the unit only and does not cover installation, labor,
 or any other contingent costs. Opto 22 I/O modules and solid-state relays with date codes of 1/96 or newer are guaranteed
 for life. This lifetime warranty excludes reed relay, SNAP serial communication modules, SNAP PID modules, and modules
 that contain mechanical contacts or switches. Opto 22 does not warrant any product, components, or parts not
 manufactured by Opto 22; for these items, the warranty from the original manufacturer applies. Refer to Opto 22 form
 1042 for complete warranty information.
 Wired+Wireless controllers and brains are licensed under one or more of the following patents: U.S. Patent No(s). 5282222,
 RE37802, 6963617; Canadian Patent No. 2064975; European Patent No. 1142245; French Patent No. 1142245; British Patent
 No. 1142245; Japanese Patent No. 2002535925A; German Patent No. 60011224.
 Opto 22 FactoryFloor, groov, groov EPIC, Optomux, and Pamux are registered trademarks of Opto 22. Generation 4, groov
 Server, ioControl, ioDisplay, ioManager, ioProject, ioUtilities, mistic, Nvio, Nvio.net Web Portal, OptoConnect, OptoControl,
 OptoDataLink, OptoDisplay, OptoEMU, OptoEMU Sensor, OptoEMU Server, OptoOPCServer, OptoScript, OptoServer,
 OptoTerminal, OptoUtilities, PAC Control, PAC Display, PAC Manager, PAC Project, PAC Project Basic, PAC Project Professional,
 SNAP Ethernet I/O, SNAP I/O, SNAP OEM I/O, SNAP PAC System, SNAP Simple I/O, SNAP Ultimate I/O, and Wired+Wireless
 are trademarks of Opto 22.
 ActiveX, JScript, Microsoft, MS-DOS, VBScript, Visual Basic, Visual C++, Windows, and Windows Vista are either registered
 trademarks or trademarks of Microsoft Corporation in the United States and other countries. Linux is a registered
 trademark of Linus Torvalds. ARCNET is a registered trademark of Datapoint Corporation. Modbus is a registered trademark
 of Schneider Electric, licensed to the Modbus Organization, Inc. Wiegand is a registered trademark of Sensor Engineering
 Corporation. Allen-Bradley, CompactLogix, ControlLogix, MicroLogix, SLC, and RSLogix are either registered trademarks or
 trademarks of Rockwell Automation. CIP and EtherNet/IP are trademarks of ODVA. Raspberry Pi is a trademark of the
 Raspberry Pi Foundation. The registered trademark Ignition by Inductive Automation® is owned by Inductive Automation
 and is registered in the United States and may be pending or registered in other countries.
 groov includes software developed by the OpenSSL Project for use in the OpenSSL Toolkit. (http://www.openssl.org)
 All other brand or product names are trademarks or registered trademarks of their respective companies or organizations.
 Opto 22
 Automation Made Simple.
ii Modbus/TCP Protocol Guide
Table of Contents
 Chapter 1: Introduction . . . . . . . . . . . . . . . . . . . . . . . . . . . . . . . . . . . . . . . . . . . . . . . . . . . . . . . . .1
 About This Guide . . . . . . . . . . . . . . . . . . . . . . . . . . . . . . . . . . . . . . . . . . . . . . . . . . . . . . . . . . . . . . . . . . . . . . . . . . . . . . . . . . 1
 Notes on Specific Products . . . . . . . . . . . . . . . . . . . . . . . . . . . . . . . . . . . . . . . . . . . . . . . . . . . . . . . . . . . . . . . . . . . . 1
 Before You Begin . . . . . . . . . . . . . . . . . . . . . . . . . . . . . . . . . . . . . . . . . . . . . . . . . . . . . . . . . . . . . . . . . . . . . . . . . . . . . 2
 Contents . . . . . . . . . . . . . . . . . . . . . . . . . . . . . . . . . . . . . . . . . . . . . . . . . . . . . . . . . . . . . . . . . . . . . . . . . . . . . . . . . . . . . 2
 Other Guides You May Need . . . . . . . . . . . . . . . . . . . . . . . . . . . . . . . . . . . . . . . . . . . . . . . . . . . . . . . . . . . . . . . . . . 2
 For Help . . . . . . . . . . . . . . . . . . . . . . . . . . . . . . . . . . . . . . . . . . . . . . . . . . . . . . . . . . . . . . . . . . . . . . . . . . . . . . . . . . . . . . . . . . . 3
 About Opto 22 Devices. . . . . . . . . . . . . . . . . . . . . . . . . . . . . . . . . . . . . . . . . . . . . . . . . . . . . . . . . . . . . . . . . . . . . . . . . . . . . 3
 Opto 22 Devices as Modbus Master . . . . . . . . . . . . . . . . . . . . . . . . . . . . . . . . . . . . . . . . . . . . . . . . . . . . . . . . . . . . 4
 Communication Example . . . . . . . . . . . . . . . . . . . . . . . . . . . . . . . . . . . . . . . . . . . . . . . . . . . . . . . . . . . . . . . . . . . . . 4
 Overview of Modbus Communication. . . . . . . . . . . . . . . . . . . . . . . . . . . . . . . . . . . . . . . . . . . . . . . . . . . . . . . . . . . . . . . 5
 Understanding Opto 22 and Modbus Differences . . . . . . . . . . . . . . . . . . . . . . . . . . . . . . . . . . . . . . . . . . . . . . . 6
 Function Codes Supported . . . . . . . . . . . . . . . . . . . . . . . . . . . . . . . . . . . . . . . . . . . . . . . . . . . . . . . . . . . . . . . . . . . . 6
 Report Slave ID Function Code . . . . . . . . . . . . . . . . . . . . . . . . . . . . . . . . . . . . . . . . . . . . . . . . . . . . . . . . . . . 6
 Communication Packet . . . . . . . . . . . . . . . . . . . . . . . . . . . . . . . . . . . . . . . . . . . . . . . . . . . . . . . . . . . . . . . . . . . . . . . 7
 Exception Errors . . . . . . . . . . . . . . . . . . . . . . . . . . . . . . . . . . . . . . . . . . . . . . . . . . . . . . . . . . . . . . . . . . . . . . . . . . . . . . 7
 Chapter 2: Configuring I/O for Modbus/TCP . . . . . . . . . . . . . . . . . . . . . . . . . . . . . . . . . . . . . 9
 Introduction . . . . . . . . . . . . . . . . . . . . . . . . . . . . . . . . . . . . . . . . . . . . . . . . . . . . . . . . . . . . . . . . . . . . . . . . . . . . . . . . . . . . . . . 9
 Module and channel Positions on I/O Units. . . . . . . . . . . . . . . . . . . . . . . . . . . . . . . . . . . . . . . . . . . . . . . . . . . . . . . . . . 9
 groov I/O Units . . . . . . . . . . . . . . . . . . . . . . . . . . . . . . . . . . . . . . . . . . . . . . . . . . . . . . . . . . . . . . . . . . . . . . . . . . . . . . 10
 SNAP I/O Units . . . . . . . . . . . . . . . . . . . . . . . . . . . . . . . . . . . . . . . . . . . . . . . . . . . . . . . . . . . . . . . . . . . . . . . . . . . . . . 11
 SNAP Example 1: Reading/Writing Digital Channel States to Coils and Inputs . . . . . . . . . . . . . . 11
 SNAP Example 2: Reading/Writing Analog Channel Values to Input and Holding Registers . . 12
 E1 and E2 I/O Units . . . . . . . . . . . . . . . . . . . . . . . . . . . . . . . . . . . . . . . . . . . . . . . . . . . . . . . . . . . . . . . . . . . . . . . . . . 13
 E1 Example: Reading/Writing Digital Channel States to Coils and Inputs . . . . . . . . . . . . . . . . . . . 14
 E2 Example: Reading/Writing Analog Channel Values to Input and Holding Registers . . . . . . . 15
 G4EB2 I/O Units . . . . . . . . . . . . . . . . . . . . . . . . . . . . . . . . . . . . . . . . . . . . . . . . . . . . . . . . . . . . . . . . . . . . . . . . . . . . . 15
 G4EB2 brains with G4 modules . . . . . . . . . . . . . . . . . . . . . . . . . . . . . . . . . . . . . . . . . . . . . . . . . . . . . . . . . . 15
 G4EB2 brains with Quad Pak modules . . . . . . . . . . . . . . . . . . . . . . . . . . . . . . . . . . . . . . . . . . . . . . . . . . . . 16
 Configuring I/O Channels. . . . . . . . . . . . . . . . . . . . . . . . . . . . . . . . . . . . . . . . . . . . . . . . . . . . . . . . . . . . . . . . . . . . . . . . . . 17
 Configuring I/O Channels for groov I/O Units . . . . . . . . . . . . . . . . . . . . . . . . . . . . . . . . . . . . . . . . . . . . . . . . . . 17
 groov I/O module and channel types . . . . . . . . . . . . . . . . . . . . . . . . . . . . . . . . . . . . . . . . . . . . . . . . . . . . . 18
 Example of Configured groov I/O Channels for Modbus . . . . . . . . . . . . . . . . . . . . . . . . . . . . . . . . . . . 19
 Modbus/TCP Protocol Guide iiiiii
 Configuring I/O Channels for SNAP Analog/Digital I/O Units . . . . . . . . . . . . . . . . . . . . . . . . . . . . . . . . . . . 20
 SNAP I/O Channel Types . . . . . . . . . . . . . . . . . . . . . . . . . . . . . . . . . . . . . . . . . . . . . . . . . . . . . . . . . . . . . . . . 20
 Examples of Configured SNAP I/O Channels for Modbus . . . . . . . . . . . . . . . . . . . . . . . . . . . . . . . . . . 28
 Configuring I/O Channels for SNAP Digital-Only I/O Units . . . . . . . . . . . . . . . . . . . . . . . . . . . . . . . . . . . . . . 28
 Using I/O Channel Features . . . . . . . . . . . . . . . . . . . . . . . . . . . . . . . . . . . . . . . . . . . . . . . . . . . . . . . . . . . . . . . . . . . . . . . 28
 groov and SNAP Digital I/O Channel Features . . . . . . . . . . . . . . . . . . . . . . . . . . . . . . . . . . . . . . . . . . . . . . . . . 29
 Latches . . . . . . . . . . . . . . . . . . . . . . . . . . . . . . . . . . . . . . . . . . . . . . . . . . . . . . . . . . . . . . . . . . . . . . . . . . . . . . . . 29
 Counters on groov I/O . . . . . . . . . . . . . . . . . . . . . . . . . . . . . . . . . . . . . . . . . . . . . . . . . . . . . . . . . . . . . . . . . . 29
 Counters on SNAP I/O . . . . . . . . . . . . . . . . . . . . . . . . . . . . . . . . . . . . . . . . . . . . . . . . . . . . . . . . . . . . . . . . . . 30
 groov and SNAP Analog I/O Channel Features . . . . . . . . . . . . . . . . . . . . . . . . . . . . . . . . . . . . . . . . . . . . . . . . . 30
 Scaling . . . . . . . . . . . . . . . . . . . . . . . . . . . . . . . . . . . . . . . . . . . . . . . . . . . . . . . . . . . . . . . . . . . . . . . . . . . . . . . . 30
 Minimum and Maximum Values . . . . . . . . . . . . . . . . . . . . . . . . . . . . . . . . . . . . . . . . . . . . . . . . . . . . . . . . . 31
 Offset and Gain . . . . . . . . . . . . . . . . . . . . . . . . . . . . . . . . . . . . . . . . . . . . . . . . . . . . . . . . . . . . . . . . . . . . . . . . . 31
 E1 Digital Channel Features . . . . . . . . . . . . . . . . . . . . . . . . . . . . . . . . . . . . . . . . . . . . . . . . . . . . . . . . . . . . . . . . . . 31
 Latches . . . . . . . . . . . . . . . . . . . . . . . . . . . . . . . . . . . . . . . . . . . . . . . . . . . . . . . . . . . . . . . . . . . . . . . . . . . . . . . . 31
 Counters . . . . . . . . . . . . . . . . . . . . . . . . . . . . . . . . . . . . . . . . . . . . . . . . . . . . . . . . . . . . . . . . . . . . . . . . . . . . . . . 31
 E2 Analog Channel Features . . . . . . . . . . . . . . . . . . . . . . . . . . . . . . . . . . . . . . . . . . . . . . . . . . . . . . . . . . . . . . . . . 32
 Scaling E2 Analog Channels . . . . . . . . . . . . . . . . . . . . . . . . . . . . . . . . . . . . . . . . . . . . . . . . . . . . . . . . . . . . . 32
 Minimum and Maximum Values . . . . . . . . . . . . . . . . . . . . . . . . . . . . . . . . . . . . . . . . . . . . . . . . . . . . . . . . . 32
 Offset and Gain . . . . . . . . . . . . . . . . . . . . . . . . . . . . . . . . . . . . . . . . . . . . . . . . . . . . . . . . . . . . . . . . . . . . . . . . . 32
 A Note on Analog Counts . . . . . . . . . . . . . . . . . . . . . . . . . . . . . . . . . . . . . . . . . . . . . . . . . . . . . . . . . . . . . . . 32
 Chapter 3: The Modbus Memory Map . . . . . . . . . . . . . . . . . . . . . . . . . . . . . . . . . . . . . . . . . . 33
 Introduction . . . . . . . . . . . . . . . . . . . . . . . . . . . . . . . . . . . . . . . . . . . . . . . . . . . . . . . . . . . . . . . . . . . . . . . . . . . . . . . . . . . . . . 33
 Coils number . . . . . . . . . . . . . . . . . . . . . . . . . . . . . . . . . . . . . . . . . . . . . . . . . . . . . . . . . . . . . . . . . . . . . . . . . . . . . . . . . . . . . 33
 Inputs . . . . . . . . . . . . . . . . . . . . . . . . . . . . . . . . . . . . . . . . . . . . . . . . . . . . . . . . . . . . . . . . . . . . . . . . . . . . . . . . . . . . . . . . . . . . 35
 Input Registers . . . . . . . . . . . . . . . . . . . . . . . . . . . . . . . . . . . . . . . . . . . . . . . . . . . . . . . . . . . . . . . . . . . . . . . . . . . . . . . . . . . 36
 Holding Registers . . . . . . . . . . . . . . . . . . . . . . . . . . . . . . . . . . . . . . . . . . . . . . . . . . . . . . . . . . . . . . . . . . . . . . . . . . . . . . . . . 37
 Notes for All Analog Modules. . . . . . . . . . . . . . . . . . . . . . . . . . . . . . . . . . . . . . . . . . . . . . . . . . . . . . . . . . . . . . . . . . . . . . 39
 Analog Module Register Table . . . . . . . . . . . . . . . . . . . . . . . . . . . . . . . . . . . . . . . . . . . . . . . . . . . . . . . . . . . . . . . 39
 Change in Reporting Analog Counts for E2 . . . . . . . . . . . . . . . . . . . . . . . . . . . . . . . . . . . . . . . . . . . . . . . . . . . . 40
 Notes for groov I/O and SNAP High-Density Digital (HDD) Modules. . . . . . . . . . . . . . . . . . . . . . . . . . . . . . . . . . 40
 groov I/O and High-Density Digital Module Register Table . . . . . . . . . . . . . . . . . . . . . . . . . . . . . . . . . . . . . 40
 Chapter 4: Accessing Other Data . . . . . . . . . . . . . . . . . . . . . . . . . . . . . . . . . . . . . . . . . . . . . 43
 Introduction . . . . . . . . . . . . . . . . . . . . . . . . . . . . . . . . . . . . . . . . . . . . . . . . . . . . . . . . . . . . . . . . . . . . . . . . . . . . . . . . . . . . . . 43
 Why Access Other Data? . . . . . . . . . . . . . . . . . . . . . . . . . . . . . . . . . . . . . . . . . . . . . . . . . . . . . . . . . . . . . . . . . . . . . 43
 Accessible Data . . . . . . . . . . . . . . . . . . . . . . . . . . . . . . . . . . . . . . . . . . . . . . . . . . . . . . . . . . . . . . . . . . . . . . . . . . . . . 43
 Modbus Master Requirements . . . . . . . . . . . . . . . . . . . . . . . . . . . . . . . . . . . . . . . . . . . . . . . . . . . . . . . . . . . . . . . 44
 Determining Modbus Unit ID and Register . . . . . . . . . . . . . . . . . . . . . . . . . . . . . . . . . . . . . . . . . . . . . . . . . . . . . . . . . 44
 Finding OptoMMP Memory Map Addresses . . . . . . . . . . . . . . . . . . . . . . . . . . . . . . . . . . . . . . . . . . . . . . . . . . . 44
 Alternative method (not available for groov EPIC) . . . . . . . . . . . . . . . . . . . . . . . . . . . . . . . . . . . . . . . . . 44
 Converting OptoMMP Memory Map Addresses . . . . . . . . . . . . . . . . . . . . . . . . . . . . . . . . . . . . . . . . . . . . . . . 46
 Example: Reading an OptoMMP Memory Map Address . . . . . . . . . . . . . . . . . . . . . . . . . . . . . . . . . . . 48
 Example: Writing to an OptoMMP Memory Map Address . . . . . . . . . . . . . . . . . . . . . . . . . . . . . . . . . 48
 Index . . . . . . . . . . . . . . . . . . . . . . . . . . . . . . . . . . . . . . . . . . . . . . . . . . . . . . . . . . . . . . . . . . . . . . . 49
iv Modbus/TCP Protocol Guide
 Chapter 1
 1: Introduction
ABOUT THIS GUIDE
 This guide shows you how to use Modbus/TCP to communicate with Opto 22 groov EPIC® and SNAP
 Ethernet-based controllers and I/O units. The following Opto 22 products can communicate using
 Modbus/TCP:
 I/O units with the following processors:
 GRV-EPIC-PR1 SNAP-PAC-EB2-W
 SNAP-PAC-R1 E1
 SNAP-PAC-R1-B E2
 SNAP-PAC-R1-FM G4EB2
 SNAP-PAC-R1-W G4D32EB2
 SNAP-PAC-R2 G4D32EB2-UPG
 SNAP-PAC-R2-FM SNAP-B3000-ENET
 SNAP-PAC-R2-W SNAP-ENET-RTC
 SNAP-PAC-EB1 SNAP-ENET-S64
 SNAP-PAC-EB1-FM SNAP-ENET-D64
 SNAP-PAC-EB1-W SNAP-UP1-ADS
 SNAP-PAC-EB2 SNAP-UP1-M64
 SNAP-PAC-EB2-FM SNAP-UP1-D64
 Standalone controllers:
 SNAP-PAC-S1 SNAP-PAC-S2
 SNAP-PAC-S1-FM SNAP-PAC-S2-W
 SNAP-PAC-S1-W
 Energy monitoring units:
 OPTOEMU-SNR-3V OPTOEMU-SNR-DR1
 OPTOEMU-SNR-DR2
 Notes on Specific Products
 Opto 22’s groov Box and groov Server also communicate with Modbus/TCP devices, but this guide does
 not apply to them. This guide discusses Opto 22 products that act as a Modbus slave; groov View in the Box
 and Server acts as a Modbus master. For information about using Modbus/TCP devices with a groov View
 master, see form 2027, groov View User’s Guide.
 Modbus/TCP Protocol Guide 11
ABOUT THIS GUIDE
 The groov EPIC processor (GRV-EPIC-PR1) acts as a Modbus slave, and this guide covers how to use EPIC as
 a Modbus slave. However, groov View running on the EPIC processor acts as a Modbus master; for instructions
 on using Modbus/TCP devices with a groov View master, see the groov View User’s Guide.
 For energy monitoring units, this guide is only a reference. Find primary information for Modbus
 communication in form 1958, OptoEMU Sensor Communication Guide.
 Before You Begin
 This guide assumes that you already understand Modbus/TCP programming and communications. Use this
 guide in conjunction with the Modbus/TCP specification, available at http://www.modbus.org/specs.php. The
 Modbus Protocol Reference Guide may also be useful; at the time this guide was written it was available from
 Schneider Electric at
 http://www.schneider-electric.com/download/hk/en/details/2052374-Modbus-Protocol-Reference-Guide-V
 ersion-J/?reference=PIMBUS300
 IMPORTANT: Before you start, be sure to read form 2011, the Using Modbus Devices with Opto 22 Products
 technical note, available on our website. The technical note will help you get started with Modbus and
 troubleshoot communication.
 Contents
 This guide includes the following:
 Chapter 1: Introduction—(this chapter) Supported Modbus function codes, communication packet, and
 exception codes, as well as details about this guide and Opto 22 Product Support.
 Chapter 2: Configuring I/O for Modbus/TCP—How to configure and use input/output (I/O) channels and
 channel features with Modbus/TCP.
 Chapter 3: The Modbus Memory Map—Coils, inputs, input registers, and holding registers used by most
 Opto 22 devices.
 Chapter 4: Accessing Other Data—Ways to access data not included in coils, inputs, and registers.
 Other Guides You May Need
 As you work with the Opto 22 devices using Modbus/TCP, you may need to refer to the following additional
 guides. All are available on our website, www.opto22.com. The easiest ways to locate one are to click the link
 below or to search on its form number.
 For this information See this guide Form #
 Modbus basics and troubleshooting Using Modbus Devices with Opto 22 Products 2011
 Installing and using a groov EPIC processor groov EPIC User’s Guide 2267
 Installing and using SNAP PAC R-series controllers SNAP PAC R-Series Controller User’s Guide 1595
 Installing and using SNAP PAC S-series controllers SNAP PAC S-Series Controller User’s Guide 1592
 Installing and using SNAP PAC brains SNAP PAC Brain User’s Guide 1690
 Installing and using OPTOEMU Sensors OptoEMU Sensor User’s Guide 1932
 Communicating with OPTOEMU Sensors using
 OptoEMU Sensor Communication Guide 1958
 Modbus and Modbus/TCP
 Installing and using E1 and E2 brain boards E1 and E2 User’s Guide 1563
 Installing and using SNAP Ethernet, SNAP Simple,
 SNAP Ethernet-Based I/O Units User’s Guide 1460
 and SNAP Ultimate I/O units
 2 Modbus/TCP Protocol Guide
 CHAPTER 1: INTRODUCTION
 For this information See this guide Form #
 Writing custom applications using the OptoMMP pro-
 tocol over Ethernet; finding OptoMMP memory map OptoMMP Protocol Guide 1465
 addresses
 Configuring and working with SNAP PAC controllers
 PAC Manager User’s Guide 1704
 and brains using the software tool PAC Manager
 Configuring and working with both SNAP PAC and
 legacy I/O units using the software tool PAC Man- PAC Manager User’s Guide, Legacy Edition 1714
 ager
FOR HELP
 If you have problems using Modbus/TCP with Opto 22 products and cannot find the help you need in this
 guide or on our website, contact Opto 22 Product Support.
 Phone: 800-TEK-OPTO (800-835-6786 toll-free NOTE: Email messages and phone calls
 in the U.S. and Canada) to Opto 22 Product Support are
 951-695-3080 grouped together and answered in the
 Monday through Friday, order received.
 7 a.m. to 5 p.m. Pacific Time
 Fax: 951-695-3017
 Email: support@opto22.com
 Opto 22 website: www.opto22.com
 When calling for technical support, you can help us help you faster if you can provide the following
 information to the Product Support engineer:
 • A screen capture of the Help > About dialog box showing software product and version (available by
 clicking Help > About in the application’s menu bar).
 • Opto 22 hardware part numbers or models that you’re working with.
 • Firmware version (available in PAC Manager by clicking Tools > Inspect).
 • Specific error messages you saw.
 • Version of your computer’s operating system.
ABOUT OPTO 22 DEVICES
 Opto 22 devices that can communicate using Modbus/TCP include Ethernet-based I/O units, SNAP PAC
 standalone controllers, OptoEMU Sensor energy monitoring units, and groov products.
 The term I/O unit refers to one Opto 22 mounting rack or chassis populated with I/O modules and an I/O
 processor (on-the-rack controller, brain, or brain board; see processor part numbers on page 1). Each I/O
 module can contain 1 to 32 I/O channels, depending on the module.
 Using Modbus/TCP, you can send data to and from each of these I/O channels using the communication
 method described in this chapter. The coils, inputs, and registers you use for I/O channel data are described in
 Chapter 3: The Modbus Memory Map.
 Modbus/TCP Protocol Guide 3
ABOUT OPTO 22 DEVICES
 Opto 22 Ethernet-based devices use a memory-mapped protocol (OptoMMP), which is based on the
 IEEE 1394 standard. The coils, inputs, and registers described in Chapter 3: The Modbus Memory Map are
 mapped to areas within the I/O processor’s memory map.
 Although the most common use for communication between Modbus systems and Opto 22 systems is
 sending and receiving I/O channel data on an I/O unit, you may also need to obtain other data, from either an
 I/O unit or a controller. This other data, such as Scratch Pad data, exists in the I/O unit’s or controller’s memory
 map and can be accessed by following the steps in Chapter 4: Accessing Other Data.
 In all these cases the Opto 22 device acts as the Modbus slave.
 Opto 22 Devices as Modbus Master
 This guide covers the use of Opto 22 devices as Modbus slaves. Opto 22 groov EPIC processors, SNAP
 PAC controllers, and OptoEMU Sensor energy monitoring units can also act as a Modbus master. groov View
 software in groov EPIC, the groov Box, and groov Server for Windows always acts as a Modbus master.
 • For groov View, see form 2027, the groov View User’s Guide.
 • For OptoEMU Sensors, see form 1958, OptoEMU Sensor Communication Guide.
 • For Opto 22 EPIC processors and SNAP PAC controllers, download a free integration kit from our website,
 www.opto22.com. Choose the Modbus integration kit you need based on your controller and network.
 Before you begin, be sure to read form 2011, the Using Modbus Devices with Opto 22 Products technical note.
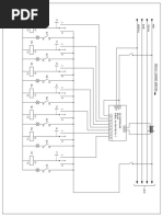
 Communication Example
 The diagram on the following page shows an example of how an Opto 22 system might communicate with a
 Modbus system. This is just one example; many other configurations are possible.
 In this example, the SNAP-PAC-S1 standalone controller runs a PAC Control strategy that monitors and controls
 the I/O units and all the I/O channels on them. Simultaneously, the Modbus system can exchange data with
 the Opto 22 system.
 Because the two Ethernet network interfaces on the SNAP-PAC-S1 are independent interfaces with separate IP
 addresses, the Opto 22 control network can be segmented from the computer network. This example shows
 this type of segmentation, as the PC is attached to Ethernet switch #1 and the control network is on Ethernet
 switch #2.
 Because the Modbus/TCP hardware is also on switch #2, it can send data to and from every I/O unit shown. In
 this example the Modbus/TCP software running on the PC, attached to switch #1, can access data only from
 the controller; for instance, it might access data placed in the controller’s Scratch Pad by the PAC Control
 strategy.
 CAUTION: If you use PAC Control, be careful that Modbus writes to I/O channels don’t conflict with strategy logic.
 We recommend our free Modbus Integration Kit for PAC Control (part number PAC-INT-MB), available from the
 Opto 22 website .
 If you are not using PAC Control, Modbus/TCP hardware or software on the same network segment as I/O
 units can provide full control for I/O channels.
 4 Modbus/TCP Protocol Guide
 CHAPTER 1: INTRODUCTION
 Modbus Communication Example Modbus/TCP
 software
 Ethernet switch #1
 SNAP-PAC-S1
 controller (runs a
 PAC Control
 strategy to control
 Ethernet switch #2
 all I/O units) Modbus/TCP
 hardware
 SNAP-PAC-R1 I/O unit E1 I/O unit
 SNAP-PAC-R1 I/O unit
 E2 I/O unit
 SNAP-ENET-S64 I/O unit
 SNAP-ENET-S64 I/O unit
OVERVIEW OF MODBUS COMMUNICATION
 Communicating with Opto 22 Ethernet-based devices using Modbus/TCP requires four basic steps: connect,
 configure, read/write, and disconnect.
 When opening a TCP/IP connection to the system, you normally use port 502. (This is the default port; it can
 be changed for security reasons using PAC Manager. See form 1704, PAC Manager User’s Guide, for more
 information.)
 Opto 22 devices can handle a maximum of eight connections from Modbus masters. (Requires firmware R9.4B
 or higher—or, for E1 and E2, firmware R1.2a. Lower firmware versions handle a maximum of two
 connections.)
 For all coils, inputs, and registers listed in Chapter 3: The Modbus Memory Map, use a slave ID (Unit ID) of 1 for
 the device.
 Modbus/TCP Protocol Guide 5
OVERVIEW OF MODBUS COMMUNICATION
 Understanding Opto 22 and Modbus Differences
 Notice that Opto 22 module and channel numbers on the I/O unit commonly start numbering at 0 (zero),
 while Modbus coil or input numbers start at 1; so Modbus coil 1 or input 1 usually equals Opto 22 channel 0
 on the module in position 0 on the rack.
 Also notice the way Opto 22 uses Modbus registers:
 Modbus Registers Opto 22 Use Modbus Registers Opto 22 Use
 Coils Digital outputs Register inputs Analog inputs
 Inputs Digital inputs Holding registers Analog outputs and miscellaneous
 Function Codes Supported
 Opto 22 devices use the Modbus function code plus the register number to map to the appropriate memory
 map address in the brain.
 NOTE: Data on a SNAP PAC standalone controller can be accessed only through advanced Modbus programming.
 See Chapter 4: Accessing Other Data for information.
 The following table shows Modbus function codes supported for I/O units. (Function codes for a specific I/O
 unit depend on the analog/digital capabilities of the brain.)
 Modbus Function
 Definition Opto 22 Equivalent
 Code (Hex)
 01 Read coil status Read digital output
 02 Read input status Read digital input
 03 Read holding registers Read analog output
 04 Read input registers Read analog input
 05 Force single coil Turn on/off one digital output
 06 Preset single register Write one analog output
 0F Force multiple coils Turn on/off multiple digital outputs
 10 Preset multiple registers Write multiple analog outputs
 Report hardware and firmware revision levels
 11 Report slave ID
 (See below: “Report Slave ID Function Code” )
 Report Slave ID Function Code
 Function code 0x11, Report slave ID, returns data bytes as shown in the following table.
 Bytes 1 and 2 are always in the formats shown. The 0x22 in byte 1 indicates an Opto 22 brain; 0xFF appears in
 byte 2 because, since the brain is a slave, it is always running.
 Byte 1 Byte 2 Bytes 3–6 Bytes 7–10 Bytes 11–14
 Slave Run Hardware Version* Kernel Version* Loader Version*
 ID Indicator Major Minor A/B/R Letter Major Minor A/B/R Letter Major Minor A/B/R Letter
 0x22 0xFF 0x01 0x01 0x01 0x01 0x01 0x01 0x01 0x01 0x01 0x01 0x01 0x01
 * Hardware, kernel (firmware), and loader versions each include four bytes, indicating:
 1st byte—major version number
 2nd byte—minor version number
 3rd byte—revision type: 0=A (alpha), 1=B (beta), 2=R (release)
 4th byte—version letter: 0=a, 1=b, 2=c, 3=d, and so on
 Example: 0x03080200 would indicate version R3.8a
 6 Modbus/TCP Protocol Guide
 CHAPTER 1: INTRODUCTION
Communication Packet
As the Modbus/TCP specification requires, Opto 22 devices use a Modbus packet inside a TCP/IP packet. The
Modbus checksum is not used; instead, the Ethernet TCP/IP link layer checksum guarantees data. The size of
the packet is limited to 256 bytes. The packet follows the standard Modbus/TCP format.
Note: You can read a maximum of 127 input or holding registers in one command 03 or 04.
Exception Errors
If an error occurs, standard Modbus exception codes are returned in the Modbus packet. The following table,
reprinted from the Modicon Modbus Protocol Reference Guide, shows the Modbus exception codes. If you need
more information, see the Modicon documentation.
 Code Name Meaning
 The function code received in the query is not an allowable action for
 01 ILLEGAL FUNCTION
 the slave.
 ILLEGAL DATA The data address received in the query is not an allowable address for
 02
 ADDRESS the slave.
 A value contained in the query data field is not an allowable value for
 03 ILLEGAL DATA VALUE
 the slave.
 An unrecoverable error occurred while the slave was attempting to per-
 04 SLAVE DEVICE FAILURE
 form the requested action.
 The slave has accepted the request and is processing it, but a long dura-
 tion of time will be required to do so. This response is returned to prevent
 05 ACKNOWLEDGE
 a timeout error from occurring in the master. The master can next issue a
 Poll Program Complete message to determine if processing is completed.
 The slave is engaged in processing a long-duration program command.
 06 SLAVE DEVICE BUSY
 The master should retransmit the message later when the slave is free.
 The slave cannot perform the program function received in the query. This
 NEGATIVE code is returned for an unsuccessful programming request using function
 07
 ACKNOWLEDGE code 13 or 14 decimal. The master should request diagnostic or error
 information from the slave.
 The slave attempted to read extended memory, but detected a parity error
 MEMORY PARITY
 08 in the memory. The master can retry the request, but service may be
 ERROR
 required on the slave device.
 Modbus/TCP Protocol Guide 7
OVERVIEW OF MODBUS COMMUNICATION
 8 Modbus/TCP Protocol Guide
 Chapter 2
 2: Configuring I/O for
 Modbus/TCP
INTRODUCTION
 This chapter includes the following:
 • Illustrations of module and channel positions on I/O units and how they relate to coils, inputs, and
 registers in Modbus/TCP (below)
 • I/O channel configuration required for communication with Modbus/TCP systems (page 17)
 • channel features and how to use them with Modbus/TCP (page 28).
MODULE AND CHANNEL POSITIONS ON I/O UNITS
 Opto 22 I/O units are zero-based: that is, the first module position on the rack is position 0, and the first
 channel on each module is channel 0. The number of channels on a module can vary from one to 32,
 depending on the module family and part number. Because of this numbering and variation, reading and
 writing channel data to coils, inputs, and registers can be complex.
 Module and channel positions differ depending on the module family; see the section for yours:
 groov I/O units See page 10
 SNAP I/O units See page 11
 E1/E2 I/O units See page 13
 G4EB2 I/O units See page 15
 Modbus/TCP Protocol Guide 99
MODULE AND CHANNEL POSITIONS ON I/O UNITS
 groov I/O Units
 I/O units whose I/O processor is a GRV-EPIC-PR1 are called groov I/O units. groov I/O chassis hold 4, 8, or 16 I/O
 modules, and each module contains 8 to 24 channels, depending on the module. Examples of modules are
 shown in the following diagram.
 To read and write to channels, see “Notes for All Analog Modules” on page 39 and “Notes for groov I/O and
 SNAP High-Density Digital (HDD) Modules” on page 40.
 Module position 0, discrete,
 24 channels:
 Ch: 23 0
 Module position 2, discrete,
 12 channels:
 Ch: 11 0
 Module position 5, analog,
 8 channels:
 Ch: 7 6 5 4 3 2 1 0
10 Modbus/TCP Protocol Guide
 CHAPTER 2: CONFIGURING I/O FOR MODBUS/TCP
SNAP I/O Units
I/O units whose I/O processor’s part number begins with “SNAP” are called SNAP I/O units. For example, I/O
units with a SNAP-PAC-R1, SNAP-EB1, or SNAP-ENET-S64 as the I/O processor are all SNAP I/O units.
SNAP mounting racks may hold 4, 8, 12, or 16 I/O modules. Although these modules may be analog, digital, or
serial, only analog and digital I/O apply to Modbus/TCP communication. Each module contains 1 to 32 points
(channels), depending on the module. Examples of modules are shown in the following diagram.
 NOTE: Module support,
 functions, and positions vary by
 processor.
Module position 0, 4-ch digital:
 Points: 3 2 1 0
 Module position 6, high-density
 digital:
 Points: 31 0 Module position 8, analog:
 Points: 7 6 5 4 3 2 1 0
 Module position 12, analog:
 Points: 1 0
 Module position 14, serial:
 Ports: B A
The following examples show how SNAP module and channel numbers relate to Modbus coils, inputs, and
registers.
SNAP Example 1: Reading/Writing Digital Channel States to Coils and Inputs
The following table shows the coils or inputs you would read or write to for channel states on SNAP 4-channel
digital modules.
NOTE: For high-density digital modules (digital modules with more than four channels), different coils and inputs are
used. See “Input Registers” on page 36 and “Holding Registers” on page 37. Also see “Notes for groov I/O and SNAP
High-Density Digital (HDD) Modules” on page 40.
 Modbus/TCP Protocol Guide 11
MODULE AND CHANNEL POSITIONS ON I/O UNITS
 Reading/Writing 4-Channel Digital Channel States to Coils and Inputs
 SNAP 4-Channel Digital I/O SNAP 4-Channel Digital I/O SNAP 4-Channel Digital I/O
 Module Channel Coil/Input Module Channel Coil/Input Module Channel Coil/Input
 0 1 0 25 0 45
 1 2 1 26 1 46
 0 6 11
 2 3 2 27 2 47
 3 4 3 28 3 48
 0 5 0 29 0 49
 1 6 1 30 1 50
 1 7 12
 2 7 2 31 2 51
 3 8 3 32 3 52
 0 9 0 33 0 53
 1 10 1 34 1 54
 2 8 13
 2 11 2 35 2 55
 3 12 3 36 3 56
 0 13 0 37 0 57
 1 14 1 38 1 58
 3 9 14
 2 15 2 39 2 59
 3 16 3 40 3 60
 0 17 0 41 0 61
 1 18 1 42 1 62
 4 10 15
 2 19 2 43 2 63
 3 20 3 44 3 64
 0 21
 1 22
 5
 2 23
 3 24
 SNAP Example 2: Reading/Writing Analog Channel Values to Input and Holding Registers
 Analog channel values in input and holding registers are in the form of 32-bit floats. Because Modbus registers
 contain only 16 bits, two consecutive registers are used to read or write the data for one channel. The
 following table shows the input or holding registers you would use to read or write analog channel values,
 depending upon the number of channels on the module (one, two, or four channels).
 NOTE: Analog modules with more than four channels use different registers. See “Input Registers” on page 36 and
 “Holding Registers” on page 37. Also see the table showing starting registers on page 40.
12 Modbus/TCP Protocol Guide
 CHAPTER 2: CONFIGURING I/O FOR MODBUS/TCP
Reading/Writing Analog Channel Values to Input and Holding Registers (Modules with four channels
or less. Only the first eight modules are shown; the rack may hold up to 16.)
 SNAP 4-Channel Analog I/O SNAP 2-Channel Analog I/O SNAP 1-Channel Analog I/O
 Module Channel Registers Module Channel Registers Module Channel Registers
 0 1-2 0 1-2 0 0 1-2
 0
 1 3-4 1 3-4 -- -- --
 0
 2 5-6 -- -- -- -- -- --
 3 7-8 -- -- -- -- -- --
 0 9-10 0 9-10 1 0 9-10
 1
 1 11-12 1 11-12 -- -- --
 1
 2 13-14 -- -- -- -- -- --
 3 15-16 -- -- -- -- -- --
 0 17-18 0 17-18 2 0 17-18
 2
 1 19-20 1 19-20 -- -- --
 2
 2 21-22 -- -- -- -- -- --
 3 23-24 -- -- -- -- -- --
 0 25-26 0 25-26 3 0 25-26
 3
 1 27-28 1 27-28 -- -- --
 3
 2 29-30 -- -- -- -- -- --
 3 31-32 -- -- -- -- -- --
 0 33-34 0 33-34 4 0 33-34
 4
 1 35-36 1 35-36 -- -- --
 4
 2 37-38 -- -- -- -- -- --
 3 39-40 -- -- -- -- -- --
 0 41-42 0 41-42 5 0 41-42
 5
 1 43-44 1 43-44 -- -- --
 5
 2 45-46 -- -- -- -- -- --
 3 47-48 -- -- -- -- -- --
 0 49-50 0 49-50 6 0 49-50
 6
 1 51-52 1 51-52 -- -- --
 6
 2 53-54 -- -- -- -- -- --
 3 55-56 -- -- -- -- -- --
 0 57-58 0 57-58 7 0 57-58
 7
 1 59-60 1 59-60 -- -- --
 7
 2 61-62 -- -- -- -- -- --
 3 63-64 -- -- -- -- -- --
E1 and E2 I/O Units
I/O units using a digital E1 or analog E2 brain board normally use modules containing only one channel, and
the maximum number of channels on the rack is 16. Examples of E1 and E2 I/O units are shown below.
 Modbus/TCP Protocol Guide 13
MODULE AND CHANNEL POSITIONS ON I/O UNITS
 E1 with G4 modules.
 Module position 0
 E2 with G1 modules.
 Module position 0
 E1 with Quad Pak modules.
 The E1 can also be used with Quad Pak modules,
 which have four input or four output channels; but
 each channel is treated as if it were a separate
 module.
 Module position 0
 The following examples illustrate how E1 and E2 module and channel numbers relate to Modbus coils, inputs,
 and registers. For complete coil, input, and register information, see Chapter 3: The Modbus Memory Map on
 page 33.
 E1 Example: Reading/Writing Digital Channel States to Coils and Inputs
 The following table shows the coils or inputs you would read or write to for channel states on E1 digital
 modules.
 E1 Digital I/O E1 Digital I/O
 Module/Channel Coil or Input Module/Channel Coil or Input
 0 1 8 9
 1 2 9 10
 2 3 10 11
 3 4 11 12
 4 5 12 13
14 Modbus/TCP Protocol Guide
 CHAPTER 2: CONFIGURING I/O FOR MODBUS/TCP
 E1 Digital I/O E1 Digital I/O
 Module/Channel Coil or Input Module/Channel Coil or Input
 5 6 13 14
 6 7 14 15
 7 8 15 16
E2 Example: Reading/Writing Analog Channel Values to Input and Holding Registers
Channel values in input and holding registers are in the form of 32-bit floats. Because Modbus registers
contain only 16 bits, two consecutive registers are used to read or write the data for one channel. The
following table shows the input or holding registers you would use to read or write E2 analog channel values.
 E2 Analog I/O E2 Analog I/O
 Input or Holding Input or Holding
 Module/Channel Module/Channel
 Registers Registers
 0 1-2 8 17-18
 1 3-4 9 19-20
 2 5-6 10 21-22
 3 7-8 11 23-24
 4 9-10 12 25-26
 5 11-12 13 27-28
 6 13-14 14 29-30
 7 15-16 15 31-32
G4EB2 I/O Units
These I/O units include part numbers G4EB2, G4D32EB2, and G4D32EB2-UPG. Each I/O unit has 32 total
channels, all of them digital. They may use G4 modules, which each have one channel, or Quad Pak modules,
which each have four channels of the same type (all four digital inputs or all four digital outputs).
G4EB2 brains with G4 modules
Each module has just one channel. You can mix input and output modules within the same group of four
channels.
 Modbus/TCP Protocol Guide 15
MODULE AND CHANNEL POSITIONS ON I/O UNITS
 Module position 0
 The following table shows the coils or inputs you would read or write to for channel states on G4 modules.
 G4 Digital I/O G4 Digital I/O
 Module/Channel Coil or Input Module/Channel Coil or Input
 0 1 16 17
 1 2 17 18
 2 3 18 19
 3 4 19 20
 4 5 20 21
 5 6 21 22
 6 7 22 23
 7 8 23 24
 8 9 24 25
 9 10 25 26
 10 11 26 27
 11 12 27 28
 12 13 28 29
 13 14 29 30
 14 15 30 31
 15 16 31 32
 G4EB2 brains with Quad Pak modules
 Quad Pak modules have four input or four output channels per module, so the four channels in each group are
 either inputs or outputs.
16 Modbus/TCP Protocol Guide
 CHAPTER 2: CONFIGURING I/O FOR MODBUS/TCP
 Module position 0 (channels 0–3)
 The following table shows the coils or inputs you would read or write to for channel states on Quad Pak
 modules.
 Quad Pak Digital I/O Quad Pak Digital I/O
 Module Channel Coil or Input Module Channel Coil or Input
 0 1 16 17
 1 2 17 18
 0 4
 2 3 18 19
 3 4 19 20
 4 5 20 21
 5 6 21 22
 1 5
 6 7 22 23
 7 8 23 24
 8 9 24 25
 9 0 25 26
 2 6
 0 11 26 27
 11 12 27 28
 12 13 28 29
 13 14 29 30
 3 7
 14 15 30 31
 15 16 31 32
CONFIGURING I/O CHANNELS
 See the section for your I/O unit:
 groov I/O units page 17
 SNAP analog/digital I/O units page 20
 SNAP digital-only I/O units page 28
 Configuring I/O Channels for groov I/O Units
 You can configure groov I/O units in three ways:
 • PAC Control—If you are using PAC Control (R10.0 or higher), configure channels there while you are
 programming your strategy.
 Modbus/TCP Protocol Guide 17
CONFIGURING I/O CHANNELS
 • groov Manage—If you are not using PAC Control, configure channels in groov Manage, either on the
 EPIC processor’s touchscreen or remotely from a computer or mobile device. Configurations are
 automatically saved to flash memory.
 • Modbus/TCP—If Modbus/TCP is the ONLY communication to the groov I/O unit, then follow the steps
 in this section to configure I/O channels. Configurations are automatically saved.
 groov I/O module and channel types
 The following table shows groov I/O modules and the module and channel types to use for configuration. If a
 module offers more than one range, choose the range you want from the Description column and read across
 to the Channel ID (hex) column to find the corresponding configuration value.
 Channel ID (hex)
 Module ID (hex)
 Channels per
 Default units
 Low Scale
 Full Scale
 module
 Part number Description
 GRV-IAC-24 Digital Input 5000000F 50000000 24 N/A N/A N/A
 GRV-IACDCTTL-24 Digital Input 50000005 50000000 24 N/A N/A N/A
 GRV-IACDCTTLS-24 Simple Digital Input 54000007 54000000 24 N/A N/A N/A
 GRV-IACHV-24 Digital Input 50000010 50000000 24 N/A N/A N/A
 GRV-IACHVS-24 Simple Digital Input 54000008 54000000 24 N/A N/A N/A
 GRV-IACI-12 Digital Input 5000000C 50000000 12 N/A N/A N/A
 GRV-IACIHV-12 Digital Input 5000000D 50000000 12 N/A N/A N/A
 GRV-IACIHVS-12 Simple Digital Input 54000009 54000000 12 N/A N/A N/A
 GRV-IACIS-12 Simple Digital Input 5400000A 54000000 12 N/A N/A N/A
 GRV-IACS-24 Simple Digital Input 5400001D 54000000 24 N/A N/A N/A
 GRV-IDC-24 Digital Input 50000011 50000000 24 N/A N/A N/A
 GRV-IDCI-12 Digital Input 5000000E 50000000 12 N/A N/A N/A
 GRV-IDCIS-12 Simple Digital Input 5400000B 54000000 12 N/A N/A N/A
 GRV-IDCS-24 Simple Digital Input 54000016 54000000 24 N/A N/A N/A
 GRV-IMA-24 ±20 mA 60000001 60000014 24 mA -20 20
 GRV-IMA-24 0-20 mA 60000001 60000015 24 mA 0 20
 GRV-IMA-24 4-20 mA 60000001 60000016 24 mA 4 20
 GRV-ITMI-8 ±1200 mV 60000006 60000002 8 mV -1200 1200
 GRV-ITMI-8 ±600 mV 60000006 60000003 8 mV -600 600
 GRV-ITMI-8 ±300 mV 60000006 60000004 8 mV -300 300
 GRV-ITMI-8 ±150 mV 60000006 60000005 8 mV -150 150
 GRV-ITMI-8 ±75 mV 60000006 60000006 8 mV -75 75
 GRV-ITMI-8 ±50 mV 60000006 60000007 8 mV -50 50
 GRV-ITMI-8 ±25 mV 60000006 60000008 8 mV -25 25
 GRV-ITMI-8 Type B Thermocouple (°C) 60000006 60000009 8 °C 0 1820
 GRV-ITMI-8 Type E Thermocouple (°C) 60000006 6000000C 8 °C -270 1000
 GRV-ITMI-8 Type J Thermocouple (°C) 60000006 6000000E 8 °C -210 1200
 GRV-ITMI-8 Type K Thermocouple (°C) 60000006 6000000F 8 °C -270 1372
 GRV-ITMI-8 Type N Thermocouple (°C) 60000006 60000010 8 °C -270 1300
18 Modbus/TCP Protocol Guide
 CHAPTER 2: CONFIGURING I/O FOR MODBUS/TCP
 Channel ID (hex)
 Module ID (hex)
 Channels per
 Default units
 Low Scale
 Full Scale
 module
 Part number Description
GRV-ITMI-8 Type R Thermocouple (°C) 60000006 60000011 8 °C -50 1768
GRV-ITMI-8 Type S Thermocouple (°C) 60000006 60000012 8 °C -50 1768
GRV-ITMI-8 Type T Thermocouple (°C) 60000006 60000013 8 °C -270 400
GRV-IV-24 ±160 V 60000002 60000024 24 V -160 160
GRV-IV-24 ±80 V 60000002 6000000D 24 V -80 80
GRV-IV-24 ±40 V 60000002 6000000B 24 V -40 40
GRV-IV-24 ±20 V 60000002 6000000A 24 V -20 20
GRV-IV-24 ±10 V 60000002 60000017 24 V -10 10
GRV-IV-24 ±5 V 60000002 60000019 24 V -5 5
GRV-IV-24 ±2.5 V 60000002 60000025 24 V -2.5 2.5
GRV-IV-24 ±1.25 V 60000002 60000001 24 V -1.25 1.25
GRV-OAC-12 Digital Output 90000012 90000000 12 N/A N/A N/A
GRV-OACI-12 Digital Output 90000014 90000000 12 N/A N/A N/A
GRV-OACIS-12 Simple Digital Output 94000017 94000000 12 N/A N/A N/A
GRV-OACS-12 Simple Digital Output 9400001C 94000000 12 N/A N/A N/A
GRV-ODCI-12 Digital Output 90000015 90000000 12 N/A N/A N/A
GRV-ODCIS-12 Simple Digital Output 94000018 94000000 12 N/A N/A N/A
GRV-ODCSRC-24 Digital Output 90000013 90000000 24 N/A N/A N/A
GRV-OMRIS-8 Simple Digital Output 94000019 94000000 8 N/A N/A N/A
GRV-OVMALC-8 0-20 mA A0000003 A000001B 8 mA 0 20
GRV-OVMALC-8 0-24 mA A0000003 A000001C 8 mA 0 24
GRV-OVMALC-8 4-20 mA A0000003 A000001D 8 mA 4 20
GRV-OVMALC-8 ±10 V A0000003 A000001F 8 V -10 10
GRV-OVMALC-8 0-10 V A0000003 A0000020 8 V 0 10
GRV-OVMALC-8 ±5 V A0000003 A0000021 8 V -5 5
GRV-OVMALC-8 0-5 V A0000003 A0000022 8 V 0 5
GRV-OVMALC-8 Analog Hi-Z A0000003 A0000023 8 None 0 0
Example of Configured groov I/O Channels for Modbus
To configure I/O channels for Modbus/TCP, write the channel configuration data from the previous table to
holding registers 11271–13318. Since the data for this area of the Modbus map is in the form of 32-bit
integers, use two consecutive registers to write the data to one channel.
For example, look at the table starting on page 18. Suppose the module in position 0 on the rack is a
GRV-IV-24 and you want to use a range of ±10 V for the first two channels (channels 0 and 1). You find the
module’s range in the Description column and read across to see the configuration value to use, 0x60000017.
 Modbus/TCP Protocol Guide 19
CONFIGURING I/O CHANNELS
 Now take a look at the Holding Registers section of the Modbus map on page 37. You will write to the
 Configure Channels area, registers 11271–13318. Since it takes two registers per channel and you are
 configuring the first two channels, you write the hex value 60000017 (for a -10 to +10 V input) as follows:
 To this register: 11271 11272
 Channel 0
 Write this value: 6000 0017
 To this register: 11273 11274
 Channel 1
 Write this value: 6000 0017
 Word swapped. The registers and values shown in the table are correct if your groov I/O unit is using the
 default Big Endian format. However, if you have configured the I/O unit in groov Manage to be Big Endian
 Word Swapped, you would reverse the registers for each channel. For example, for channel 0 you would write
 0017 to register 11271 and 6000 to register 11272.
 Configuring I/O Channels for SNAP Analog/Digital I/O Units
 You can configure SNAP I/O units in three ways:
 • PAC Control—If you are using PAC Control, configure channels there while you are programming your
 strategy.
 • PAC Manager—If you are not using PAC Control, configure channels in PAC Manager and save to flash
 memory.
 CAUTION: Store to flash only once! Storing to flash memory in a loop can wear out the memory.
 • Modbus/TCP —If you are not using PAC Control or PAC Manager and Modbus/TCP is the ONLY
 communication to the SNAP I/O unit, then follow the steps in this section to configure I/O channels. (For
 SNAP digital-only I/O units, see page 28.)
 About E1 and E2 brain boards: You can configure E1s and E2s like any other I/O unit if you have E1/E2 firmware R1.2a
 (and higher) and PAC Project 9.5000 (and higher). Also, if a SNAP PAC controller communicates with the E1 or E2, the
 controller must have PAC firmware R9.5a (or higher) to use this simplified configuration method. If you are not using
 these firmware and software versions (or if you prefer to use the previous method to reconfigure existing E1s or E2s),
 see I/O Configuration for E1 an E2 Brain Boards (form 1576).
 All SNAP analog/digital I/O units recognize analog, serial, and high-density digital modules on the rack.
 Positions on the rack that don’t contain modules the I/O unit recognizes are assumed to contain digital input
 modules. If the individual channel types on the module differ from the default type for that module, you must
 configure the channels using the tables below.
 SNAP I/O Channel Types
 The following tables show SNAP I/O modules that can be used with Ethernet-based I/O units and
 Modbus/TCP (some older I/O units cannot use all of these modules; see the module’s data sheet for
 compatibility). Default channel types are shaded. If a channel differs from the default, use the value in the
 Channel Type (Hex) column to configure the channel. For examples of channel configuration, see page 28,
 following the tables.
 Digital Inputs and Outputs
 Channel Type Channel Type Module Type
 Module & Description
 (Dec) (Hex) (Hex)
 4-channel digital input module* 256 100 00
 4-channel digital output module* 384 180 00
 * High-density digital modules are automatically recognized; channels do not require configura-
 tion.
20 Modbus/TCP Protocol Guide
 CHAPTER 2: CONFIGURING I/O FOR MODBUS/TCP
Analog Inputs
 Module Type (Hex)
 Points per Module
 Point Type (Dec)
 Point Type (Hex)
 Default Unit of
 Measurement
 Underrange
 Overrange
 Low Scale
 Full Scale
 Part Number &
 Description
SNAP-AIARMS: 0–10 A AC/DC 71 47 71 2 A 0.0 0.0 10.0 11.0
SNAP-AIARMS-i: 0–10 A AC/DC 71 47 29 2 A 0.0 0.0 10.0 11.0
SNAP-AIARMS-i-FM: 0–10 A AC/DC 71 47 29 2 A 0.0 0.0 10.0 11.0
SNAP-AICTD: ICTD Temp. Probe 4 4 04 2 Degrees C -273.0 -40.0 150.0 150.0
SNAP-AICTD-4: ICTD Temp. Probe 4 4 42 4 Degrees C -273.0 -40.0 150.0 150.0
SNAP-AICTD-8: ICTD Temp. Probe 4 4 4C 8 Degrees C -273.0 -40.0 150.0 150.0
SNAP-AILC: -2 to +2 mV/V Fast 34 22 0B 2 Percent -110.0 -100.0 100.0 110.0
SNAP-AILC: -2 to +2 mV/V Slow 36 24 0B 2 Percent -110.0 -100.0 100.0 110.0
SNAP-AILC: -3 to +3 mV/V Fast 35 23 0B 2 Percent -110.0 -100.0 100.0 110.0
SNAP-AILC: -3 to +3 mV/V Slow 37 25 0B 2 Percent -110.0 -100.0 100.0 110.0
SNAP-AILC: Filter of 1st channel 0 0 0B 2 Percent -110.0 -100.0 100.0 110.0
SNAP-AILC-2: -3 to +3 mV/V Fast 35 23 0C 2 Percent -110.0 -100.0 100.0 110.0
SNAP-AILC-2: -3 to +3 mV/V Slow 37 25 0C 2 Percent -110.0 -100.0 100.0 110.0
SNAP-AILC-2: -4 to +4 mV/V Fast 34 22 0C 2 Percent -110.0 -100.0 100.0 110.0
SNAP-AILC-2: -4 to +4 mV/V Slow 36 24 0C 2 Percent -110.0 -100.0 100.0 110.0
SNAP-AILC-2: Filter of 1st channel 0 0 0C 2 Percent -110.0 -100.0 100.0 110.0
SNAP-AIMA: -20 to +20 mA 64 40 64 2 mA -22.0 -20.0 20.0 22.0
SNAP-AIMA: 0 to +20 mA 2 2 64 2 mA -22.0 0.0 20.0 22.0
SNAP-AIMA: 4 to +20 mA 3 3 64 2 mA -22.0 4.0 20.0 22.0
SNAP-AIMA2-i: -1 to +1 mA 85 55 27 2 mA -1.1 -1.0 1.0 1.1
SNAP-AIMA-i: -20 to +20 mA 64 40 22 2 mA -22.0 -20.0 20.0 22.0
SNAP-AIMA-i: 0 to +20 mA 2 2 22 2 mA -22.0 0.0 20.0 22.0
SNAP-AIMA-i: 4 to +20 mA 3 3 22 2 mA -22.0 4.0 20.0 22.0
SNAP-AIMA-iH: 4 to +20 mA 3 3 2A 2 mA 3.2 4.0 20.0 24.0
SNAP-AIMA-iSRC: -20 to +20 mA 64 40 26 2 mA -22.0 -20.0 20.0 22.0
SNAP-AIMA-iSRC: 0 to +20 mA 2 2 26 2 mA -22.0 0.0 20.0 22.0
SNAP-AIMA-iSRC: 4 to +20 mA 3 3 26 2 mA -22.0 4.0 20.0 22.0
SNAP-AIMA-iSRC-FM: -20 to +20 mA 64 40 26 2 mA -22.0 -20.0 20.0 22.0
SNAP-AIMA-iSRC-FM: 0 to +20 mA 2 2 26 2 mA -22.0 0.0 20.0 22.0
SNAP-AIMA-iSRC-FM: 4 to +20 mA 3 3 26 2 mA -22.0 4.0 20.0 22.0
SNAP-AIMA-4: -20 to +20 mA 64 40 40 4 mA -22.0 -20.0 20.0 22.0
SNAP-AIMA-4: 0 to +20 mA 2 2 40 4 mA -22.0 0.0 20.0 22.0
SNAP-AIMA-4: 4 to +20 mA 3 3 40 4 mA -22.0 4.0 20.0 22.0
SNAP-AIMA-8: -20 to +20 mA 64 40 4A 8 mA -22.0 -20.0 20.0 22.0
SNAP-AIMA-8: 0 to +20 mA 2 2 4A 8 mA -22.0 0.0 20.0 22.0
 Modbus/TCP Protocol Guide 21
CONFIGURING I/O CHANNELS
 Module Type (Hex)
 Points per Module
 Point Type (Dec)
 Point Type (Hex)
 Default Unit of
 Measurement
 Underrange
 Overrange
 Low Scale
 Full Scale
 Part Number &
 Description
 SNAP-AIMA-8: 4 to +20 mA 3 3 4A 8 mA -22.0 4.0 20.0 22.0
 SNAP-AIMA-32: -20 to +20 mA 64 40 4D 32 mA -22.0 -20.0 20.0 22.0
 SNAP-AIMA-32: 0 to +20 mA 2 2 4D 32 mA -22.0 0.0 20.0 22.0
 SNAP-AIMA-32: 4 to +20 mA 3 3 4D 32 mA -22.0 4.0 20.0 22.0
 SNAP-AIMA-32-FM: -20 to +20 mA 64 40 4D 32 mA -22.0 -20.0 20.0 22.0
 SNAP-AIMA-32-FM: 0 to +20 mA 2 2 4D 32 mA -22.0 0.0 20.0 22.0
 SNAP-AIMA-32-FM: 4 to +20 mA 3 3 4D 32 mA -22.0 4.0 20.0 22.0
 SNAP-AIMV-4: -150 to +150 mV 66 42 44 4 mV -165.0 -150.0 150.0 165.0
 SNAP-AIMV-4: -75 to +75 mV 68 44 44 4 mV -82.5 -75.0 75.0 82.5
 SNAP-AIMV2-4: -50 to +50 mV 9 9 45 4 mV -55.0 -50.0 50.0 55.0
 SNAP-AIMV2-4: -25 to +25 mV 67 43 45 4 mV -27.5 -25.0 25.0 27.5
 SNAP-AIPM (point 0 only) 70 46 0A * AC VRMS 0.0 0 250 275
 SNAP-AIPM (point 1 only) 71 47 0A * AC ARMS 0.0 0 10 11.0
 SNAP-AIPM (point 2 only) 82 52 0A * True power n/a n/a n/a n/a
 SNAP-AIPM (point 3 only) 83 53 0A * Volt/Amps n/a n/a n/a n/a
 SNAP-AIPM-3 (points 0, 4 & 8) 70 46 49 * AC VRMS 0.0 0 300 330
 SNAP-AIPM-3 (points 1, 5 & 9) 71 47 49 * AC ARMS 0.0 0 5 5.5
 SNAP-AIPM-3 (points 2, 6 & 10) 82 52 49 * True power n/a n/a n/a n/a
 SNAP-AIPM-3 (points 3, 7 & 11) 83 53 49 * Volt/Amps n/a n/a n/a n/a
 SNAP-AIPM-3 (points 12 & 13) 86 56 49 * True power n/a n/a n/a n/a
 SNAP-AIPM-3V (points 0, 4 & 8) 100 64 48 * AC VRMS 0.0 0 300 330
 VAC from
 SNAP-AIPM-3V (points 1, 5 & 9) 89 59 48 * 0.0 0 0.333 0.366
 CT
 SNAP-AIPM-3V (points 2, 6 & 10) 90 5A 48 * True power n/a n/a n/a n/a
 SNAP-AIPM-3V (points 3, 7 & 11) 90 5A 48 * Volt/Amps n/a n/a n/a n/a
 SNAP-AIPM-3V (points 12 & 13) 184 B8 48 * True power n/a n/a n/a n/a
 25000. 27500.
 SNAP-AIRATE: Rate (Frequency) 69 45 69 2 Hz 0.0 0.0
 0 0
 SNAP-AIRATE-HFi: Rate (0.1 s data 500,00 500,00
 68 44 2B 2 Hz 2 2
 freshness) 0 0
 SNAP-AIRATE-HFi: Rate (1 s data 500,00 500,00
 69 45 2B 2 Hz 20 20
 freshness) 0 0
 SNAP-AIRTD: 100 Ohm Pt 3-wire 10 0A 10 2 Degrees C -200.0 -200.0 850.0 850.0
 SNAP-AIRTD: 100 Ohm Ni 3-wire 46 2E 10 2 Degrees C -60.0 -60.0 250.0 250.0
 SNAP-AIRTD: 0–400 Ohms, Lead
 15 0F 10 2 Ohms 0 0 400 440
 Compensated
 SNAP-AIRTD: 120 Ohm Ni 3-wire 48 30 10 2 Degrees C -80.0 -80.0 260.0 260.0
 SNAP-AIRTD-10: 10 Ohm Cu 3-wire 14 0E 0E 2 Degrees C -180.0 -180.0 260.0 260.0
22 Modbus/TCP Protocol Guide
 CHAPTER 2: CONFIGURING I/O FOR MODBUS/TCP
 Module Type (Hex)
 Points per Module
 Point Type (Dec)
 Point Type (Hex)
 Default Unit of
 Measurement
 Underrange
 Overrange
 Low Scale
 Full Scale
 Part Number &
 Description
SNAP-AIRTD-10: 0–25 Ohms, Lead
 15 0F 0E 2 Ohms 0 0 25 27.5
Compensated
SNAP-AIRTD-1K: 1000 Ohm Pt 3-wire 92 5C 0F 2 Degrees C -200.0 -200.0 850.0 850.0
SNAP-AIRTD-1K: 1000 Ohm Ni 3-wire 93 5D 0F 2 Degrees C -60.0 -60.0 250.0 250.0
SNAP-AIRTD-1K: 1000 Ohm Ni 3-wire 94 5E 0F 2 Degrees F -50.0 -50.0 275.0 275.0
SNAP-AIRTD-1K: 0–4000 Ohms, Lead
 15 0F 0F 2 Ohms 0 0 4000 4400
Compensated
SNAP-AIRTD-8U: 0–8000 Ohms - Fixed 155 9B 55 8 Ohms 0 0 8000 8800
SNAP-AIRTD-8U: 1000 Ohm Ni 3-wire @
 182 B6 55 8 Degrees F -46 -46 148.9 148.9
70° F
SNAP-AIRTD-8U: 1000 Ohm Ni 3-wire @
 181 B5 55 8 Degrees C -40 -40 135 135
0 °C
SNAP-AIRTD-8U: 1000 Ohm Pt @ 0 °C 180 B4 55 8 Degrees C -200 -200 850 850
SNAP-AIRTD-8U: 120 Ohm Ni @ 0 °C 179 B3 55 8 Degrees C -80 -80 260 260
SNAP-AIRTD-8U: 100 Ohm Ni @ 0 °C 178 B2 55 8 Degrees C -60 -60 250 250
SNAP-AIRTD-8U: 100 Ohm Pt @ 0 °C 177 B1 55 8 Degrees C -200 -200 850 850
SNAP-AIRTD-8U: 10 Ohm Cu 176 B0 55 8 Degrees C -60 -60 355 355
SNAP-AIRTD-8U: 0–8000 Ohms - Auto 171 AB 55 8 Ohms 0 0 8000 8800
SNAP-AIRTD-8U: 0–4000 Ohms - Auto 170 AA 55 8 Ohms 0 0 4000 4400
SNAP-AIRTD-8U: 0–2000 Ohms - Auto 169 A9 55 8 Ohms 0 0 2000 2200
SNAP-AIRTD-8U: 0–1000 Ohms - Auto 168 A8 55 8 Ohms 0 0 1000 1100
SNAP-AIRTD-8U: 0–800 Ohms - Auto 167 A7 55 8 Ohms 0 0 800 880
SNAP-AIRTD-8U: 0–400 Ohms - Auto 166 A6 55 8 Ohms 0 0 400 440
SNAP-AIRTD-8U: 0–200 Ohms - Auto 165 A5 55 8 Ohms 0 0 200 220
SNAP-AIRTD-8U: 0–100 Ohms - Auto 164 A4 55 8 Ohms 0 0 100 110
SNAP-AIRTD-8U: 0–80 Ohms - Auto 163 A3 55 8 Ohms 0 0 80 88
SNAP-AIRTD-8U: 0–40 Ohms - Auto 162 A2 55 8 Ohms 0 0 40 44
SNAP-AIRTD-8U: 0–20 Ohms - Auto 161 A1 55 8 Ohms 0 0 20 22
SNAP-AIRTD-8U: 0–10 Ohms - Auto 160 A0 55 8 Ohms 0 0 10 11
SNAP-AIRTD-8U: 0–4000 Ohms - Fixed 154 9A 55 8 Ohms 0 0 4000 4400
SNAP-AIRTD-8U: 0–2000 Ohms - Fixed 153 99 55 8 Ohms 0 0 2000 2200
SNAP-AIRTD-8U: 0–1000 Ohms - Fixed 152 98 55 8 Ohms 0 0 1000 1100
SNAP-AIRTD-8U: 0–800 Ohms - Fixed 151 97 55 8 Ohms 0 0 800 880
SNAP-AIRTD-8U: 0–400 Ohms - Fixed 150 96 55 8 Ohms 0 0 400 440
SNAP-AIRTD-8U: 0–200 Ohms - Fixed 149 95 55 8 Ohms 0 0 200 220
SNAP-AIRTD-8U: 0–100 Ohms - Fixed 148 94 55 8 Ohms 0 0 100 110
SNAP-AIRTD-8U: 0–80 Ohms - Fixed 147 93 55 8 Ohms 0 0 80 88
SNAP-AIRTD-8U: 0–40 Ohms - Fixed 146 92 55 8 Ohms 0 0 40 44
 Modbus/TCP Protocol Guide 23
CONFIGURING I/O CHANNELS
 Module Type (Hex)
 Points per Module
 Point Type (Dec)
 Point Type (Hex)
 Default Unit of
 Measurement
 Underrange
 Overrange
 Low Scale
 Full Scale
 Part Number &
 Description
 SNAP-AIRTD-8U: 0–20 Ohms - Fixed 145 91 55 8 Ohms 0 0 20 22
 SNAP-AIRTD-8U: 0–10 Ohms - Fixed 144 90 55 8 Ohms 0 0 10 11
 SNAP-AITM: -150 to +150 mV 66 42 66 2 mV -165.0 -150.0 150.0 165.0
 SNAP-AITM: -75 to +75 mV 68 44 66 2 mV -82.5 -75.0 75.0 82.5
 SNAP-AITM: Type E Thermocouple 19 13 66 2 Degrees C -270.0 -270.0 1000.0 1000.0
 SNAP-AITM: Type J Thermocouple 5 5 66 2 Degrees C -210.0 -210.0 1200.0 1200.0
 SNAP-AITM: Type K Thermocouple 8 8 66 2 Degrees C -270.0 -270.0 1372.0 1372.0
 SNAP-AITM-i: -150 to +150 mV 66 42 20 2 mV -165.0 -150.0 150.0 165.0
 SNAP-AITM-i: -75 to +75 mV 68 44 20 2 mV -82.5 -75.0 75.0 82.5
 SNAP-AITM-i: Type E Thermocouple 19 13 20 2 Degrees C -270.0 -270.0 1000.0 1000.0
 SNAP-AITM-i: Type J Thermocouple 5 5 20 2 Degrees C -210.0 -210.0 1200.0 1200.0
 SNAP-AITM-i: Type K Thermocouple 8 8 20 2 Degrees C -270.0 -270.0 1372.0 1372.0
 SNAP-AITM-4i: -150 to +150 mV 66 42 32 4 mV -165.0 -150.0 150.0 165.0
 SNAP-AITM-4i: -75 to +75 mV 68 44 32 4 mV -82.5 -75.0 75 82.5
 SNAP-AITM-4i: -50 to +50 mV 9 9 32 4 mV -55.0 -50.0 50.0 55.0
 SNAP-AITM-4i: -25 to +25 mV 67 43 32 4 mV -27.5 -25.0 25.0 27.5
 SNAP-AITM-4i: Type B Thermocouple 24 18 32 4 Degrees C 42.0 42.0 1820.0 1820.0
 SNAP-AITM-4i: Type C Thermocouple 32 20 32 4 Degrees C 0.0 0.0 2320.0 2320.0
 SNAP-AITM-4i: Type D Thermocouple 33 21 32 4 Degrees C 0.0 0.0 2320.0 2320.0
 SNAP-AITM-4i: Type E Thermocouple 19 13 32 4 Degrees C -270.0 -270.0 1000.0 1000.0
 SNAP-AITM-4i: Type G Thermocouple 31 1F 32 4 Degrees C 0.0 0.0 2320.0 2320.0
 SNAP-AITM-4i: Type J Thermocouple 5 5 32 4 Degrees C -210.0 -210.0 1200.0 1200.0
 SNAP-AITM-4i: Type K Thermocouple 8 8 32 4 Degrees C -270.0 -270.0 1372.0 1372.0
 SNAP-AITM-4i: Type N Thermocouple 30 1E 32 4 Degrees C -270.0 -270.0 1300.0 1300.0
 SNAP-AITM-4i: Type R Thermocouple 17 11 32 4 Degrees C -50.0 -50.0 1768.0 1768.0
 SNAP-AITM-4i: Type S Thermocouple 23 17 32 4 Degrees C -50.0 -50.0 1768.0 1768.0
 SNAP-AITM-4i: Type T Thermocouple 18 12 32 4 Degrees C -270.0 -270.0 400.0 400.0
 SNAP-AITM-8: -75 to +75 mV 68 44 4F 8 mV -82.5 -75.0 75.0 82.5
 SNAP-AITM-8: -50 to +50 mV 9 9 4F 8 mV -55.0 -50.0 50.0 55.0
 SNAP-AITM-8: -25 to +25 mV 67 43 4F 8 mV -27.5 -25.0 25.0 27.5
 SNAP-AITM-8: Type B Thermocouple 24 18 4F 8 Degrees C 42.0 42.0 1820.0 1820.0
 SNAP-AITM-8: Type C Thermocouple 32 20 4F 8 Degrees C 0.0 0.0 2320.0 2320.0
 SNAP-AITM-8: Type D Thermocouple 33 21 4F 8 Degrees C 0.0 0.0 2320.0 2320.0
 SNAP-AITM-8: Type E Thermocouple 19 13 4F 8 Degrees C -270.0 -270.0 1000.0 1000.0
 SNAP-AITM-8: Type G Thermocouple 31 1F 4F 8 Degrees C 0.0 0.0 2320.0 2320.0
 SNAP-AITM-8: Type J Thermocouple 5 5 4F 8 Degrees C -210.0 -210.0 1200.0 1200.0
 SNAP-AITM-8: Type K Thermocouple 8 8 4F 8 Degrees C -270.0 -270.0 1372.0 1372.0
24 Modbus/TCP Protocol Guide
 CHAPTER 2: CONFIGURING I/O FOR MODBUS/TCP
 Module Type (Hex)
 Points per Module
 Point Type (Dec)
 Point Type (Hex)
 Default Unit of
 Measurement
 Underrange
 Overrange
 Low Scale
 Full Scale
 Part Number &
 Description
SNAP-AITM-8: Type N Thermocouple 30 1E 4F 8 Degrees C -270.0 -270.0 1300.0 1300.0
SNAP-AITM-8: Type R Thermocouple 17 11 4F 8 Degrees C -50.0 -50.0 1768.0 1768.0
SNAP-AITM-8: Type S Thermocouple 23 17 4F 8 Degrees C -50.0 -50.0 1768.0 1768.0
SNAP-AITM-8: Type T Thermocouple 18 12 4F 8 Degrees C -270.0 -270.0 400.0 400.0
SNAP-AITM-8-FM: -75 to +75 mV 68 44 4F 8 mV -82.5 -75.0 75.0 82.5
SNAP-AITM-8-FM: -50 to +50 mV 9 9 4F 8 mV -55.0 -50.0 50.0 55.0
SNAP-AITM-8-FM: -25 to +25 mV 67 43 4F 8 mV -27.5 -25.0 25.0 27.5
SNAP-AITM-8-FM: Type B Thermocou-
 24 18 4F 8 Degrees C 42.0 42.0 1820.0 1820.0
ple
SNAP-AITM-8-FM: Type C Thermocou-
 32 20 4F 8 Degrees C 0.0 0.0 2320.0 2320.0
ple
SNAP-AITM-8-FM: Type D Thermocou-
 33 21 4F 8 Degrees C 0.0 0.0 2320.0 2320.0
ple
SNAP-AITM-8-FM: Type E Thermocou-
 19 13 4F 8 Degrees C -270.0 -270.0 1000.0 1000.0
ple
SNAP-AITM-8-FM: Type G Thermocou-
 31 1F 4F 8 Degrees C 0.0 0.0 2320.0 2320.0
ple
SNAP-AITM-8-FM: Type J Thermocouple 5 5 4F 8 Degrees C -210.0 -210.0 1200.0 1200.0
SNAP-AITM-8-FM: Type K Thermocou-
 8 8 4F 8 Degrees C -270.0 -270.0 1372.0 1372.0
ple
SNAP-AITM-8-FM: Type N Thermocou-
 30 1E 4F 8 Degrees C -270.0 -270.0 1300.0 1300.0
ple
SNAP-AITM-8-FM: Type R Thermocou-
 17 11 4F 8 Degrees C -50.0 -50.0 1768.0 1768.0
ple
SNAP-AITM-8-FM: Type S Thermocou-
 23 17 4F 8 Degrees C -50.0 -50.0 1768.0 1768.0
ple
SNAP-AITM-8-FM: Type T Thermocou-
 18 12 4F 8 Degrees C -270.0 -270.0 400.0 400.0
ple
SNAP-AITM2: -50 to +50 mV 9 9 09 2 mV -55.0 -50.0 50.0 55.0
SNAP-AITM2: -25 to +25 mV 67 43 09 2 mV -27.5 -25.0 25.0 27.5
SNAP-AITM2: Type B Thermocouple 24 18 09 2 Degrees C 42.0 42.0 1820.0 1820.0
SNAP-AITM2: Type C Thermocouple 32 20 09 2 Degrees C 0.0 0.0 2320.0 2320.0
SNAP-AITM2: Type D Thermocouple 33 21 09 2 Degrees C 0.0 0.0 2320.0 2320.0
SNAP-AITM2: Type G Thermocouple 31 1F 09 2 Degrees C 0.0 0.0 2320.0 2320.0
SNAP-AITM2: Type N Thermocouple 30 1E 09 2 Degrees C -270.0 -270.0 1300.0 1300.0
SNAP-AITM2: Type R Thermocouple 17 11 09 2 Degrees C -50.0 -50.0 1768.0 1768.0
SNAP-AITM2: Type S Thermocouple 23 17 09 2 Degrees C -50.0 -50.0 1768.0 1768.0
SNAP-AITM2: Type T Thermocouple 18 12 09 2 Degrees C -270.0 -270.0 400.0 400.0
SNAP-AITM2-i: -50 to +50 mV 9 9 21 2 mV -55.0 -50.0 50.0 55.0
SNAP-AITM2-i: -25 to +25 mV 67 43 21 2 mV -27.5 -25.0 25.0 27.5
 Modbus/TCP Protocol Guide 25
CONFIGURING I/O CHANNELS
 Module Type (Hex)
 Points per Module
 Point Type (Dec)
 Point Type (Hex)
 Default Unit of
 Measurement
 Underrange
 Overrange
 Low Scale
 Full Scale
 Part Number &
 Description
 SNAP-AITM2-i: Type B Thermocouple 24 18 21 2 Degrees C 42.0 42.0 1820.0 1820.0
 SNAP-AITM2-i: Type C Thermocouple 32 20 21 2 Degrees C 0.0 0.0 2320.0 2320.0
 SNAP-AITM2-i: Type D Thermocouple 33 21 21 2 Degrees C 0.0 0.0 2320.0 2320.0
 SNAP-AITM2-i: Type G Thermocouple 31 1F 21 2 Degrees C 0.0 0.0 2320.0 2320.0
 SNAP-AITM2-i: Type N Thermocouple 30 1E 21 2 Degrees C -270.0 -270.0 1300.0 1300.0
 SNAP-AITM2-i: Type R Thermocouple 17 11 21 2 Degrees C -50.0 -50.0 1768.0 1768.0
 SNAP-AITM2-i: Type S Thermocouple 23 17 21 2 Degrees C -50.0 -50.0 1768.0 1768.0
 SNAP-AITM2-i: Type T Thermocouple 18 12 21 2 Degrees C -270.0 -270.0 400.0 400.0
 SNAP-AIV: -10 to +10 VDC 12 C 12 2 VDC -11.0 -10.0 10.0 11.0
 SNAP-AIV: -5 to +5 VDC 11 B 12 2 VDC -5.5 -5.0 5.0 5.5
 SNAP-AIV-i: -10 to +10 VDC 12 C 23 2 VDC -11.0 -10.0 10.0 11.0
 SNAP-AIV-i: -5 to +5 VDC 11 B 23 2 VDC -5.5 -5.0 5.0 5.5
 SNAP-AIV-4: -10 to +10 VDC 12 C 41 4 VDC -11.0 -10.0 10.0 11.0
 SNAP-AIV-4: -5 to +5 VDC 11 B 41 4 VDC -5.5 -5.0 5.0 5.5
 SNAP-AIV-8: -10 to +10 VDC 12 C 4B 8 VDC -11.0 -10.0 10.0 11.0
 SNAP-AIV-8: -5 to +5 VDC 11 B 4B 8 VDC -5.5 -5.0 5.0 5.5
 SNAP-AIV-32: -10 to +10 VDC 12 C 4E 32 VDC -11.0 -10.0 10.0 11.0
 SNAP-AIV-32: -5 to +5 VDC 11 B 4E 32 VDC -5.5 -5.0 5.0 5.5
 SNAP-AIV-32-FM: -10 to +10 VDC 12 C 4E 32 VDC -11.0 -10.0 10.0 11.0
 SNAP-AIV-32-FM: -5 to +5 VDC 11 B 4E 32 VDC -5.5 -5.0 5.0 5.5
 SNAP-AIV2-i: -100 to +100 VDC 72 48 24 2 VDC -110.0 -100.0 100.0 110.0
 SNAP-AIV2-i: -50 to +50 VDC 73 49 24 2 VDC -55.0 -50.0 50.0 55.0
 SNAP-AIVRMS: 0–250 VAC/VDC 70 46 70 2 VAC/VDC 0.0 0.0 250.0 275.0
 SNAP-AIVRMS-i: 0–250 VAC/VDC 70 46 28 2 VAC/VDC 0.0 0.0 250.0 275.0
 SNAP-AIVRMS-i-FM: 0–250 VAC/VDC 70 46 28 2 VAC/VDC 0.0 0.0 250.0 275.0
 SNAP-AIR40K-4: 0 to 40K Ohms 74 4A 43 4 Ohms 0 0 40,000 44,000
 SNAP-AIR40K-4: 0 to 20K Ohms 75 4B 43 4 Ohms 0 0 20,000 22,000
 SNAP-AIR40K-4: 0 to 10K Ohms 76 4C 43 4 Ohms 0 0 10,000 11,000
 SNAP-AIR40K-4: 0 to 5K Ohms 77 4D 43 4 Ohms 0 0 5000 5500
 400,00 440,00
 SNAP-AIR400K-8: 0 to 400K Ohms 105 69 54 8 Ohms 0 0
 0 0
 400,00 440,00
 SNAP-AIR400K-8: 0 to 400K Autorange 188 BC 54 8 Ohms 0 0
 0 0
 200,00 220,00
 SNAP-AIR400K-8: 0 to 200K Ohms 106 6A 54 8 Ohms 0 0
 0 0
 100,00 110,00
 SNAP-AIR400K-8: 0 to 100K Ohms 107 6B 54 8 Ohms 0 0
 0 0
 SNAP-AIR400K-8: 0 to 50K Ohms 108 6C 54 8 Ohms 0 0 50,000 55,000
26 Modbus/TCP Protocol Guide
 CHAPTER 2: CONFIGURING I/O FOR MODBUS/TCP
 Module Type (Hex)
 Points per Module
 Point Type (Dec)
 Point Type (Hex)
 Default Unit of
 Measurement
 Underrange
 Overrange
 Low Scale
 Full Scale
 Part Number &
 Description
SNAP-AIR400K-8: 0 to 40K Ohms 74 4A 54 8 Ohms 0 0 40,000 44,000
SNAP-AIR400K-8: 0 to 20K Ohms 75 4B 54 8 Ohms 0 0 20,000 22,000
SNAP-AIR400K-8: 0 to 10K Ohms 76 4C 54 8 Ohms 0 0 10,000 11,000
SNAP-AIR400K-8: 0 to 5K Ohms 77 4D 54 8 Ohms 0 0 5000 5500
SNAP-AIR400K-8: 0 to 4K Ohms 38 26 54 8 Ohms 0 0 4000 4400
SNAP-AIR400K-8: 0 to 2K Ohms 39 27 54 8 Ohms 0 0 2000 2200
SNAP-AIR400K-8: 0 to 1K Ohms 40 28 54 8 Ohms 0 0 1000 1100
SNAP-AIR400K-8: 0 to 500 Ohms 41 29 54 8 Ohms 0 0 500 550
SNAP-pH/ORP: -1 to +1 VDC 78 4E 25 2 VDC -1.1 -1.0 1.0 1.1
SNAP-pH/ORP: 0–14 pH 79 4F 25 2 pH -1.4 0.0 14.0 15.4
SNAP-pH/ORP: -0.5 to +0.5 VDC 80 50 25 2 VDC -0.55 -0.5 0.5 0.55
SNAP-PID-V 99 63 D0 4 Percent 0 0 100.0 110.0
* The SNAP-AIPM module monitors one device from point 0 (volts) and point 1 (amps). Points 2 and 3 return cal-
culated values. The SNAP-AIPM-3 and SNAP-AIPM-3V monitor three phases from points 0,4, & 8 (volts) and
points 1,5, & 9 (amps). All other points return calculated values. See the SNAP AIPM Modules Data Sheet (form
1453) for details.
Analog Outputs
 Module Type (Hex)
 Points per Module
 Point Type (Dec)
 Point Type (Hex)
 Default Unit of
 Measurement
 Underrange
 Overrange
 Low scale
 Full scale
 Part Number &
 Description
SNAP-AOA-3: 4–20 mA 131 83 83 1 mA 4.0 4.0 20.0 20.0
SNAP-AOV-5: 0–10 VDC 133 85 85 1 VDC 0.0 0.0 10.0 10.0
SNAP-AOA-23: 4–20 mA 163 A3 A3 2 mA 4.0 4.0 20.0 20.0
SNAP-AOA-23-iSRC: 4–20 mA 163 A3 B3 2 mA 4.0 4.0 20.0 20.0
SNAP-AOA-23-iSRC-FM: 4–20 mA 163 A3 B3 2 mA 4.0 4.0 20.0 20.0
SNAP-AOA-23-iH: 4–20 mA 163 A3 AB 2 mA 4.0 4.0 20.0 20.0
SNAP-AOV-25: 0–10 VDC 165 A5 A5 2 VDC 0.0 0.0 10.0 10.0
SNAP-AOV-27: -10 to +10 VDC 167 A7 A7 2 VDC -10.0 -10.0 10.0 10.0
SNAP-AOA-28: 0–20 mA 168 A8 A8 2 mA 0.0 0.0 20.0 20.0
SNAP-AOVA-8: 0–5 VDC 144 90 CF 8 VDC 0.0 0.0 5.0 5.0
SNAP-AOVA-8: 0–10 VDC 145 91 CF 8 VDC 0.0 0.0 10.0 10.0
SNAP-AOVA-8: -5 to +5 VDC 146 92 CF 8 VDC -5.0 -5.0 5.0 5.0
SNAP-AOVA-8: -10 to +10 VDC 147 93 CF 8 VDC -10.0 -10.0 10.0 10.0
SNAP-AOVA-8: 4–20 mA 148 94 CF 8 mA 4.0 4.0 20.0 20.0
 Modbus/TCP Protocol Guide 27
USING I/O CHANNEL FEATURES
 Module Type (Hex)
 Points per Module
 Point Type (Dec)
 Point Type (Hex)
 Default Unit of
 Measurement
 Underrange
 Overrange
 Low scale
 Full scale
 Part Number &
 Description
 SNAP-AOVA-8: 0–20 mA 149 95 CF 8 mA 0.0 0.0 20.0 20.0
 SNAP-AOD-29: TPO 5–60 VDC 169 A9 A9 2 Percent n/a 0.0 100.0 n/a
 SNAP-AOD-29-HFi: TPO 2.5–24
 131 83 B9 2 Percent n/a 0.0 100.0 n/a
 VDC
 Examples of Configured SNAP I/O Channels for Modbus
 To configure I/O channels for Modbus/TCP, write the channel configuration data from the previous table to
 holding registers 11271–13318. Since the data for this area of the Modbus map is in the form of 32-bit
 integers, use two consecutive registers to write the data to one channel.
 For example, look at the tables starting on page 20. If the module in position 0 on the rack is a SNAP-AIV with
 a -5 to +5 V input, it is not the default for that module. Therefore you must configure its channels. Now take a
 look at the Holding Registers section of the Modbus map on page 37. You will write to the Configure Channels
 area, registers 11271–13318. Since it takes two registers per channel and the analog module has two
 channels, you write the hex value 0B (for a -5 to +5 V analog input) to the first four registers, 11271–11274.
 As another example, suppose the module in position 1 on the rack is a 4-channel digital output module. Since
 the default is a 4-channel digital input module, you must configure its channels. You write the hex value 180
 (for a 4-channel digital output module) to the registers for module 1.
 Configuring I/O Channels for SNAP Digital-Only I/O Units
 The digital-only SNAP-UP1-D64 and SNAP-ENET-D64 I/O units assume that all positions on the rack contain
 4-channel digital input modules. If a position contains an output module, you must configure its channels as
 outputs.
 For example, suppose the module in position 0 on the rack is a 4-channel digital output module. To configure
 its channels, write a 1 to coils 193–196. See the Modbus memory map on page 34. (Be sure you are looking in
 the column for these digital-only I/O units.)
 NOTE: SNAP digital-only I/O units support 4-channel digital modules only; they do not support high-density digital
 modules.
USING I/O CHANNEL FEATURES
 The I/O channel features available on Opto 22 I/O units used with Modbus/TCP depend on the combined
 capabilities of the I/O processor and the module. Note that some features available through other
 communication methods (PAC Control, Optomux, or OptoMMP, depending on the processor) are not available
 in the Modbus memory map.
 For groov I/O, note that modules with an S in their part numbers provide channel status only; they do not
 offer other features. For example, the GRV-IDCS-24 senses on/off status only, and the GRV-OACS-12 controls
 on/off status only.
28 Modbus/TCP Protocol Guide
 CHAPTER 2: CONFIGURING I/O FOR MODBUS/TCP
 The following features are discussed in this chapter. See the referenced pages for more information on using
 them in your application.
 See
 Feature Description
 For EPIC For SNAP For E1/E2
 Channel (digital inputs and outputs)—A digital channel is either on or off. You can read the
 page 40 page 11 page 14
 States current state of a digital input or write an on/off state to a digital output.
 Channel (analog inputs and outputs)—An analog channel has a range of values. You can
 page 39 page 12 page 15
 Values read the current value of an analog input or write a value to an analog output.
 (digital inputs)—When the value of a digital input channel changes from off to on, an
 on-latch is automatically set. While the value of the channel may return to off, the
 Latches on-latch remains set, as a record of the change, until you clear it. Similarly, an page 40 page 29 page 31
 off-latch is set when the value of a digital channel changes from on to off, and it
 remains set until cleared.
 (digital inputs)—A counter keeps track of the number of times a digital input changes
 from off to on. The count accumulates until it reaches the maximum count available
 in the I/O unit or until you reset the counter to zero. For example, to count the num-
 Counters ber of widgets produced per shift, you would clear the counter at the start of each page 40 page 29 page 31
 shift and read it at the end of each shift.
 The speed of the counter depends upon the I/O processor’s capabilities and the
 speed of the module used.
 (analog channels)—Analog input and output channels can be scaled as needed. For
 Scaling page 39 page 30 page 32
 example, you can scale a -5 V to +5 V input channel to reflect 0% to 100%
 (analog inputs)—Minimum and maximum values are sometimes called peaks and
Minimum & valleys. You can read these values at any time, for example, to record minimum and
maximum maximum temperatures. You can also reset min/max values. For example, if you page 39 page 31 page 32
 values want to record the maximum temperature at channel 2 in each 24-hour period, you
 must reset the values after they are read each day.
 (analog inputs) Offset and gain calculations are used to calibrate analog channels. If
Offset and a -50 mV to +50 mV input receives signals that are slightly off (not exactly -50 mV at
 page 39 page 31 page 32
 gain the lowest channel, for example), the offset and gain can be calculated so that val-
 ues will appear accurately when read.
 groov and SNAP Digital I/O Channel Features
 Refer to Chapter 3: The Modbus Memory Map to find the coils, inputs, and registers mentioned in this section.
 For explanations of channel features, see page 28.
 Latches
 Latches are a channel feature automatically available on SNAP Ethernet-based I/O units; they do not require
 configuration. To use latches, see the Modbus memory maps beginning on page 33.
 Counters on groov I/O
 Counting is available on groov digital I/O except for modules with an S in the part number, which provide
 on/off status only.
 Counters must be configured using holding registers 13319–15366. Because the data is in the form of a 32-bit
 integer, use two consecutive registers for each channel. For example, to configure module 0, channel 0 as a
 counter, you would write the following:
 To these registers: 13319 13320
 Write this: 0 1
 Modbus/TCP Protocol Guide 29
USING I/O CHANNEL FEATURES
 To read counters on groov I/O, read input registers 513–2560 (or read and clear counters using input registers
 2561–4608). Read two consecutive registers per channel. See “Notes for groov I/O and SNAP High-Density
 Digital (HDD) Modules” on page 40
 Counters on SNAP I/O
 High-Speed Counters. Analog/digital SNAP I/O units with high-speed capability (such as SNAP-PAC-R1
 and SNAP-PAC-EB1 I/O units) support high-speed counters on any 4-channel digital input; the actual counter
 speed depends on the module. Digital-only and analog/simple digital I/O units (such as SNAP-PAC-R2 and
 SNAP-PAC-EB2 I/O units) do not support high-speed counters. High-speed counters require configuration. See
 below, “Using Counters .”
 Other Counters. Channels on SNAP high-density digital modules automatically provide counting. These
 counters are not high speed; see the module’s data sheet for specific information.
 Using Counters . High-speed counters on SNAP 4-channel modules involve two steps: configure the
 counter and read data. Counters on SNAP high-density digital modules do not need configuration for
 Modbus/TCP.
 • To configure a high-speed counter, write to holding registers 13319–15366. Remember that you use two
 consecutive registers for each channel, since the data is in the form of a 32-bit integer. For example, to
 configure module 0, channel 0 as a counter, you would write the following:
 To these registers: 13319 13320
 Write this: 0 1
 • To read high-speed counter data, read input registers 385–512. Read two consecutive registers per
 channel.
 • To clear a high-speed counter, write to coils 257–320. For example, to clear the counter on module 0,
 channel 0, you would write a 1 to coil 257.
 • To read counters on high-density digital modules, read input registers 513–2560 (or read and clear
 counters using input registers 2561–4608). Read two consecutive registers per channel.
 groov and SNAP Analog I/O Channel Features
 Analog channel features apply to groov I/O and SNAP I/O units that contain analog modules. For explanations
 of channel features, see page 28.
 Analog channel features generally require that you read or write to two consecutive registers for each channel,
 since the data is in the form of a 32-bit IEEE float. Data is in Big Endian format. You can change the word order
 if you wish:
 • For groov I/O, change it in groov Manage (Home > I/O > I/O Unit Configuration and Tools >
 Configuration).
 • For SNAP I/O, you can change it using the Modbus memory map (see Holding Register 1029 on page 38).
 If you change word order, be sure to store configuration information to flash (Holding Register 1026) so it
 will be saved when the I/O unit is turned off.
 See “Notes for All Analog Modules” on page 39 for more information on reading and writing to analog I/O
 features.
 Scaling
 To scale an analog channel, write the low-scale value to holding registers 7175–9222 and the high-scale value
 to holding registers 9223–11270. Write to two consecutive registers for each channel you are scaling.
30 Modbus/TCP Protocol Guide
 CHAPTER 2: CONFIGURING I/O FOR MODBUS/TCP
Minimum and Maximum Values
Minimum and maximum values are analog channel features. The I/O unit automatically keeps track of
minimum and maximum values; they do not require configuration. You can read the values at any time, for
example to record minimum and maximum temperatures. You can also clear them.
• To read min/max values, read input registers 6657–10752. Read two consecutive registers per channel.
• To clear min/max values, write 1 bits to coils 3585–5632.
Offset and Gain
Offset and gain are also analog channel features on groov I/O and SNAP I/O units. Setting offset and gain for
analog input channels is important to make sure that values appear accurately when read. If a -50 mV to +50
mV input receives signals that are slightly off (not exactly -50 mV at the lowest channel, for example), you can
set offset and gain to adjust them.
Calculate offset first, and then calculate gain. The offset must be calculated at the channel’s low scale, and the
gain must be calculated at the channel’s high scale.
Once you have calculated offset and gain values, write them to the I/O unit. To set offset, write to holding
registers 3079–5126, using two consecutive registers per channel. To set gain, write to holding registers 5127–
7174. See
E1 Digital Channel Features
For explanations of digital channel features, see page 28.
Latches
Latches are a digital channel feature available on E1 brain boards. They do not require configuration. Read and
clear latches as shown in the following table and the Modbus memory map beginning on page 33.
 To do this Use these coils/inputs
Read the on-latch state Read inputs 65–80
Read the off-latch state Read inputs 129–144
Clear on-latches Write to coils 129–144
Clear off-latches Write to coils 193–208
Counters
Using counters involves three steps: configure the counter (holding registers 769-800), activate the counter
(coils 65-80), and read data (input registers 385-416). See the Modbus memory map beginning on page 33 to
find the coils and registers mentioned.
 To do this Use these coils/registers
 Write to holding registers 769–800. Remember that you use two consecutive reg-
 isters for each channel, since the data is in the form of a 32-bit integer but the
 registers are 16 bits each. For example, to configure channel #1 as a counter, you
Configure a counter would write 01 to registers 769-770.
 To these registers: 769 770
 Write this: 0 1
 Write to coils 65-80. For example, to activate the counter for channel #1, you
Activate a counter
 would write to coil number 65.
Read counter data Read input registers 385–416. Read two consecutive registers per channel.
 Write to coils 257–272. For example, to clear the counter on channel #1, you
Clear a counter
 would write a 1 to coil 257.
 Modbus/TCP Protocol Guide 31
USING I/O CHANNEL FEATURES
 E2 Analog Channel Features
 For explanations of analog channel features, see page 28.
 Analog channel features generally require that you read or write two consecutive registers for each channel,
 since the data is in the form of a 32-bit IEEE float. Data is in Big Endian format. You can change the word order
 if you wish, using Holding Register 1029, which is described on page 38. If you change word order, be sure to
 store configuration information to flash (Holding Register 1026) so it will be saved when power to the brain
 board is cycled.
 Scaling E2 Analog Channels
 Configuration of E1 and E2 brain boards is simplified in E1/E2 firmware R1.2a (and higher) and in PAC Project
 9.5000 (and higher). Also, if a SNAP PAC controller communicates with the E1 or E2, the controller must have
 PAC firmware R9.5a (or higher) to use the simplified configuration method.
 If you are not using these firmware and software versions, you must scale analog channels when you
 configure I/O. For details, see Opto 22 form 1576, I/O Configuration for E1 and E2 Brain Boards.
 Minimum and Maximum Values
 Minimum and maximum values (also called peaks and valleys) are automatically tracked on the E2 and do not
 require configuration. For example, you can read the values at any time to record minimum and maximum
 pressures. You can also clear them.
 NOTE: The E2 does not maintain minimum and maximum values for temperature.
 • To read min/max values, read input registers 129–160 (min) and 257–288 (max). Read two consecutive
 registers per channel.
 • To clear min/max values, write 1 bits to coils 321–336 (min) and 385–400 (max).
 Offset and Gain
 You can monitor current values for offset and gain using holding registers 129–160 and 257–288. To perform
 calibration on analog channels, use PAC Manager. See the PAC Manager User’s Guide.
 A Note on Analog Counts
 As mentioned, the configuration method for E2 I/O units was simplified in E2 firmware R1.2a and PAC Project
 R9.5. With the new method, you can configure E2s in PAC Control and PAC Manager just as you would other
 I/O units, and configure their channels as G1 modules rather than similar SNAP modules.
 This change makes a difference in how the E2 I/O unit reports counts. Modules configured directly as G1
 modules (the new method) will report counts as G1 counts (0 to +4095 nominal range). Modules configured
 under the old method will report counts as SNAP counts (0 to +25000, or -25000 to +25000).
32 Modbus/TCP Protocol Guide
 Chapter 3
 3: The Modbus Memory Map
INTRODUCTION
 The following tables show the coils, inputs, input registers, and holding registers that apply to Opto 22 devices
 supporting Modbus/TCP. We call these the Modbus memory map.
 New areas have been added to the Modbus memory map to accommodate new higher-density digital and
 analog modules, including groov I/O modules. As a result, the functions of some coil, input, and register
 numbers have been duplicated in larger areas. In the following tables, the older numbers are shown in
 brackets. These older numbers can still be used for backward compatibility, but we recommend using the
 referenced larger areas for new development.
 NOTE: Because digital counters and module configuration require more than one bit, they are handled in input and
 holding registers.
 For all actions in this chapter, use a unit ID (slave ID) of 1.
 If you need to take actions not shown in the following tables, see Chapter 4: Accessing Other Data.
COILS NUMBER
 For SNAP 4-channel digital I/O modules: For these modules, up to 64 channels are available on the largest
 SNAP I/O rack; therefore, digital coils contain 64 numbers. Each number contains the data for one channel.
 Data is either 0 or 1.
 For digital and analog I/O on E1 and E2 I/O units: These racks contain up to 16 channels, so coils contain
 16 numbers, each with the data for one channel. Data is either 0 or 1.
 For groov I/O, SNAP high-density digital I/O, and SNAP analog minimum/maximum: Coils contain
 512 numbers, with an extra 512 coils reserved. See “Notes for groov I/O and SNAP High-Density Digital (HDD)
 Modules” on page 40 and “Notes for All Analog Modules” on page 39.
 The Coils table begins on the following page.
 Modbus/TCP Protocol Guide 33
 33
COILS NUMBER
 Coil Numbers
 SNAP-B3000-ENET
 SNAP-ENET-D64
 SNAP-ENET-S64
 SNAP-PAC-R1-B
 SNAP-PAC-EB1
 SNAP-PAC-EB2
 SNAP-UP1-M64
 SNAP-UP1-D64
 GRV-EPIC-PR1
 SNAP-PAC-R1
 SNAP-PAC-R2
 Action Notes
 E1 E2
Read or Write Channel
State on 4-channel or -- 1–64 1–64 1–64 1–16 -- 1 = On, 0 = Off
1-channel digital outputs
 1 = On, 0 = Off. Configure
Activate Counters on
 as a channel feature first.
4-channel or 1-channel digi- -- 65–128 -- -- 65–80 --
 See “Counters on SNAP
tal modules
 I/O” on page 30.
Read or Clear On-latch on
 1 = clear latches; 0 = do
4-channel or 1-channel digi- -- 129–192 65–128 65–128 129–144 --
 nothing
tal modules
Read or Clear Off-latch on
 1 = clear latches; 0 = do
4-channel or 1-channel digi- -- 193–256 129–192 129–192 193–208 --
 nothing
tal modules
Clear Counters on 4-chan-
 1 = clear counters; 0 = do
nel or 1-channel digital -- 257–320 -- -- 257–272 --
 nothing
modules
Clear Analog Minimum Val-
 [321–384]1 1 = clear minimum values; 0
ues on analog modules with -- Use 3585 -- -- 321–336
 Use 3585 = do nothing
4 channels or less
Clear Analog Maximum Val-
 [385–448]1 1 = clear maximum values;
ues on analog modules with -- Use 4609 -- -- 385–400
 Use 4609 0 = do nothing
4 channels or less
Read or Write Channel
State on digital modules 513–1536 513–1536 513–1536 -- -- -- 1 = On, 0 = Off
with more than 4 channels
Clear On-latch (SNAP HDD 1 = clear latches; 0 = do
 1537–2560 1537–2560 1537–2560 -- -- --
& groov I/O modules)2 nothing
Clear Off-latch (SNAP HDD 1 = clear latches; 0 = do
 2561–3584 2561–3584 2561–3584 -- -- --
& groov I/O modules)2 nothing
Clear Analog Minimum Val- 1 = clear minimum values; 0
 3585–4608 3585–4608 3585–4608 -- -- --
ues on all analog modules = do nothing
Clear Analog Maximum Val- 1 = clear maximum values;
 4609–5632 4609–5632 4609–5632 -- -- --
ues on all analog modules 0 = do nothing
 (See (See (See Hold- (See Hold-
Configure Channel Type
 -- Holding Holding 193–256 ing Regis- ing Regis- 1 - output; 0 = input
(4-channel digital)
 Registers) Registers) ters) ters)
 Using Modbus Command
 (See (See 257 (or (See Hold- (See Hold-
 05, write 1 to store channel
Store Configuration to Flash Holding Holding Holding 257 ing Regis- ing Regis-
 configuration data to flash.
 Registers) Registers) Register) ters) ters)
 Reading always returns 0.
 Using Modbus Command
 (See (See 258 (or (See Hold- (See Hold- 05, write 1 to reset. Reset-
Reset to Factory Defaults Holding Holding Holding 258 ing Regis- ing Regis- ting clears latches and turns
 Registers) Registers) Register) ters) ters) off digital outputs. Reading
 always returns 0.
34 Modbus/TCP Protocol Guide
 CHAPTER 3: THE MODBUS MEMORY MAP
 Coil Numbers
 SNAP-B3000-ENET
 SNAP-ENET-D64
 SNAP-ENET-S64
 SNAP-PAC-R1-B
 SNAP-PAC-EB1
 SNAP-PAC-EB2
 SNAP-UP1-M64
 SNAP-UP1-D64
 GRV-EPIC-PR1
 SNAP-PAC-R1
 SNAP-PAC-R2
 Action Notes
 E1 E2
 Using Modbus Command
 (See 259 (or (See Hold- (See Hold- 05, write 1 to set channel
Clear Channel Configura-
 -- Holding Holding 259 ing Regis- ing Regis- configuration data to
tion (4-channel digital)
 Registers) Register) ters) ters) defaults. Reading always
 returns 0.
 Using Modbus Command
 05, write 1 to reset hard-
 ware, which is just like
 (See 260 (or (See Hold- (See Hold- cycling power to the device.
Reset Hardware -- Holding Holding 260 ing Regis- ing Regis- If channel configuration data
 Registers) Register) ters) ters) has not been stored to flash,
 channels are reset to
 defaults. Reading always
 returns 0.
1 These coil numbers were used in the past and still work, but for new development, use the referenced coil numbers instead.
2 Applies to SNAP HDD (high-density digital modules, more than 4 channels) and groov digital I/O except modules with S in the part
number (Part numbers with S provide on/off status only.)
INPUTS
 SNAP 4-channel digital input modules: inputs contain 64 numbers, each with the data for one channel.
 Data is either 0 or 1.
 I/O modules for E1 and E2 I/O units: inputs contain 16 numbers, each with the data for one channel. Data is
 either 0 or 1.
 groov I/O and SNAP high-density digital input modules: inputs contain 512 numbers, with an extra 512
 numbers reserved. See “Notes for groov I/O and SNAP High-Density Digital (HDD) Modules” on page 40.
 Input Numbers
 SNAP-B3000-ENET
 SNAP-ENET-D64
 SNAP-ENET-S64
 SNAP-PAC-R1-B
 SNAP-PAC-EB1
 SNAP-PAC-EB2
 SNAP-UP1-M64
 SNAP-UP1-D64
 GRV-EPIC-PR1
 SNAP-PAC-R1
 SNAP-PAC-R2
 Action Notes
 E1 E2
Read 4-channel Digital Inputs -- 1–64 1–64 1–64 1–16 -- 1 = On, 0 = Off
Read State of On-latches (4-channel digital
 -- 65–128 65–128 65–128 65–80 -- 1 = On, 0 = Off
modules)
Read State of Off-latches (4-channel digital 129–
 -- 129–192 129–192 129–144 -- 1 = On, 0 = Off
modules) 192
Read Counter Active State (4-channel digital 1 = Active, 0 =
 -- 193–256 -- -- 193–208 --
modules) Inactive
Read digital modules with more than 4 chan-
 513–1536 513–1536 513–1536 -- -- -- 1 = On, 0 = Off
nels
 Modbus/TCP Protocol Guide 35
INPUT REGISTERS
 Input Numbers
 SNAP-B3000-ENET
 SNAP-ENET-D64
 SNAP-ENET-S64
 SNAP-PAC-R1-B
 SNAP-PAC-EB1
 SNAP-PAC-EB2
 SNAP-UP1-M64
 SNAP-UP1-D64
 GRV-EPIC-PR1
 SNAP-PAC-R1
 SNAP-PAC-R2
 Action Notes
 E1 E2
Read On-Latches (SNAP HDD and groov I/O
 1537–2560 1537–2560 1537–2560 -- -- -- 1 = On, 0 = Off
modules)*
Read Off-Latches (SNAP HDD and groov I/O
 2561–3584 2561–3584 2561–3584 -- -- -- 1 = On, 0 = Off
modules)*
* Applies to SNAP HDD (high-density digital modules, more than 4 channels) and groov digital I/O except modules with S in the part
number (Part numbers with S provide on/off status only.)
INPUT REGISTERS
 Input register data is in 32-bit floats or 32-bit integers. Because Modbus registers contain only 16 bits, you
 must use two consecutive registers to read the data for one channel, starting with an odd-numbered register.
 This table includes registers for all analog modules, regardless of the number of channels they have. For help
 in working with analog modules, see “Notes for All Analog Modules” on page 39.
 For high-density digital modules, see “Notes for groov I/O and SNAP High-Density Digital (HDD) Modules”
 on page 40.
 Input Register Numbers
 SNAP-B3000-ENET
 SNAP-ENET-D64
 SNAP-ENET-S64
 SNAP-PAC-R1-B
 SNAP-PAC-EB1
 SNAP-PAC-EB2
 SNAP-UP1-M64
 SNAP-UP1-D64
 GRV-EPIC-PR1
 SNAP-PAC-R1
 SNAP-PAC-R2
 Action Notes
 E1 E2
Read Analog Values on analog modules with [1–128]1 [1–128]1
 -- -- -- 1–32 IEEE 32-bit float
4 channels or less Use 4609 Use 4609
Read Analog Minimum Values (Inputs only; [129–256]1 [129–256]1
 -- -- -- 129–160 IEEE 32-bit float
modules with 4 channels or less) Use 6657 Use 6657
Read Analog Maximum Values (Inputs only; [257–384]1 [257–384]1
 -- -- -- 257–288 IEEE 32-bit float
modules with 4 channels or less) Use 8705 Use 8705
Read Digital Counter Data on 4-channel or
 -- 385–512 -- -- 385–416 -- 32-bit integer
1-channel digital modules
Read Digital Counter Data (SNAP HDD &
 513–2560 513–2560 513–2560 -- -- -- 32-bit integer
groov I/O modules)2
Read & Clear Digital Counter Data (SNAP
 2561–4608 2561–4608 2561–4608 -- -- -- 32-bit integer
HDD & groov I/O modules)2
Read Analog Values (all analog modules) 4609–6656 4609–6656 4609–6656 -- -- -- IEEE 32-bit float
Read Analog Minimum Values (all analog
 6657–8704 6657–8704 6657–8704 -- -- -- IEEE 32-bit float
input modules)
Read Analog Maximum Values (all analog 8705– 8705– 8705–
 -- -- -- IEEE 32-bit float
input modules) 10752 10752 10752
1 These register numbers were used in the past and still work, but for new development, use the referenced numbers instead.
2 Applies to SNAP HDD (high-density digital modules, more than 4 channels) and groov digital I/O except modules with S in the part
number (Part numbers with S provide on/off status only.)
36 Modbus/TCP Protocol Guide
 CHAPTER 3: THE MODBUS MEMORY MAP
 You can read a maximum of 127 registers in one command.
HOLDING REGISTERS
 Most of this data is also in the form of 32-bit integers or 32-bit floats. For these formats, you must use two
 consecutive registers to read or write the data for one channel, starting with an odd-numbered register.
 This table includes registers for all analog modules, regardless of the number of channels they have. For help
 in working with analog modules, see “Notes for All Analog Modules” on page 39.
 Holding Register Numbers
 SNAP-B3000-ENET
 SNAP-ENET-D64
 SNAP-ENET-S64
 SNAP-PAC-R1-B
 SNAP-UP1-ADS
 SNAP-PAC-EB1
 SNAP-PAC-EB2
 SNAP-UP1-M64
 SNAP-UP1-D64
 GRV-EPIC-PR1
 SNAP-PAC-R1
 SNAP-PAC-R2
 Action Notes
 E1 E2
Read or Write Analog
Outputs in Engineering [1–128]1 [1–128]1
 -- -- -- 1–32 IEEE 32-bit float
Units (modules with 4 Use 1031 Use 1031
channels or less)
Set Analog Offset (mod-
 [129–256]1 [129–256]1
ules with 4 channels or -- -- -- 129–160 IEEE 32-bit float
 Use 3079 Use 3079
less)
Set Analog Gain (mod-
 [257–384]1 [257–384]1
ules with 4 channels or -- -- -- 257–288 IEEE 32-bit float
 Use 5127 Use 5127
less)
Set Channel Low Scale
 [385–512]1 [385–512]1
Value (modules with 4 -- -- -- 385–416 IEEE 32-bit float
 Use 7175 Use 7175
channels or less)
Set Channel High Scale
 [513–640]1 [513–640]1
Value (modules with 4 -- -- -- 513–544 IEEE 32-bit float
 Use 9223 Use 9223
channels or less)
Configure Channels 32-bit integer (See page 17
 [641–768]1 [641–768]1 See
(modules with 4 channels -- 641–6722 641–6722 for information on configur-
 Use 11271 Use 11271 Coils
or less) ing channels.)
Configure Channel Fea-
tures (counters on [769–896]1 32-bit integer (See page 28
 -- Use 13319 -- 769–800 --
4-channel or 1-channel Use 13319 for information on counters.)
digital modules)
Reserved 897–1024 897–1024 769–1024 -- 897–1024 897–1024 Reserved
 16-bit integer. 1 sets degrees
Set Degrees in F or C 1025 1025 1025 -- -- 1025
 in F; 0 sets degrees in C.
 16-bit integer. Any non-zero
 value stores configuration to
Store Configuration to 1026 See
 1026 1026 1026 1026 flash, so it is restored when
Flash (Or Coil 257) Coils
 the brain is turned on. 0 = no
 action.
 Modbus/TCP Protocol Guide 37
HOLDING REGISTERS
 Holding Register Numbers
 SNAP-B3000-ENET
 SNAP-ENET-D64
 SNAP-ENET-S64
 SNAP-PAC-R1-B
 SNAP-UP1-ADS
 SNAP-PAC-EB1
 SNAP-PAC-EB2
 SNAP-UP1-M64
 SNAP-UP1-D64
 GRV-EPIC-PR1
 SNAP-PAC-R1
 SNAP-PAC-R2
 Action Notes
 E1 E2
 16-bit integer. Any non-zero
 value resets the brain to
 defaults as follows: Clears
 offsets and gains, counters,
 1027 See
Reset to Factory Defaults 1027 1027 1027 1027 latches, and min/max data;
 (Or Coil 258) Coils
 turns off digital outputs; sets
 analog outputs to zero scale
 (0 counts). (1027 is equal to
 1028 followed by 1030.)
Clear Channel Configura- 1028 See 16-bit integer. Any non-zero
 1028 1028 1028 1028
tion (Or Coil 259) Coils value clears flash.
 16-bit integer. 0 = Big Endian;
Set 32-bit Float Format 1029 1029 1029 -- 1029 1029 1 = Word-swapped Big
 Endian.
 Using Modbus Command 06,
 write any non-zero value to
 reset hardware, which is like
 cycling power to the brain. If
 1030 See channel configuration data
Hardware Reset -- 1030 1030 1030
 (Or Coil 260) Coils has not been stored to flash
 or flash has been cleared
 (1028), channels are reset to
 defaults.
 Reading always returns 0.
Read or Write Analog
Outputs 1031–3078 1031–3078 1031–3078 -- -- -- IEEE 32-bit float
(all analog modules)
Set Analog Offset
 3079–5126 3079–5126 3079–5126 -- -- -- IEEE 32-bit float
(all analog modules)
Set Analog Gain
 5127–7174 5127–7174 5127–7174 -- -- -- IEEE 32-bit float
(all analog modules)
Set Channel Low Scale
Value (all analog mod- 7175–9222 7175–9222 7175–9222 -- -- -- IEEE 32-bit float
ules)
Set Channel High Scale
Value (all analog mod- 9223–11270 9223–11270 9223–11270 -- -- -- IEEE 32-bit float
ules)
Configure Channels (all
 11271–13318 11271–13318 11271–13318 -- -- -- 32-bit integer
modules)
Configure Channel Fea-
 13319–15366 13319–15366 13319–15366 -- -- -- 32-bit integer
tures (all modules)3
1 These register numbers were used in the past and still work, but for new development, use the referenced numbers instead.
2 The method to configure E1 and E2 brain boards is simplified in E1/E2 firmware R1.2a (and higher) and in PAC Project 9.5000 (and
higher). Also, if a SNAP PAC controller communications with the E1 or E2, the controller must have PAC firmware R9.5a (or higher) to
use the simplified configuration method. If you are not using these firmware and software versions (or if you prefer to use the previous
method to reconfigure existing E1s or E2s), see Opto 22 form 1576, I/O Configuration for E1 and E2 Brain Boards.
3 Except groov I/O modules with S in the part number, which provide on/off status only.
 You can read a maximum of 127 registers in one command.
38 Modbus/TCP Protocol Guide
 CHAPTER 3: THE MODBUS MEMORY MAP
NOTES FOR ALL ANALOG MODULES
 Changes have been made to the Modbus memory map to accommodate higher-density groov and SNAP
 analog input and output modules. Analog modules range from 1 to 32 channels. Adjust your reads and writes
 depending on the module you have; for example, if your analog module has two channels, use only the
 registers for the first two channels. If it has eight channels, use only the registers for the first eight channels.
 Coils contain 32 numbers per module for clearing analog minimum and maximum values. Data for each coil
 is either 0 or 1. Registers and corresponding channels for a 32-channel analog module in position 0 are shown
 below as an example:
 Coil 3585 3586 3587 3588 3589 3590 3591 3592 3609 3610 3611 3612 3613 3614 3615 3616
Channel 1 2 3 4 5 6 7 8 25 26 27 28 29 30 31 32
 Input and holding registers contain 64 registers for each module (since the data for each channel requires
 two registers). For example, on a 32-channel analog module in position 0:
 Register 4609 4611 4613 4615 4617 4619 4621 4623 4657 4659 4661 4663 4665 4667 4669 4671
 4610 4612 4614 4616 4618 4620 4622 4624 4658 4660 4662 4664 4666 4668 4670 4672
 Channel 1 2 3 4 5 6 7 8 25 26 27 28 29 30 31 32
 Analog Module Register Table
 The following table shows starting registers for the first channel on each module on the largest rack.
 Coils Input Registers Holding Registers
 Module Position
 Read/Write Output
 Clear Max Value
 Calculate Offset
 Read Max Value
 Clear Min Value
 Config Channel
 Read Min Value
 Config Feature
 Calculate Gain
 Set High Scale
 Set Low Scale
 Read Value
 0 3585 4609 4609 6657 8705 1031 3079 5127 7175 9223 11271 13319
 1 3617 4641 4737 6785 8833 1159 3207 5255 7303 9351 11399 13447
 2 3649 4673 4865 6913 8961 1287 3335 5383 7431 9479 11527 13575
 3 3681 4705 4993 7041 9089 1415 3463 5511 7559 9607 11655 13703
 4 3713 4737 5121 7169 9217 1543 3591 5639 7687 9735 11783 13831
 5 3745 4769 5249 7297 9345 1671 3719 5767 7815 9863 11911 13959
 6 3777 4801 5377 7425 9473 1799 3847 5895 7943 9991 12039 14087
 7 3809 4833 5505 7553 9601 1927 3975 6023 8071 10119 12167 14215
 8 3841 4865 5633 7681 9729 2055 4103 6151 8199 10247 12295 14343
 9 3873 4897 5761 7809 9857 2183 4231 6279 8327 10375 12423 14471
 10 3905 4929 5889 7937 9985 2311 4359 6407 8455 10503 12551 14599
 11 3937 4961 6017 8065 10113 2439 4487 6535 8583 10631 12679 14727
 12 3969 4993 6145 8193 10241 2567 4615 6663 8711 10759 12807 14855
 13 4001 5025 6273 8321 10369 2695 4743 6791 8839 10887 12935 14983
 14 4033 5057 6401 8449 10497 2823 4871 6919 8967 11015 13063 15111
 15 4065 5089 6529 8577 10625 2951 4999 7047 9095 11143 13191 15239
 Modbus/TCP Protocol Guide 39
NOTES FOR groov I/O AND SNAP HIGH-DENSITY DIGITAL (HDD) MODULES
 Change in Reporting Analog Counts for E2
 The configuration method for E2 I/O units was simplified in E2 firmware R1.2a and PAC Project R9.5. With the
 new method, you can configure E2s in PAC Control and PAC Manager just as you would other I/O units, and
 configure their channels as G1 modules rather than similar SNAP modules.
 This change makes a difference in how the E2 I/O unit reports counts. Modules configured directly as
 G1 modules (the new method) will report counts as G1 counts (0 to +4095 nominal range). Modules
 configured under the old method will report counts as SNAP counts (0 to +25000, or -25000 to +25000).
NOTES FOR groov I/O AND SNAP HIGH-DENSITY DIGITAL (HDD) MODULES
 groov I/O and SNAP high-density digital I/O modules contain more than 4 channels per module. They are
 handled differently in the Modbus memory map because additional registers are reserved.
 Coils and inputs contain 32 numbers for each module, with an additional 32 reserved. Data for each number
 is either 0 or 1. Numbers and corresponding channels for a 32-channel HDD module in position 0 are shown
 below as an example:
 Coil/Input 513 514 515 516 517 518 519 520 537 538 539 540 541 542 543 544
 Channel 1 2 3 4 5 6 7 8 25 26 27 28 29 30 31 32
 Coils or inputs from 545–576 are reserved, and then Module 1 starts at 577. On a 16-channel HDD module,
 module 0 would use coils or inputs 513–528; numbers 529–576 are reserved; and module 1 would still start at
 577. See “groov I/O and High-Density Digital Module Register Table” on page 40 for additional module starting
 numbers.
 Registers contain 64 numbers for each module (since the data for each channel requires two registers), and
 an additional 64 registers are reserved. For example, on a 32-channel module in position 0:
 Register 513 515 517 519 521 523 525 527 561 563 565 567 569 571 573 575
 514 516 518 520 522 524 526 528 562 564 566 568 570 572 574 576
 Channel 1 2 3 4 5 6 7 8 25 26 27 28 29 30 31 32
 Registers 577–640 are reserved, and then module 1 starts at 641. See the table below for additional modules.
 groov I/O and High-Density Digital Module Register Table
 The following table shows starting registers for the first channel on each module on the largest rack.
 Module Coils/Inputs Input Registers
 Position State On-Latch State Off-Latch State Counter Data Read & Clear Counter
 0 513 1537 2561 513 2561
 1 577 1601 2625 641 2689
 2 641 1665 2689 769 2817
 3 705 1729 2753 897 2945
 4 769 1793 2817 1025 3073
 5 833 1857 2881 1153 3201
 6 897 1921 2945 1281 3329
 7 961 1985 3009 1409 3457
 8 1025 2049 3073 1537 3585
 9 1089 2113 3137 1665 3713
 10 1153 2177 3201 1793 3841
 11 1217 2241 3265 1921 3969
40 Modbus/TCP Protocol Guide
 CHAPTER 3: THE MODBUS MEMORY MAP
Module Coils/Inputs Input Registers
Position State On-Latch State Off-Latch State Counter Data Read & Clear Counter
 12 1281 2305 3329 2049 4097
 13 1345 2369 3393 2177 4225
 14 1409 2433 3457 2305 4353
 15 1473 2497 3521 2433 4481
 Modbus/TCP Protocol Guide 41
NOTES FOR groov I/O AND SNAP HIGH-DENSITY DIGITAL (HDD) MODULES
42 Modbus/TCP Protocol Guide
 Chapter 4
 4: Accessing Other Data
INTRODUCTION
 In most cases, communication between Modbus/TCP and Opto 22 systems uses the Modbus memory map
 detailed in Chapter 3, which was designed to make communication easier. Always look in Chapter 3 first to see
 if the data you want is available there.
 However, if you need to read and write data in additional areas of the device’s memory map not covered in
 Chapter 3: The Modbus Memory Map, you can do so with any of the following controllers or I/O units:
 GRV-EPIC-PR1 OPTOEMU-SNR-3V
 SNAP-PAC-S1 OPTOEMU-SNR-DR1
 SNAP-PAC-R1 OPTOEMU-SNR-DR2
 SNAP-PAC-R1-B SNAP-B3000-ENET
 SNAP-PAC-R2 SNAP-ENET-S64
 SNAP-PAC-EB1 SNAP-UP1-M64
 SNAP-PAC-EB2 SNAP-UP1-ADS
 NOTE: Digital-only I/O units and E1 and E2 I/O units do not support this advanced Modbus programming.
 Why Access Other Data?
 Some common reasons for needing to access other data in a device’s memory map include:
 • Finding out the device’s unit type and firmware revision.
 • Reading data placed in the device’s Scratch Pad area (for example, by a PAC Control strategy or by another
 device) or writing data to the device’s Scratch Pad. Scratch Pad areas may include bits, integers, floats, and
 strings, depending on the device. See form 1704, PAC Manager User’s Guide, for more information on
 Scratch Pad areas.
 Accessible Data
 All of the Opto 22 device’s regular OptoMMP memory map addresses in the range F000 0000 to F1EB FFFE are
 directly available for reading and writing. The available addresses vary based on the device you’re using.
 Addresses outside that range (or scattered addresses) may be indirectly accessed in one contiguous chunk by
 using the Custom Data Access Area (F0D6 0000 to F0D6 0FFC) and Custom Configuration Area (F0D5 0000 to
 F0D5 0FFC) to map selected addresses into one area that is available for Modbus reads and writes.
 The complete OptoMMP memory map is in an appendix in Opto 22 form 1465, OptoMMP Protocol Guide. This
 guide is available on our website, www.opto22.com. You’ll need the protocol guide to determine the
 Modbus/TCP Protocol Guide 43
 43
DETERMINING MODBUS UNIT ID AND REGISTER
 addresses available for your device and to find specific addresses, data types, and data length. For some
 addresses you’ll also need this guide to interpret the data you receive (for example, a firmware version) or to
 know what data to send.
 You can also use the Modbus Calculator in PAC Manager to convert memory map addresses to their
 corresponding Modbus values.
 When you’re working with the memory map addresses in the OptoMMP Protocol Guide, remember that they
 refer to Opto 22 input/output channels, which are zero-based. That is, the first module position is position 0,
 and the first channel on any module is channel 0.
 Modbus Master Requirements
 As explained in Chapter 1: Introduction, Opto 22 devices use a Modbus packet inside TCP/IP. The Modbus
 checksum is not used; instead, the Ethernet TCP/IP link layer checksum guarantees data. The size of the packet
 is limited to 256 bytes.
 In order to access additional memory map addresses, the Modbus master needs to support Class 0
 commands and the following function codes:
 03 Read holding registers
 06 Preset single register
 10 Preset multiple registers
DETERMINING MODBUS UNIT ID AND REGISTER
 For the Modbus Memory Map in Chapter 3, you always use a unit ID (slave ID) of 1. However, Opto 22 memory
 mapped devices contain far more data than can fit in the registers provided by the Modbus protocol. To add
 more data, we used additional unit IDs.
 To read and write to these other areas of the memory map, you need to determine the Modbus Unit ID and
 Register Address that are equivalent to the I/O unit’s memory map address.
 The easiest way is to use PAC Manager software to convert addresses. PAC Manager is included on the CD that
 comes with a SNAP or E1/E2 device; it is also available for download from our website, www.opto22.com
 (search for PAC Manager).
 The basic steps for determining the Modbus Unit ID and Register are shown below; see form 1704, PAC
 Manager User’s Guide for additional help. Or you can use form 1465, OptoMMP Protocol Guide, to find the
 memory map addresses. Both guides are available on our website at www.opto22.com.
 Finding OptoMMP Memory Map Addresses
 Find the memory map address you need by locating it in form 1465, OptoMMP Protocol Guide.
 Alternative method (not available for groov EPIC)
 For Opto 22 devices except groov EPIC, you can use PAC Manager’s Inspect window to find a memory map
 address. (PAC Manager does not work with groov EPIC.) The Opto 22 device must be accessible from your PC
 in order to use this method.
 To start PAC Manager:
 • In Windows 7, click the Windows Start button, and then click All Programs > Opto 22 > PAC Project 10 >
 PAC Manager 10.
 • In Windows 10, click the Windows Start button and type Opto 22 > PAC Manager 10.
44 Modbus/TCP Protocol Guide
 CHAPTER 4: ACCESSING OTHER DATA
1. Click the Inspect icon .
2. Type the device’s name or IP address in the Device Name field. Then click the button on the left side of
 the window that corresponds to the memory map address you need to find.
 For example, to find the memory map address for the device’s firmware version, click Status Read.
 Modbus/TCP Protocol Guide 45
DETERMINING MODBUS UNIT ID AND REGISTER
 Memory map address for Firmware Version
 You need to know only the last eight digits of the memory map address, in this case, F030001C.
 Converting OptoMMP Memory Map Addresses
 Now that you have found the memory map addresses you need, you can convert them. The easiest way is by
 using PAC Manager, which is a free download from our website. You can use the PAC Manager conversion tool
 for groov I/O as well as for other Opto 22 devices.
 If PAC Manager is not already open, start it:
 • In Windows 7, click the Windows Start button, and then click All Programs > Opto 22 > PAC Project 10 >
 PAC Manager 10.
 • In Windows 10, click the Windows Start button and type Opto 22 > PAC Manager 10.
 1. From PAC Manager’s Tools menu, choose Modbus Calculator.
46 Modbus/TCP Protocol Guide
 CHAPTER 4: ACCESSING OTHER DATA
2. To convert an I/O unit memory map address to a Modbus Unit ID and Register Address, type the last
 eight digits of the I/O unit’s memory map address in the MemMap Address field.
 Make sure there are no spaces in the address (for example, type F0300020).
3. Click the right-arrow icon .
 The equivalent Modbus Unit ID and Register appear.
 NOTE: The Modbus unit ID and registers are decimal.
 Modbus/TCP Protocol Guide 47
DETERMINING MODBUS UNIT ID AND REGISTER
 Example: Reading an OptoMMP Memory Map Address
 For example, suppose you want to read the status of Scratch Pad bits. You can determine the memory map
 address in one of two ways:
 • Look in the OptoMMP Protocol Guide, find Scratch Pad addresses, and locate the address for the current
 state of Scratch Pad bits.
 • (For all devices except groov I/O) Use the PAC Manager Inspect window to find the address you want and
 copy it.
 Either way, you determine that the memory map address is F0D80000. Using PAC Manager, you convert the
 MemMap address F0D80000 to a Unit ID of 110 and a Register Number of 0.
 See the OptoMMP Protocol Guide to interpret the data you read.
 Example: Writing to an OptoMMP Memory Map Address
 As another example, suppose you want to send a powerup clear (PUC) to the Opto 22 device. This operation
 code is in the Status Write area of the I/O unit’s memory map address. To determine the address and format of
 the data to write in order to send a PUC, check the Status Write area in the OptoMMP Protocol Guide.
 From the memory map appendix, you determine that the memory map address for an operation code is
 F0380000, and the specific data you must write to send a PUC is 0x00000001. Using the Modbus conversion
 tool in PAC Manager, you find that address F0380000 equals a Unit ID of 30 and a Register Number of 0.
48 Modbus/TCP Protocol Guide
Index
 A C
 analog channel calibrating analog input channels, 29
 channel types, inputs, 21 channel types, groov, 18
 channel types, outputs, 27 channel types, SNAP, 20
 gain, definition, 29 coils, 33
 maximum value, definition, 29 communication overview, 5
 minimum value, definition, 29 communication packet format, 7
 offset, definition, 29 configuring I/O channel
 on E2 groov analog/digital, 17
 counts, 40 SNAP analog/digital, 20
 features, 32 SNAP digital-only, 28
 gain, 32 control strategy and Modbus, 4
 minimum/maximum values, 32 counter
 offset, 32 definition, 29
 reading and writing value, 15 E1 digital channel, 31
 scaling, 32 groov I/O digital channel, 29
 on groov I/O, 39 SNAP digital channel, 29
 configuration example, 19
 features, 30
 gain, 31 D
 minimum/maximum values, 31 data, Modbus float format, 30, 32
 offset, 31 digital channel
 reading and writing value, 39 counter, definition, 29
 scaling, 30 latch, definition, 29
 on SNAP, 39 on E1
 configuration example, 28 counters, 31
 features, 30 features, 31
 gain, 31 latches, 31
 minimum/maximum values, 31 reading and writing value, 14
 offset, 31 on groov I/O, 40
 reading and writing value, 12 configuration example, 19
 scaling, 30 counters, 29
 analog point features, 29
 scaling, definition, 29 latches, 29
 value, definition, 29 reading and writing value, 40
 on SNAP
 configuration example, 28
 counters, 29
 Modbus/TCP Protocol Guide 49
 49
 features, 29 I
 high-density digital, 40
 I/O channel
 latches, 29
 channel types, 18, 20
 reading and writing state, 11
 configuring groov analog/digital, 17
 state, definition, 29
 configuring SNAP analog/digital, 20
 documentation, 2
 configuring SNAP digital-only, 28
 features, 29
 E groov I/O configuration examples, 19
 position on E1 rack, 13
 E2 analog counts, 40
 position on E2 rack, 13
 EPIC
 position on groov I/O chassis, 10
 module and channel positions, 10
 position on SNAP rack, 11
 register table for analog, 39
 SNAP configuration examples, 28
 register table for discrete, 40
 I/O features
 error codes, 7
 definitions, 29
 exception codes, 7
 E1 digital channel, 31
 E2 analog channel, 32
 F groov I/O analog channel, 30
 groov I/O digital channel, 29
 firmware revision, determining, 43
 SNAP analog channel, 30
 float format, Modbus, 30, 32
 SNAP digital channel, 29
 format
 I/O module
 of communication packet, 7
 position on E1 rack, 13
 of Modbus float, 30, 32
 position on E2 rack, 13
 function codes for Modbus/TCP, 6
 position on G4EB2 or G4D32EB2 rack, 15
 position on groov I/O chassis, 10
 G position on SNAP rack, 11
 I/O, groov, discrete, 40
 G4 I/O, 15
 I/O, SNAP, high-density digital, 40
 G4D32EB2
 input registers, 36
 I/O module position, 15
 inputs, 35
 G4EB2
 I/O module position, 15
 gain L
 definition, 29
 latches
 E2 analog channel, 32
 definition, 29
 groov I/O analog channel, 31
 E1 digital channel, 31
 SNAP analog channel, 31
 groov I/O discrete channel, 29
 groov I/O
 SNAP digital channel, 29
 channel configuration examples, 19
 channel types, 18
 module and channel positions, 10 M
 register table for analog, 39
 maximum value, 29
 register table for discrete, 40
 minimum value, 29
 minimum/maximum value
 H E2 analog channel, 32
 groov I/O analog channel, 31
 hardware used with Modbus/TCP, 3
 SNAP analog channel, 31
 help, 3
 Modbus
 high-density digital modules, 40
 and PAC Control strategy, 4
 holding registers, 37
 coils, 33
 communicating with Opto 22 devices, 3
50 Modbus/TCP Protocol Guide
 communication diagram, 4 groov I/O analog modules, 39
 communication overview, 5 groov I/O discrete modules, 40
 communication packet, 7 SNAP analog channels, 12
 exception errors, 7 SNAP analog modules, 39
 float format, 30, 32 SNAP digital channels, 11
 function codes supported, 6 SNAP high-density digital modules, 40
 holding registers, 37 report slave ID command, 6
 input registers, 36
 inputs, 35
 S
 scaling
O description, 29
off-latch, 29 E2 analog channel, 32
offset groov I/O analog channel, 30
 definition, 29 SNAP analog channel, 30
 E2 analog channel, 32 Scratch Pad, reading or writing to, 43
 groov I/O analog channel, 31 SNAP I/O
 SNAP analog channel, 31 channel configuration examples, 28
on-latch, 29 channel types, 20
Opto 22 hardware, 3 state of digital channel, definition, 29
Opto 22 memory-mapped protocol, 4
Opto 22 product support, 3
OptoMMP, 4 T
 finding memory map addresses, 44 technical support, 3
 memory map, reading and writing to, 43 troubleshooting
 exception errors, 7
P
PAC Control, 4 V
PAC Manager, 44 valley, 29
peak, 29 value of analog point, definition, 29
product support, 3
 W
Q writing
Quad Pak, 14 E1 digital channels, 14
Quad Pak I/O, 15 E2 analog channels, 15
 groov I/O analog modules, 39
 groov I/O discrete modules, 40
R SNAP analog channels, 12
reading SNAP analog modules, 39
 E1 digital channels, 14 SNAP digital channels, 11
 E2 analog channels, 15 SNAP high-density digital modules, 40
 Modbus/TCP Protocol Guide 51
52 Modbus/TCP Protocol Guide