0% found this document useful (0 votes)
143 views1 page

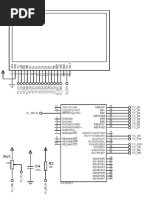
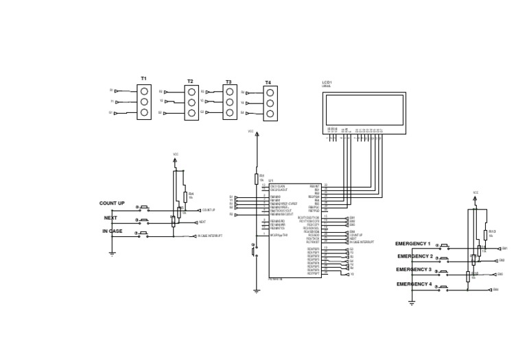
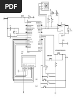
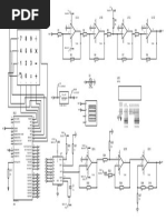
PIC16F877A Pin Configuration Guide

This document provides a schematic for a PIC16F877A microcontroller circuit. The circuit includes ports for inputs like switches, LED outputs, and components like resistors and crystals for clock timing. The microcontroller is at the center and is programmed to handle functions like counting, displaying sequences, and responding to emergency inputs.

Uploaded by

dsweetalker
Copyright
© © All Rights Reserved
We take content rights seriously. If you suspect this is your content, claim it here.
Available Formats
Download as PDF, TXT or read online on Scribd
0% found this document useful (0 votes)
143 views1 page

PIC16F877A Pin Configuration Guide

This document provides a schematic for a PIC16F877A microcontroller circuit. The circuit includes ports for inputs like switches, LED outputs, and components like resistors and crystals for clock timing. The microcontroller is at the center and is programmed to handle functions like counting, displaying sequences, and responding to emergency inputs.

Uploaded by

dsweetalker
Copyright
© © All Rights Reserved
We take content rights seriously. If you suspect this is your content, claim it here.
Available Formats
Download as PDF, TXT or read online on Scribd
You are on page 1/ 1

T1

R1 R2

T2
R3

T3
R4

T4

LCD1
LM044L

Y1

Y2

Y3

Y4

G1

G2

G3

G4

VSS VDD VEE

RS RW E 4 5 6

VCC

1 2 3

VCC

R1
10k 13 14

U1
OSC1/CLKIN OSC2/CLKOUT RA0/AN0 RA1/AN1 RA2/AN2/VREF-/CVREF RA3/AN3/VREF+ RA4/T0CKI/C1OUT RA5/AN4/SS/C2OUT RE0/AN5/RD RE1/AN6/WR RE2/AN7/CS MCLR/Vpp/THV RB0/INT RB1 RB2 RB3/PGM RB4 RB5 RB6/PGC RB7/PGD RC0/T1OSO/T1CKI RC1/T1OSI/CCP2 RC2/CCP1 RC3/SCK/SCL RC4/SDI/SDA RC5/SDO RC6/TX/CK RC7/RX/DT RD0/PSP0 RD1/PSP1 RD2/PSP2 RD3/PSP3 RD4/PSP4 RD5/PSP5 RD6/PSP6 RD7/PSP7 PIC16F877A 33 34 35 36 37 38 39 40 15 16 17 18 23 24 25 26 19 20 21 22 27 28 29 30 VCC

R4
10k

COUNT UP
R5
10k COUNT UP

G1 Y1 R1 G2 R2 NEXT

2 3 4 5 6 7 8 9 10 1

NEXT IN CASE

R6
10k

EM1 EM2 EM3 EM4 COUNT UP NEXT IN CASE INTERRUPT G3 Y3 R3 G4 Y4 R4 Y2

7 8 9 10 11 12 13 14

D0 D1 D2 D3 D4 D5 D6 D7

R13
10k

IN CASE INTERRUPT

EMERGENCY 1 EMERGENCY 2 EMERGENCY 3 EMERGENCY 4


R15
10k

R14
10k

EM1

EM2

R16
10k

EM3

EM4

You might also like